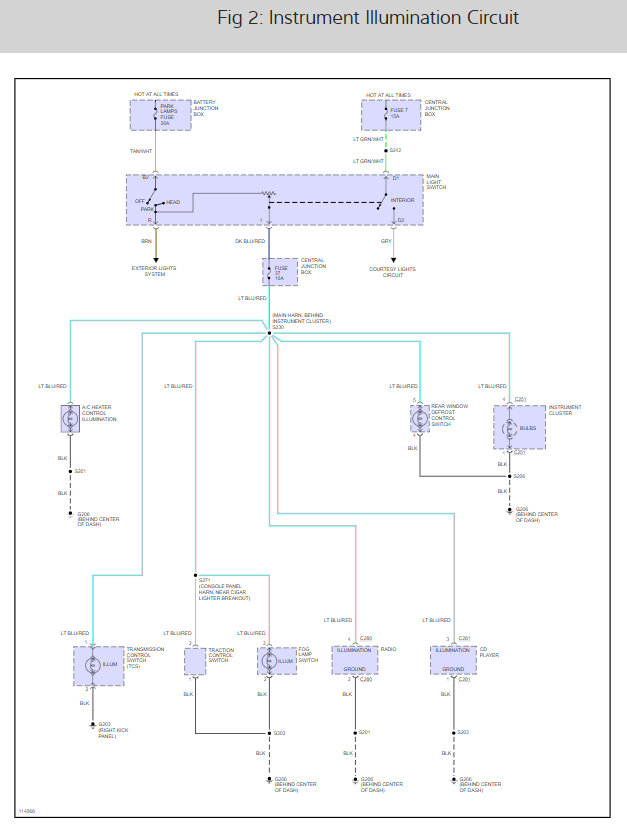
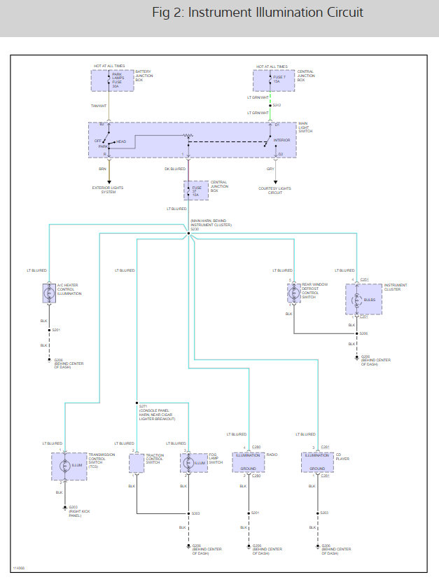
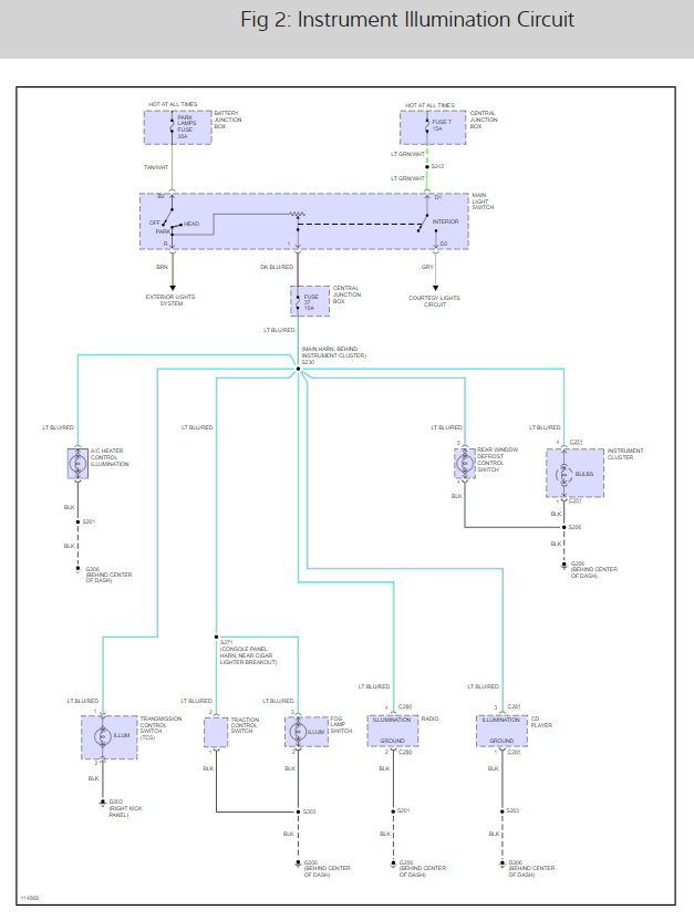
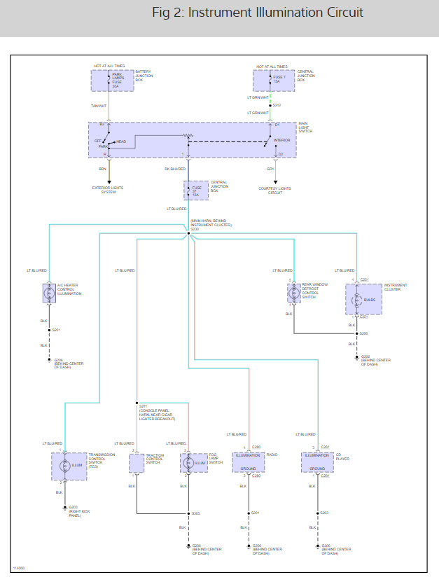
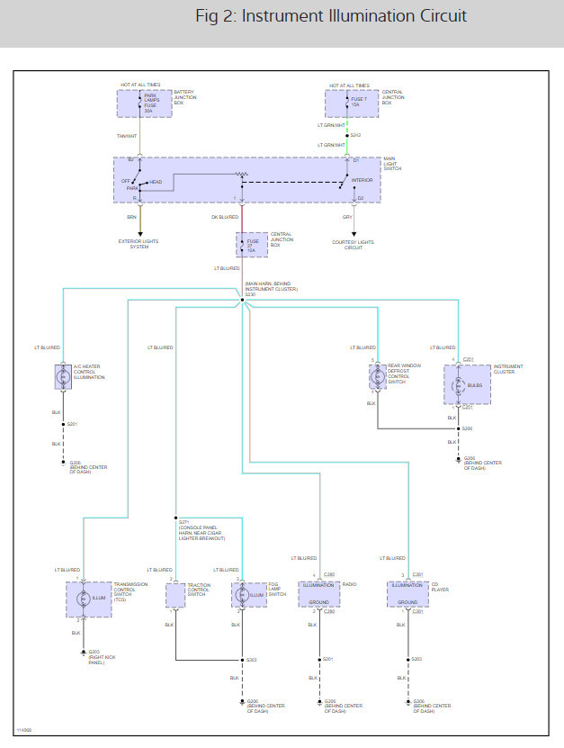
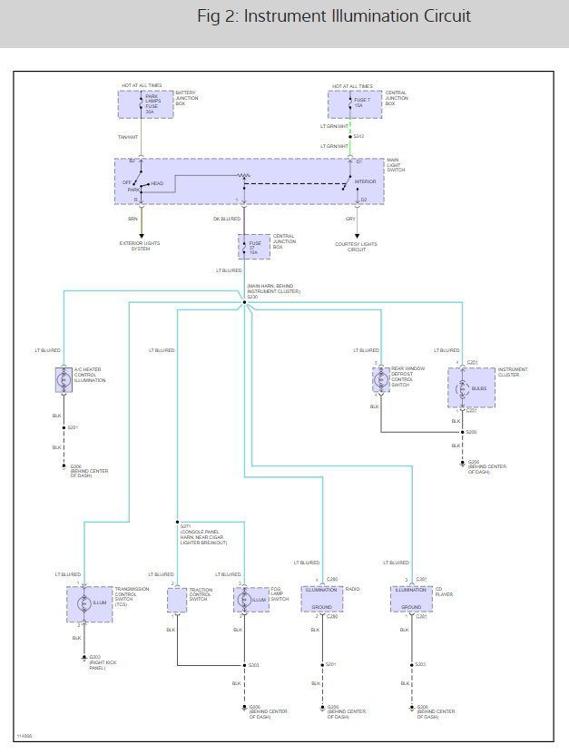
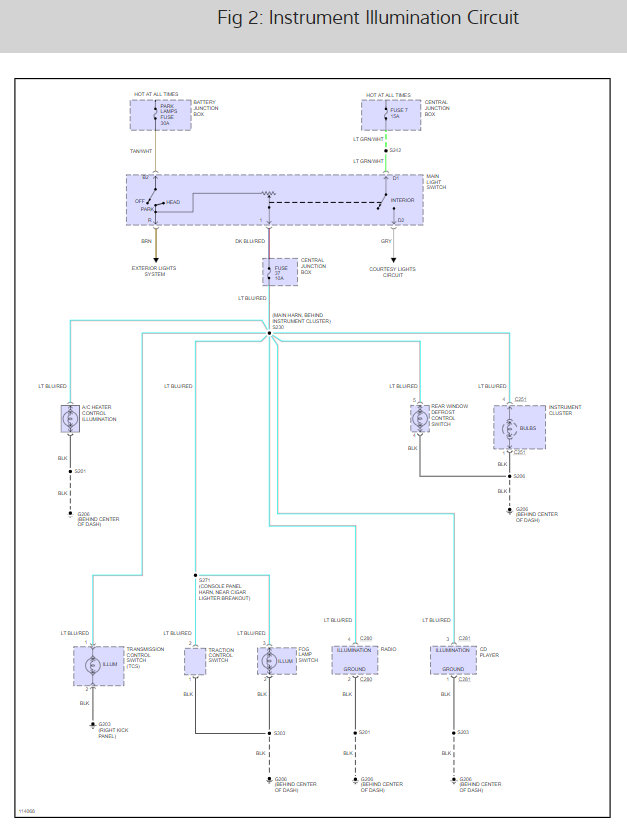
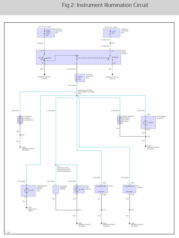
All the exterior lights connected to this switch work, and the fuse appears to be good.
I am about to remove the instrument panel to look at each light, but to have them all out, it seems a bit much to believe.
Any ideas beyond pulling each one and testing for continuity? Thanks
Wednesday, March 21st, 2018 AT 9:09 AM





