All dash lights went black stereo as well stopped working?

Tiny
BMAN1G
  • MEMBER
  • 2006 NISSAN ALTIMA
  • 2.5L
  • 4 CYL
  • 2WD
  • AUTOMATIC
  • 220,000 MILES
Was sitting waiting for someone to come out I turned my side mirror nob and everything went black, but it all works outside.
Saturday, April 12th, 2025 AT 11:26 PM

6 Replies

Tiny
BBBLONDIE
  • MEMBER
  • 4 POSTS
Could be the dimmer switch (AKA, "Illumination Control Switch") that burnt out or try messing around with it, sometimes it's just a bad contact.

Also, have someone help you check that your running lights are illuminating in your taillights.
-Start your car and make sure your
headlights are switched on, then either you
or have someone stand behind your
vehicle while the other presses the brake
pedal.
If the taillights aren't illuminating unless you're on the brakes, then also check the "Tail Lamp Relay" fuse. Should be located in the fuse box under the hood.
Was this
answer
helpful?
Yes
No
Sunday, April 13th, 2025 AT 11:55 AM
Tiny
KEN L
  • MASTER CERTIFIED MECHANIC
  • 55,097 POSTS
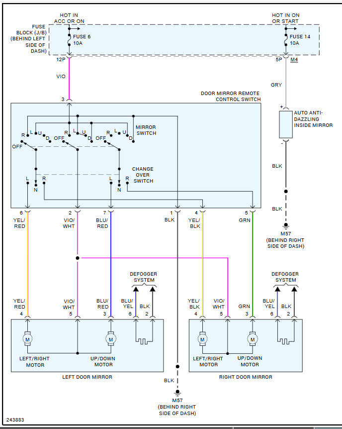
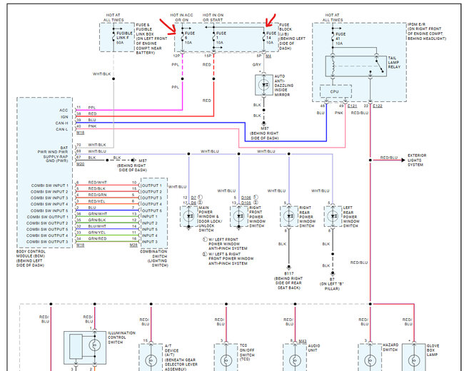
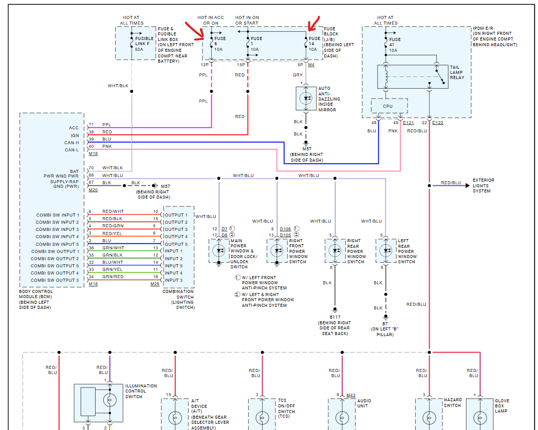
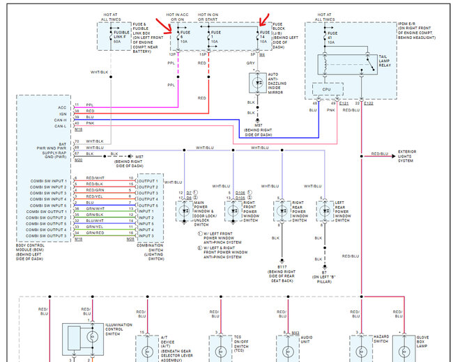
There is a number 6 fuse in the fuse panel on the left side of the dash that sounds like when out, here is a guide to help and the fuse locations for clarity:

https://www.2carpros.com/articles/how-to-check-a-car-fuse

Check out the images (below). Please let us know what happens.
Was this
answer
helpful?
Yes
No
Sunday, April 13th, 2025 AT 1:08 PM
Tiny
BMAN1G
  • MEMBER
  • 48 POSTS
Yes all the running lights and blinkers working and there is no number 6 fuse.
Was this
answer
helpful?
Yes
No
Monday, April 14th, 2025 AT 12:01 PM
Tiny
KEN L
  • MASTER CERTIFIED MECHANIC
  • 55,097 POSTS
Are you talking about the lights for the radio during the day or night? Also, with the systems on I would check all fuses. Please use the guide.
Was this
answer
helpful?
Yes
No
Tuesday, April 15th, 2025 AT 9:19 AM
Tiny
BMAN1G
  • MEMBER
  • 48 POSTS
All dash lights are off radio too can't see my speed or anything.
Was this
answer
helpful?
Yes
No
Tuesday, April 15th, 2025 AT 11:30 AM
Tiny
KEN L
  • MASTER CERTIFIED MECHANIC
  • 55,097 POSTS
There should be a fuse #6. Did you check the fuse panel inside the car under the dash? Please check out the wiring diagrams below to see what I am talking about.
Was this
answer
helpful?
Yes
No
Thursday, April 17th, 2025 AT 8:38 AM

Please login or register to post a reply.