Friday, February 8th, 2019 AT 9:27 AM
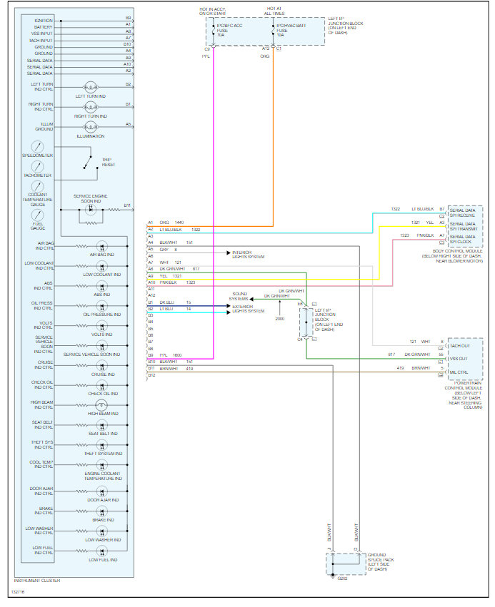
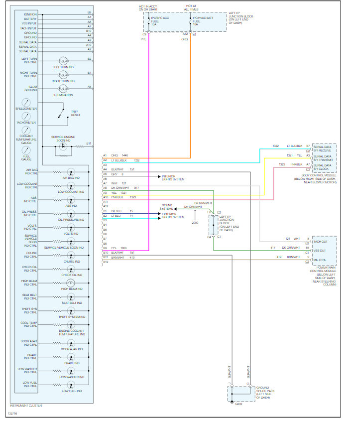
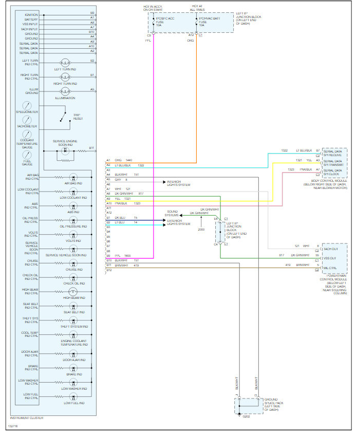
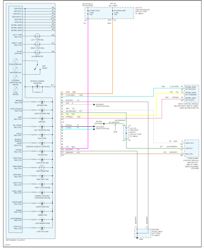
Driving all dash lights came on. Gauges stopped working. It continued to run. Turned it off then no start. Starts for a couple of seconds then shuts off. Changed out ignition switch. Key lock switch. Did the anti-theft procedure. Changed out the camshaft sensor. Changed out BCM. Still same no start. When BCM was unplugged the dash lights remained on and car will still start and shut off the same as before. It made no connection to the BCM that was put in. Still showing the same mileage as the old BCM had in it. I'm at a loss now on what is wrong. Maybe the ECM now? I need help. Ronny J.














