All four power windows will not work

Tiny
MARK PETERSON2
  • MEMBER
  • 2000 NISSAN ALTIMA
  • 4 CYL
  • 2WD
  • AUTOMATIC
  • 130,000 MILES
I changed the master switch. What else can I do?
Monday, February 18th, 2019 AT 11:21 AM

2 Replies

Tiny
PATENTED_REPAIR_PRO
  • MECHANIC
  • 1,853 POSTS
They are normally all protected from the same circuit breaker, find it and try a new one.
Was this
answer
helpful?
Yes
No
+1
Monday, February 18th, 2019 AT 11:39 AM
Tiny
KEN L
  • MASTER CERTIFIED MECHANIC
  • 55,097 POSTS
Hello,

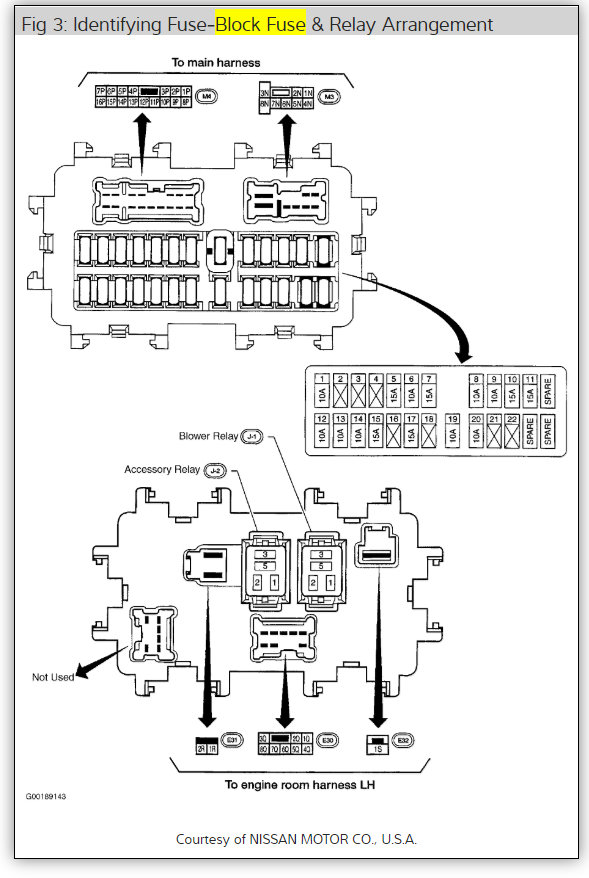
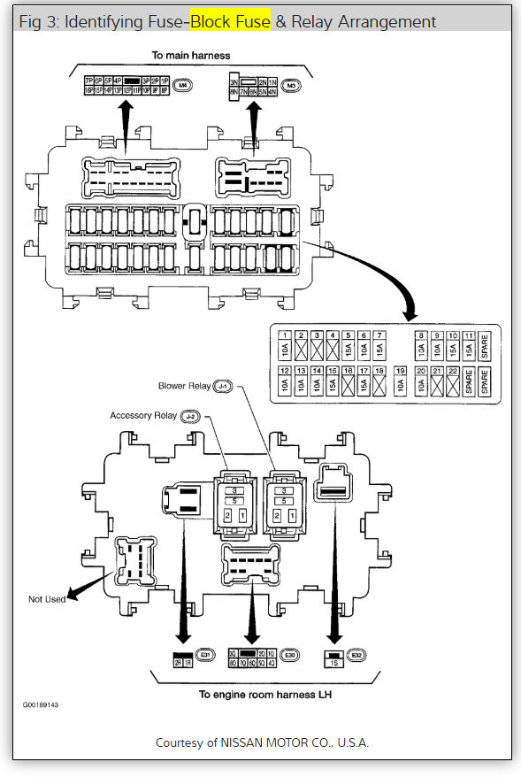
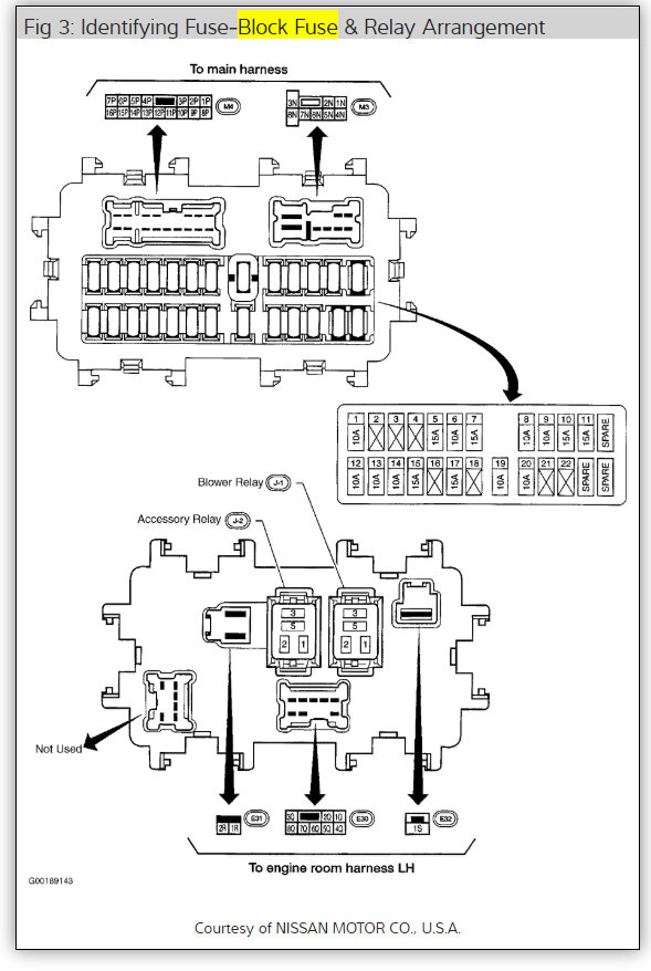
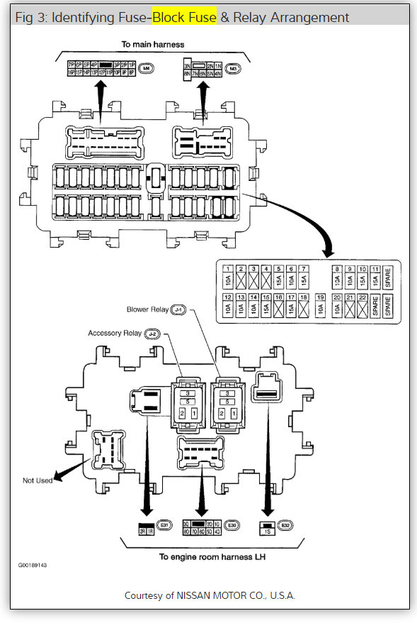
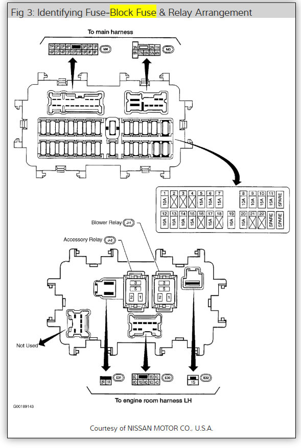
Can you check to see if there is power at fuses # 19 and 12? Here is a guide the help test for power and the window wiring dDiagrams so you can do how the system works and fuse location below:

https://www.2carpros.com/articles/how-to-use-a-test-light-circuit-tester

Check out the diagrams (below). Please let us know what you find.
Was this
answer
helpful?
Yes
No
Monday, February 18th, 2019 AT 6:02 PM

Please login or register to post a reply.