Saturday, October 3rd, 2020 AT 3:46 PM
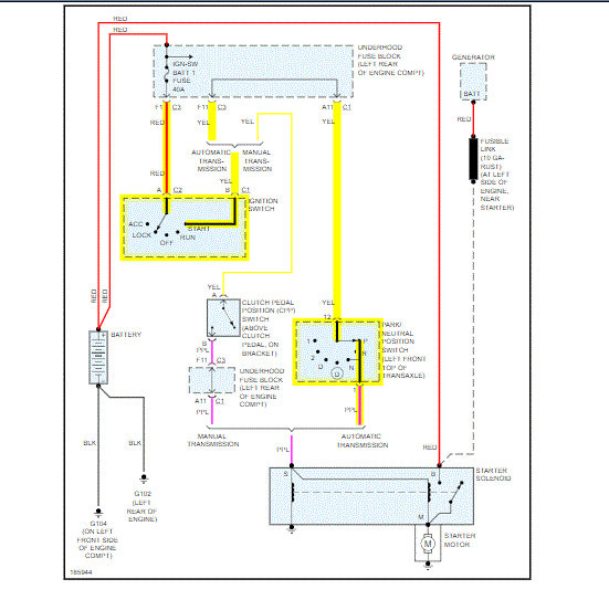
No voltage at the trigger wire on the starter solenoid. Battery has good voltage. Power is at the start relay coil. I can run a ground at the start relay and car cranks. So no ground from the PMC. What conditions must be met at the PMC for it to provide the start relay ground?



