After programming key-fob the alarm goes off and it will not start

Tiny
PJMCGEE2010
  • MEMBER
  • 2003 NISSAN PATHFINDER
  • 0.6L
  • V6
  • 4WD
  • 191,000 MILES
I programmed a key-fob. After I programmed it came across a problem that it did not work all the time and had to enter the car by the key but then alarm went off. The only way to shut the alarm off was to disconnect the battery, but when I connected the battery back up the immobilizer would not let me start the vehicle. Now I am afraid to lock the doors.
Thursday, May 3rd, 2018 AT 3:05 PM

3 Replies

Tiny
KEN L
  • MASTER CERTIFIED MECHANIC
  • 55,535 POSTS
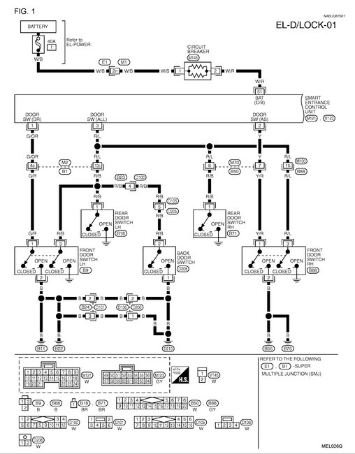
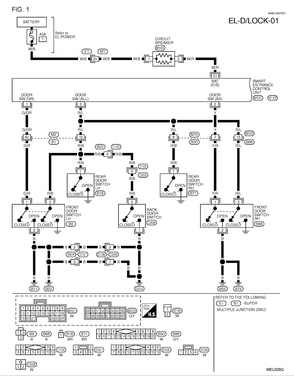
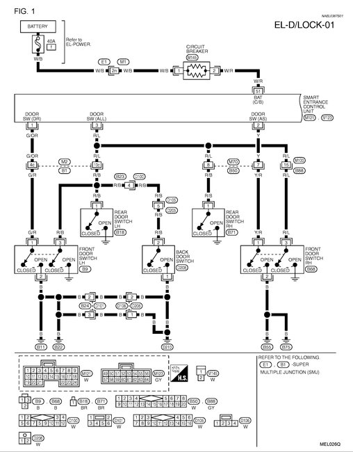
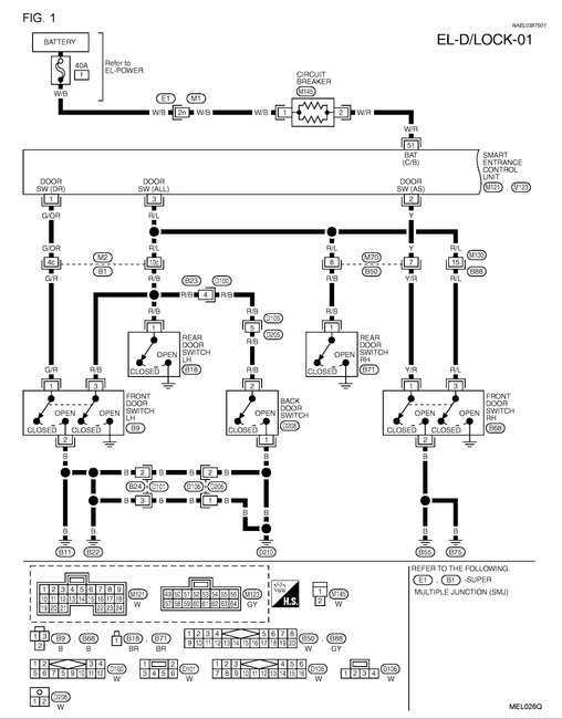
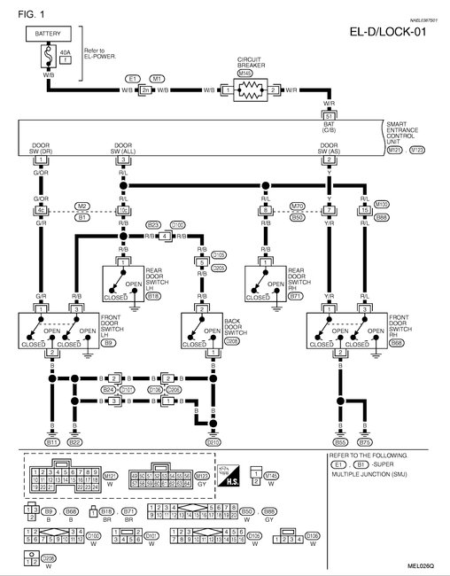
Did the new fob work for a while and then the system started having this problem? Because it sounds like you have a drivers side door latch that has gone out.

Let us know. Cheers, Ken
Was this
answer
helpful?
Yes
No
Sunday, May 6th, 2018 AT 12:04 PM
Tiny
PJMCGEE2010
  • MEMBER
  • 2 POSTS
Was working for awhile then stopped and programmed another key-fob and still doing same thing. Sometimes it would work and then would stop. I do have a valet switch but did not shut the alarm off.
Was this
answer
helpful?
Yes
No
Monday, May 7th, 2018 AT 12:25 PM
Tiny
STEVE W.
  • MECHANIC
  • 15,702 POSTS
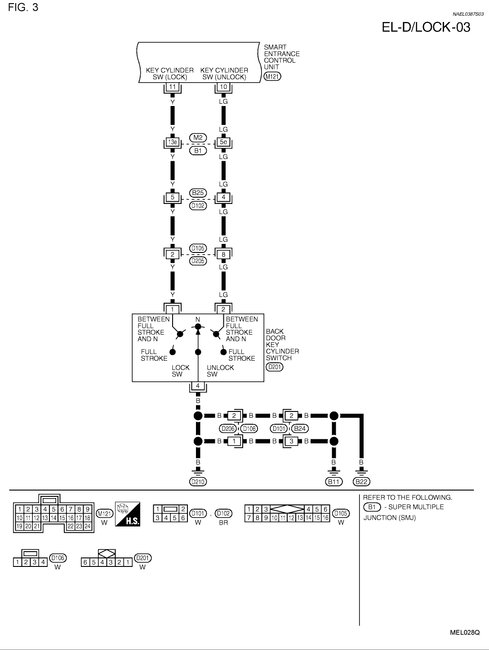
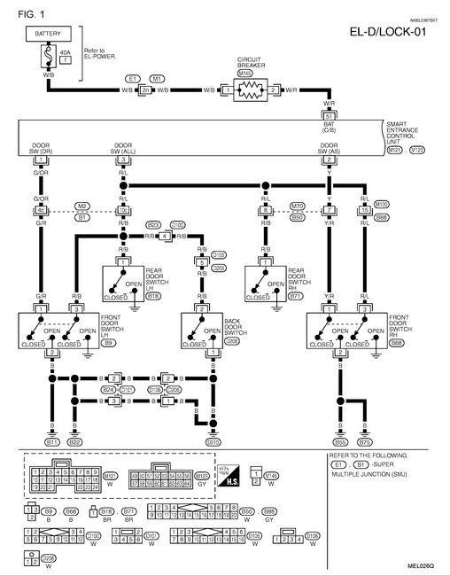
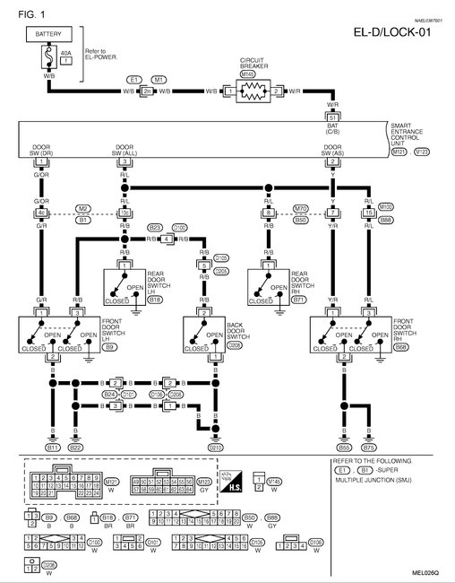
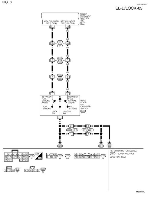
That sounds like either the door latch switches are not operating correctly (the car does not think the door is closed and latched) or the wiring between the A pillar and the door has a broken wire(s) that go to the door latch/lock system. Either one could cause the alarm to go off because the car is not reading the key as a known valid piece.

If you have access to a dealer level scan tool you can watch the switches and the alarm as the key is used and see if it is/is not reading the key or if it is because the door latch switch is not operating as it would show open/closed. However, you could scan it and show it is working and it could fail like it does now as it sounds like it can be intermittent. Sort of a catch 22.

I would start with the wiring myself as it is a common issue on many vehicles because of the way the wires flex as the door moves. You basically remove the rubber boot at both ends between the door and body and look for damaged/broken wires. A common issue is that the wire will break inside the insulation and look fine. Those can be hard to spot.
Was this
answer
helpful?
Yes
No
Tuesday, May 8th, 2018 AT 9:39 AM

Please login or register to post a reply.