A/C blower not working?

Tiny
JAN RAY SAPUNGCO
  • MEMBER
  • 1996 NISSAN PATHFINDER
  • 333,000 MILES
Hello. Good day. My A/C fan motor fuse keeps blowing. The fan motor is new and I checked. I remove the connection to the fan motor and I put again the new fuse and I check the voltage is good and the fuse is not blowing.
Fan motor have a problem this is brand-new?
Wednesday, August 3rd, 2022 AT 9:49 PM

1 Reply

Tiny
JACOBANDNICKOLAS
  • MECHANIC
  • 110,194 POSTS
Hi,

Check the connector where it attaches to the fan motor. See if it is damaged or melted and is allowing the connection to short.

Here is a link you may find helpful:

https://www.2carpros.com/articles/how-to-check-wiring

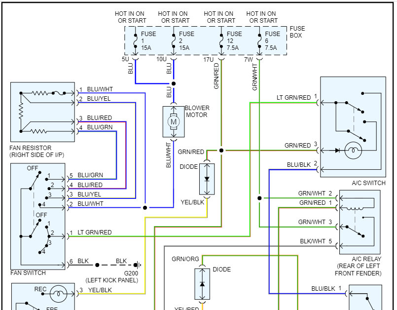
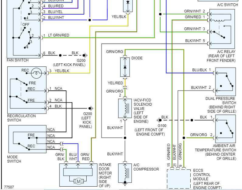
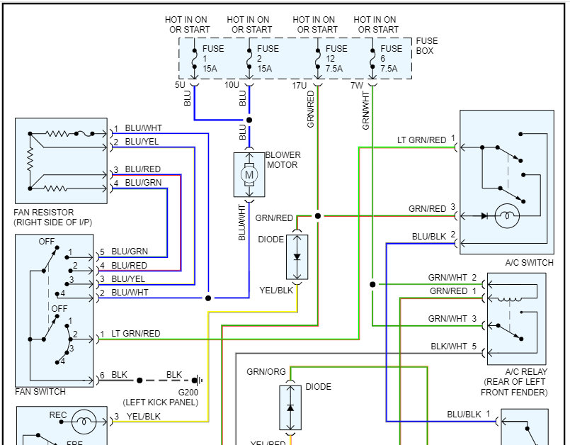
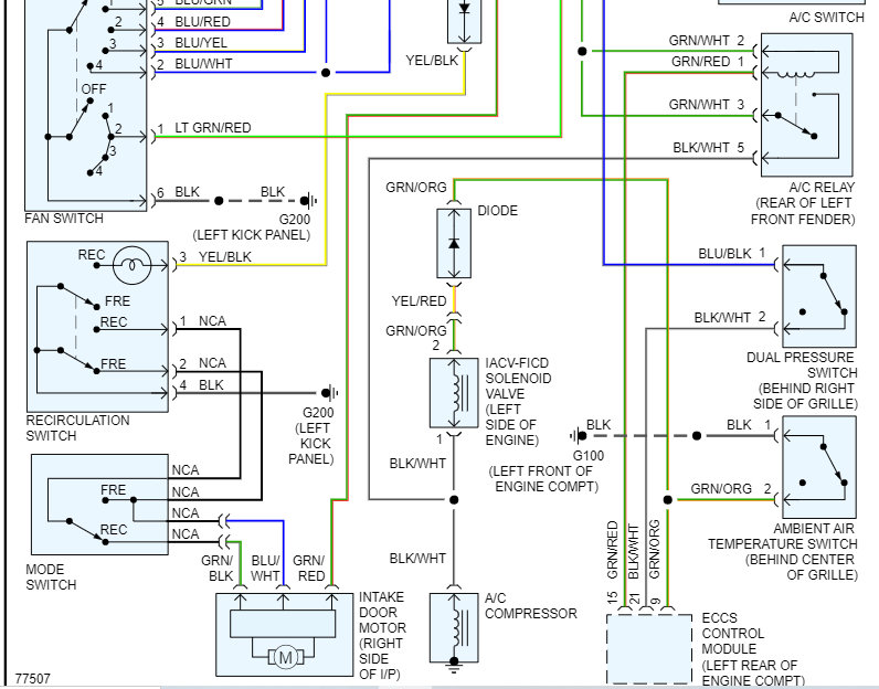
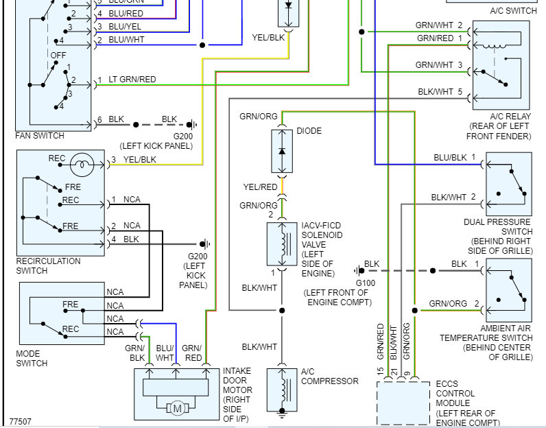
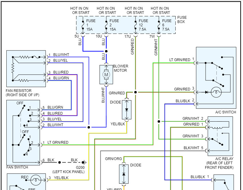
Also, I attached the wiring schematic below for the blower motor. I noticed there is a splice in the power supply after the motor and before the fan switch. So, try disconnecting the fan switch connection and see if it still causes the fuse to fail. If it does, suspect the splice.

Let me know what you find or if you have other questions.

Take care,

Joe

See pics below.
Was this
answer
helpful?
Yes
No
Wednesday, August 3rd, 2022 AT 10:03 PM

Please login or register to post a reply.