Wednesday, March 25th, 2020 AT 7:53 AM
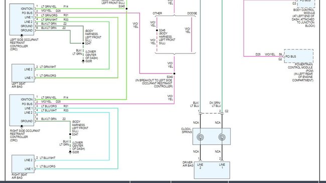
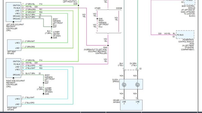
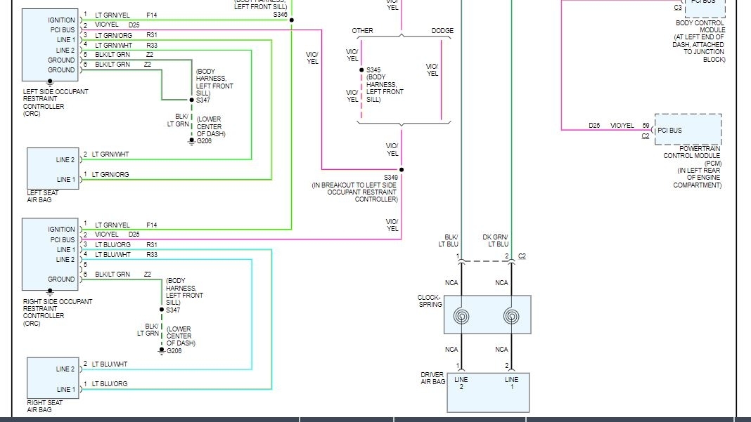
I checked the radio, the heat and A/C, the horn, the cruise control, the turn signals, the windows all are operating normally, but the airbag light stays on. This is an SRS system and there are no side airbags. I don't see or feel any wires going to the seats except for the wires to the drivers electric seat position switches. Any suggestions?






