Airbag light on

Tiny
MORGAN8173
  • MEMBER
  • 2011 FORD ESCAPE
  • 2.5L
  • 4 CYL
  • 2WD
  • AUTOMATIC
  • 313,000 MILES
I replaced my airbag clock spring that went out (control on steering wheel everything stopped working and the steering wheel had lumps in the turning), but my airbag light still won’t go off. I’ve tried resetting the module through my scan tool even. I’ve attached a picture of the codes.
Monday, March 21st, 2022 AT 10:14 AM

1 Reply

Tiny
BORIS K
  • MECHANIC
  • 836 POSTS
Hello,

The Restraints Control Module (RCM) continuously monitors the driver air bag module stage 1+2 and circuits for the following faults:
Resistance out of range.
Unexpected voltage.
Short to ground.
Faulted driver air bag module.

As these codes are not triggered by an accident, they should clear using a suitable diagnostic tool.

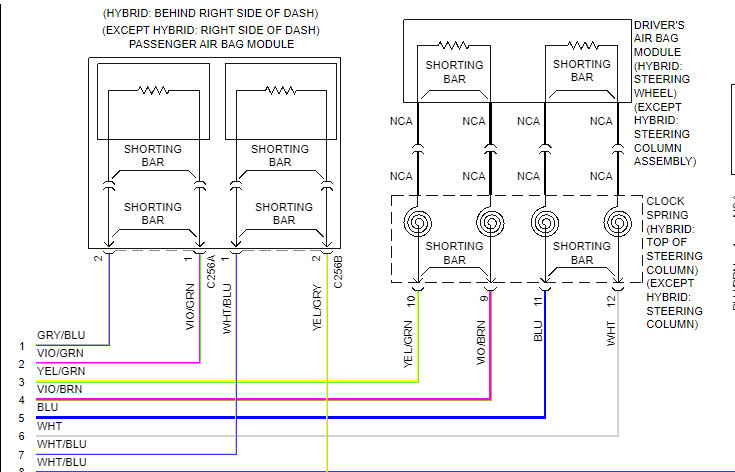
Did you check that the driver's airbag is plugged in correctly? An open circuit, such as an unplugged driver's airbag can cause these codes to set. Once the airbag has been removed from the steering wheel you can also check that the wiring through the clock spring is intact. I have attached a wiring diagram so that you can test the wires pin to pin.
Please take care to move the shorting bars out of the way for resistance checking. Do not test the airbag directly for resistance as this can set the airbag off.

Shorting bars are a safety device that connects or shorts the airbag terminals together when the connector is separated. It’s employed to prevent an open harness connection from being shorted to voltage and ground accidentally deploying the airbag. Carefully disengage the shorting bars from the connector terminals before making your measurements. I use flat plastic toothpicks for this purpose.

How to use a voltmeter.
https://www.2carpros.com/articles/how-to-use-a-voltmeter

Please let us know how you get along.

Cheers, Boris
Was this
answer
helpful?
Yes
No
Tuesday, March 22nd, 2022 AT 6:57 AM

Please login or register to post a reply.