Air ride light on?

Tiny
POWELLCFSR
  • MEMBER
  • 1998 LINCOLN CONTINENTAL
  • 4.6L
  • V8
  • 2WD
  • AUTOMATIC
  • 106,766 MILES
Changed rear airbags, changed the air compressor, and the car still sags in the back.
Monday, April 10th, 2023 AT 1:03 PM

1 Reply

Tiny
KEN L
  • MASTER CERTIFIED MECHANIC
  • 55,335 POSTS
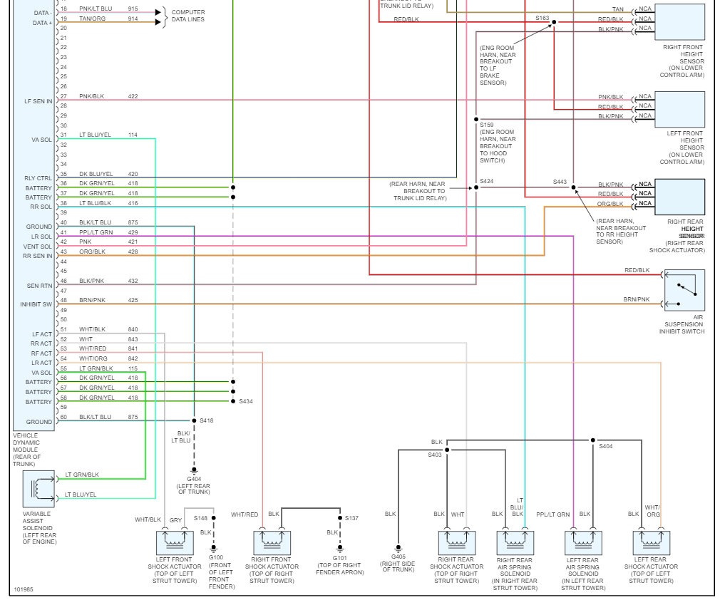
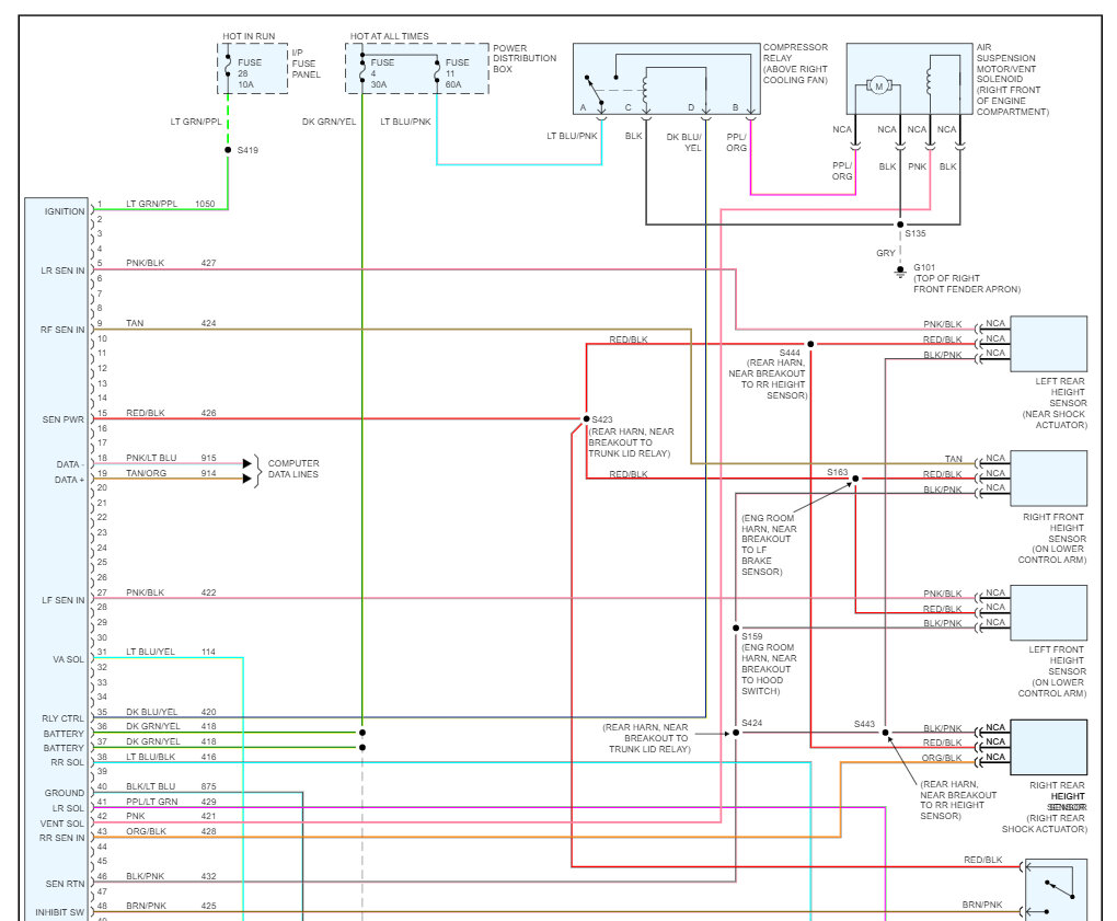
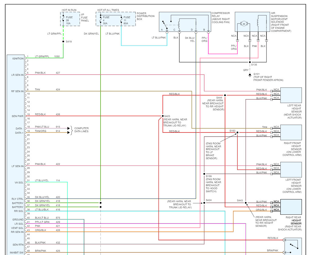
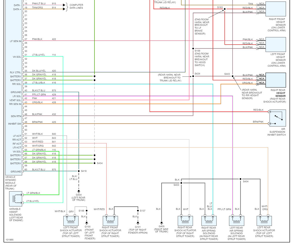
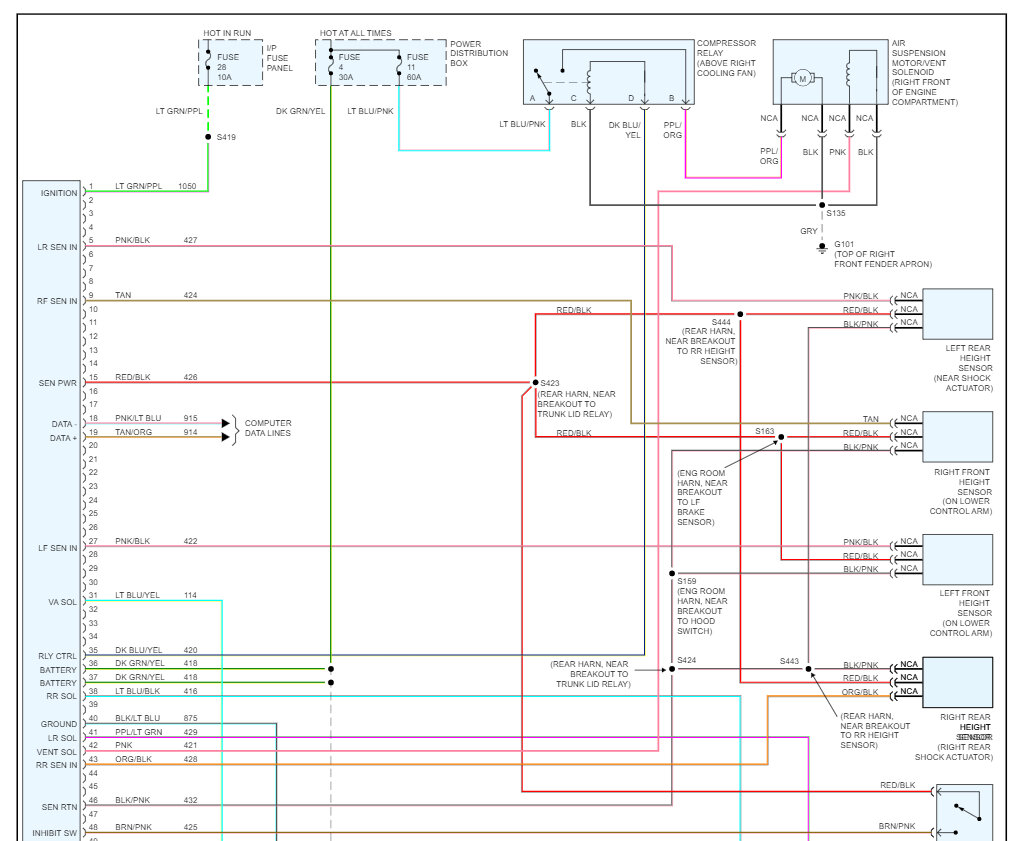
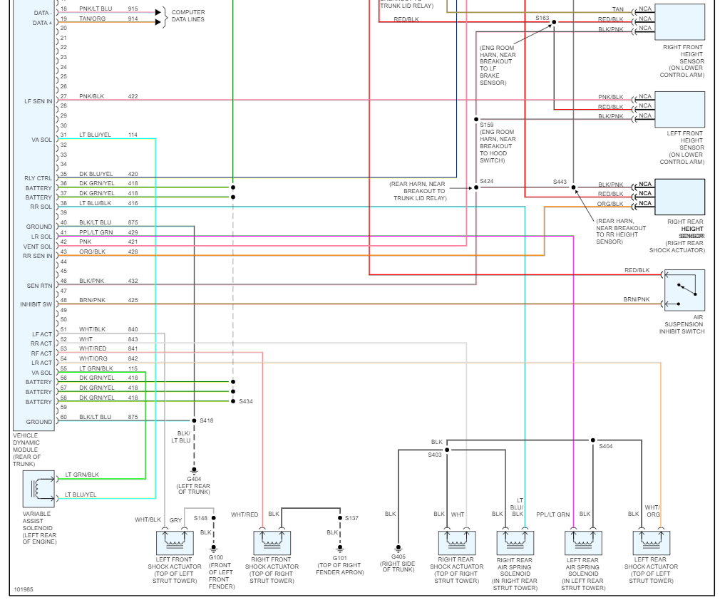
When you turn the key on do you hear the compressor running? If no I would check the fuse #28 in the interior fuse panel and fuse number 4 and 11 in the fuse panel under the hood. If the fuses are good let's swap out the compressor relay above the right cooling fan.

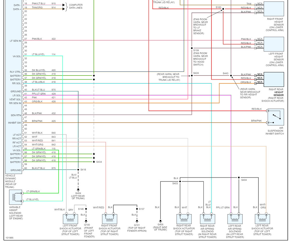
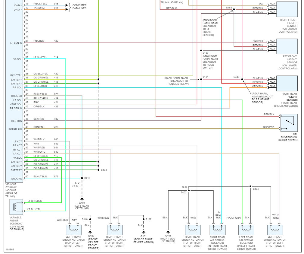
Here is a guide to help and the air suspension wiring diagrams so you can see how the system works:

https://www.2carpros.com/articles/how-to-check-a-car-fuse

Check out the images (below). Please let us know what happens.

Was this
answer
helpful?
Yes
No
Tuesday, April 11th, 2023 AT 9:55 AM

Please login or register to post a reply.