Air Ride compressor not working properly

Tiny
TAWAS23
  • MEMBER
  • 2003 GMC YUKON
  • 6.0L
  • V8
  • 4WD
  • AUTOMATIC
  • 120,000 MILES
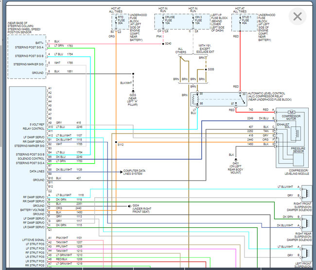
Wanted to find out why my air ride compressor doesn't turn on when plugged into vehicle but will turn on when bench tested. Not sure how to test compressor switch 3 wire plug on compressor and can't find how to even get one if it is bad?I can test the height sensors black and white wires with multimeter but I don't know the readings I should be getting?Also I do get power on orange wire on the factory plug and power on blue wire in line with orange wire going to compressor. Wiring diagram might help out. Thanks for any help. Eric
Saturday, October 9th, 2021 AT 8:23 AM

24 Replies

Tiny
KASEKENNY
  • MECHANIC
  • 18,907 POSTS
Yeah. I think the wiring diagram is going to help you a lot because I think you are close.

We need to find out what we are getting on the red wire as well as this is the direct feed for the compressor.

You could have a fuse issue, relay, or control issue if you have no voltage on this wire which is what I suspect you have if it is not turning on.

https://www.2carpros.com/articles/how-to-check-wiring

So, let's confirm no voltage on the red wire at the compressor and then we can figure out why. Clearly check the fuse and then remove the relay and jump 30 to 87 if you have power on 30.

If the compressor comes on, then we can move to pin 85 and you should have 12 volts. If not, then check the fuse that is feeding 85. If you do, then we need to check pin 86 for control from the module.

You do this by putting your meter lead on battery positive and then the other on terminal 86 and turn the engine on. If your meter reads 12 volts, then the control module is telling the compressor to come on, but the relay is most likely faulty.

If not 12 volts, then we can dig into why the module is not commanding it on.

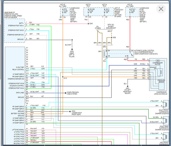
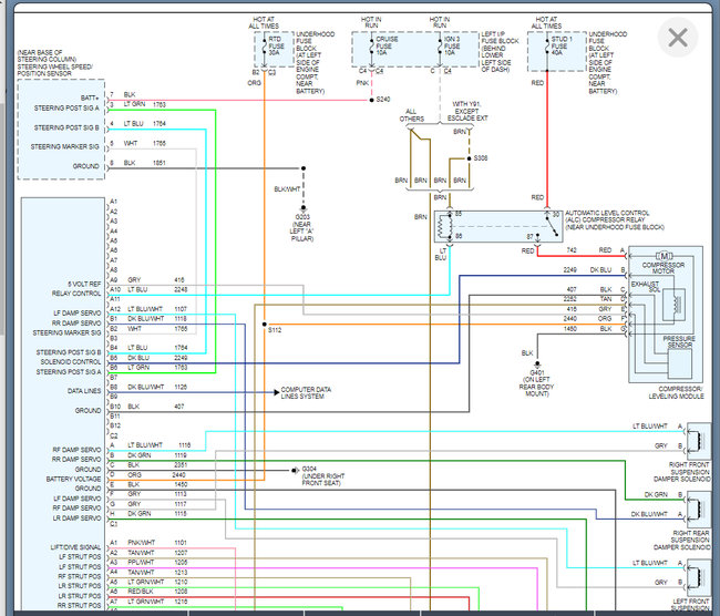
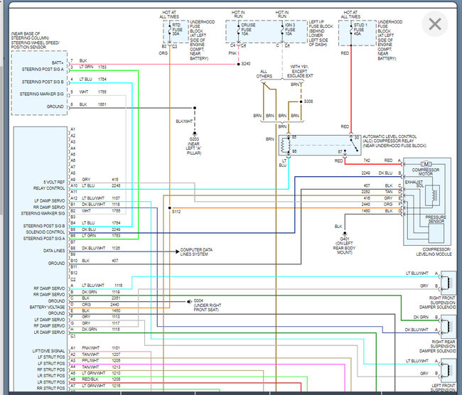
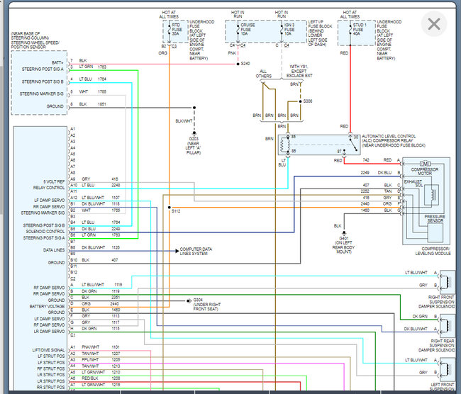
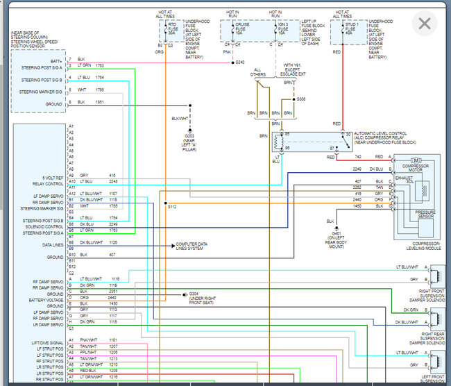
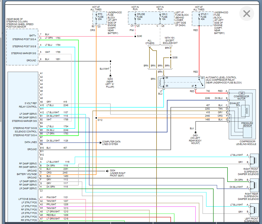
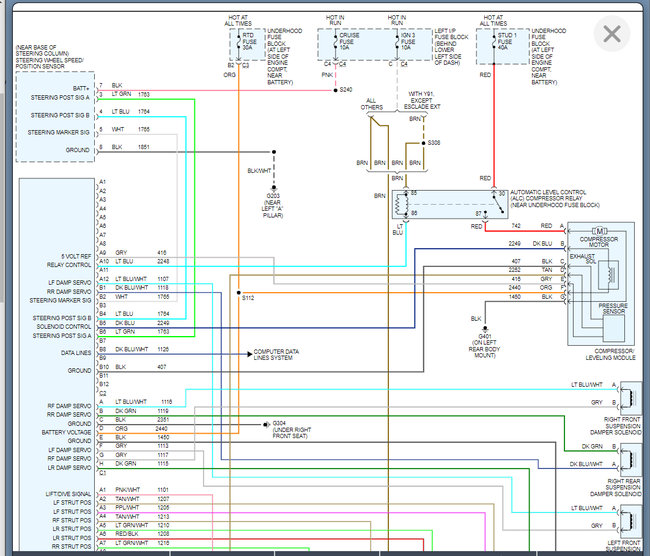
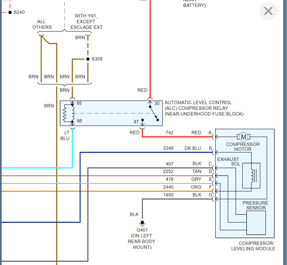
I attached the wiring diagram and the location of this relay below.

Normally GM labels their relays for the terminal locations but let me know if it is not there and we can figure it out.

Thanks
Was this
answer
helpful?
Yes
No
+1
Saturday, October 9th, 2021 AT 8:43 AM
Tiny
TAWAS23
  • MEMBER
  • 35 POSTS
That sounds great. I did check the fuse in engine compartment RTD 30amp its good also stud #1 fuse checks good and another one inside cab fuse box IGN 3 that's good too. I just went out and checked power to relay harness and getting power on pin 85 and 86 with relay out of plug. So that would say the relay isn't working as hear no click or power to 87 or 30 engine on and rear shocks low to ground. Just want to confirm sounds like relay not working as it has no power to pins 87 or 30 correct? Thank you for helping me out I really appreciate it. Eric
Was this
answer
helpful?
Yes
No
Monday, October 11th, 2021 AT 8:17 AM
Tiny
TAWAS23
  • MEMBER
  • 35 POSTS
I just checked my relay and checks good as I used a 12-v battery and jumped pins 86 to 87 and got a click and left it on then took OHM reading on 85 and 30 pins and meter went to zero so that bench test shows good relay I believe. I think I have answers for you on relay and fuses, correct? As for harness engine running relay out of plug (pin #85 red wire 13.5 volts). (Pin #86 brown wire 13.5 volts). (Pin # 87 blue wire zero volts) and (pin #30 blue wire.03 volts). Using multi meter on black probe on battery negative terminal reading with red probe dial on 12volt D/C setting. The wire colors are off on the diagram but believe same function. I hope this is what you need for next step. Thanks
Was this
answer
helpful?
Yes
No
Monday, October 11th, 2021 AT 11:46 AM
Tiny
KASEKENNY
  • MECHANIC
  • 18,907 POSTS
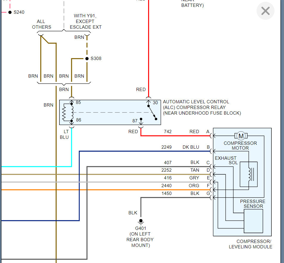
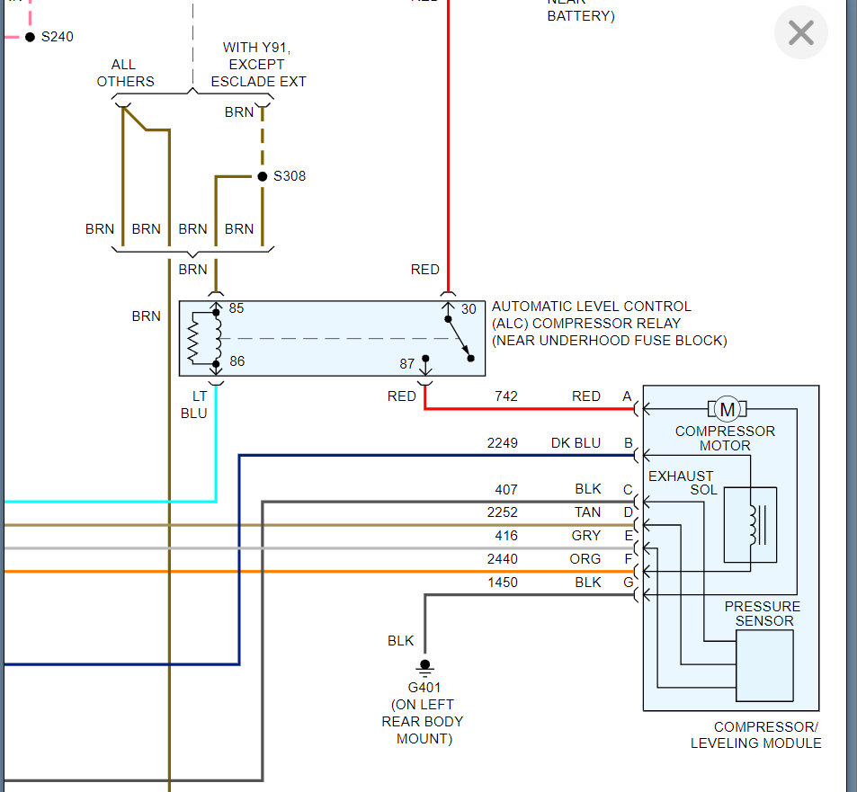
Okay. Let's just double check how you tested each wire. Take a look at the close-up picture of the relay below as you are reading this.

With the engine running and the relay removed, you should have battery voltage at pin 85 and 30. You check this by putting your red meter lead on the brown wire for 85 and then a known good ground. Then the same for 30 and a known good ground.

Then test pin 86 which is the relay control. You do this by taking the meter and put the red lead on pin 85 (if you have battery voltage on 85) and then black lead on pin 86. The meter should read 12 volts. If it does then this means the control module is grounding this circuit which is energizing it and that will close the relay, contact.

Now test the compressor motor. Take a jumper wire and jump pin 30 which should be battery voltage to pin 87. The compressor should come on.

Just reading what you have on each wire, it is close to correct, but this will tell us if the relay is the issue which it sounds like it is not. However, this will tell us for sure or point us to a control module or the compressor.
Was this
answer
helpful?
Yes
No
+1
Monday, October 11th, 2021 AT 2:17 PM
Tiny
TAWAS23
  • MEMBER
  • 35 POSTS
Okay, I just did what you said engine running relay out red lead to pin 85 got 13.5 volts then pin 30 and got zero volts. Then I did second part red lead to pin 85 black lead to pin 86 got.03 volts. Part three jumper wire to pin 30 to pin 87 and nothing happen.
Was this
answer
helpful?
Yes
No
Monday, October 11th, 2021 AT 3:14 PM
Tiny
KASEKENNY
  • MECHANIC
  • 18,907 POSTS
Ok. We may have two issues.

Having 0 volts at pin 30 is where we need to start. This is a direct feed from the Stud 1 fuse. So you said that the fuse was ok but if it is then we have a wiring issue going to the relay. See the wiring diagram below. Terminal 30 at the relay should have 12 volts all the time.

Then checking voltage across the pin 85 and 86 shows the control module is not commanding the compressor on. Let's tackle the no voltage at pin 30 first.

The reason the compressor did not come on when you jumped 30 to 87 is because you have no voltage at 30.

So lets recheck the fuse and go from there. We need to test for 12 volts on both metal tangs of the fuse.
Was this
answer
helpful?
Yes
No
+1
Tuesday, October 12th, 2021 AT 8:06 AM
Tiny
TAWAS23
  • MEMBER
  • 35 POSTS
Okay, I just had a chance to check things out again pin 30 before I thought did not have power and turns out I do have power 14.5 engine running and did the jumper wire from pin 30 to pin 87 compressor does come on. So not sure if that confirms relay issue or something else. Also, I went back to your other post and did the test on pin 85 red probe and pin 86 black probe and did get 13.5 volts.
Was this
answer
helpful?
Yes
No
Monday, October 18th, 2021 AT 1:51 PM
Tiny
KASEKENNY
  • MECHANIC
  • 18,907 POSTS
Okay. If you are getting battery voltage between 85 and 86 then that confirms the suspension module is grounding the relay to command the compressor on.

Then if you jump 30 to 87 and the compressor comes on then that confirms the wiring and compressor are not the issue.

It sounds like you have a failed relay. Have you replaced it? If not, let's replace it and see what happens.

Thanks, and good job. I think you just found your issue.
Was this
answer
helpful?
Yes
No
+1
Monday, October 18th, 2021 AT 4:59 PM
Tiny
TAWAS23
  • MEMBER
  • 35 POSTS
Okay, I just went and bought a new relay and the service ride control message still on and compressor did nothing. I then took battery cables off let it sit 30 minutes and put cables back on and service ride control message came back on with new relay still plugged in. Could it be something that tells the compressor when to turn on after the relay height sensors maybe? Would that be the next thing to test if so how and what wires would control that if that's next?
Was this
answer
helpful?
Yes
No
Tuesday, October 19th, 2021 AT 12:16 PM
Tiny
KASEKENNY
  • MECHANIC
  • 18,907 POSTS
I don't think I knew there was a message of service air ride. You may have mentioned it but that is good info.

https://www.2carpros.com/articles/checking-a-service-engine-soon-or-check-engine-light-on-or-flashing

Can you check for codes and find out what is there? This very well could be a sensor issue or other input that is telling the control module to keep the compressor off. However, if the module is grounding the relay (battery voltage from 85 to 86) then that means the control module is wanting the compressor on. So hopefully we have some codes that help explain this because if not, we missed something.
Was this
answer
helpful?
Yes
No
+2
Tuesday, October 19th, 2021 AT 3:10 PM
Tiny
ALEXX13X
  • MEMBER
  • 24 POSTS
I’m having the same issue here but I’m not getting power to pin 85. All my fuses and voltages are good. I jumped the two and heard the compressor kick on but it will not kick on when the vehicle is running. I’ve also replaced the relax and still nothing. Could it just be a ride height sensor? I’ve been trying to figure this out for a week
Was this
answer
helpful?
Yes
No
Friday, March 27th, 2026 AT 9:37 AM
Tiny
KEN L
  • MASTER CERTIFIED MECHANIC
  • 55,512 POSTS
Yep, you found the problem, you should have power to pin 85, please check the IGN3 fuse in the fuse panel on the left side of the dash and let me know. Ken
Was this
answer
helpful?
Yes
No
Sunday, March 29th, 2026 AT 9:57 AM
Tiny
ALEXX13X
  • MEMBER
  • 24 POSTS
Is that the 10 amp or the 40 amp fuse? Because I’ve tested both of those with a voltmeter and they both tested good.
Was this
answer
helpful?
Yes
No
Sunday, March 29th, 2026 AT 10:07 AM
Tiny
KEN L
  • MASTER CERTIFIED MECHANIC
  • 55,512 POSTS
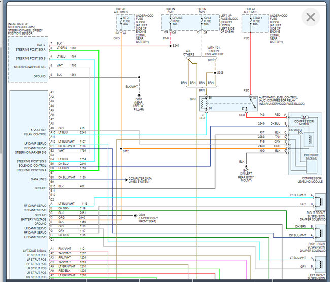
It is the 10 amp fuse, please check this wiring diagram below, you can see the 10 amp fuse powers the 85 terminal. Check out the images (below).
Was this
answer
helpful?
Yes
No
Sunday, March 29th, 2026 AT 10:09 AM
Tiny
ALEXX13X
  • MEMBER
  • 24 POSTS
Yes, I even replaced that fuse just to make sure I’m still not getting power
Was this
answer
helpful?
Yes
No
Sunday, March 29th, 2026 AT 10:33 AM
Tiny
ALEXX13X
  • MEMBER
  • 24 POSTS
I don’t have any codes on the dash and I’ve replaced the front struts and shocks and it rides really really bad. I’m wondering if it’s the electronic control sensor in the rear by the spare tire
Was this
answer
helpful?
Yes
No
Sunday, March 29th, 2026 AT 10:35 AM
Tiny
KEN L
  • MASTER CERTIFIED MECHANIC
  • 55,512 POSTS
You need to have power at terminal 85, this is the problem, can you please check for power at the fuse with the key on? This guide can help

https://www.2carpros.com/articles/how-to-check-a-car-fuse

Please go over this guide and get back to us.
Was this
answer
helpful?
Yes
No
+1
Sunday, March 29th, 2026 AT 10:47 AM
Tiny
ALEXX13X
  • MEMBER
  • 24 POSTS
Sorry, I was at work most of the day. I just tested it and it has 12 V. #23
Was this
answer
helpful?
Yes
No
Sunday, March 29th, 2026 AT 6:29 PM
Tiny
ALEXX13X
  • MEMBER
  • 24 POSTS
Yes it has power. 12.14v
Was this
answer
helpful?
Yes
No
Sunday, March 29th, 2026 AT 6:43 PM
Tiny
ALEXX13X
  • MEMBER
  • 24 POSTS
Also maybe I needed to mention I have a 2015 GMC Yukon Denali
Was this
answer
helpful?
Yes
No
Sunday, March 29th, 2026 AT 6:50 PM

Please login or register to post a reply.