Locate and replace the motor that controls air flow?

Tiny
PHILLIPOWENSDALLAS
  • MEMBER
  • 1998 TOYOTA AVALON
  • 2.3L
  • V6
  • 2WD
  • AUTOMATIC
  • 89,000 MILES
I am dealing with trying to locate and replace the motor that controls air flow in the car. It is stuck on defrost and will blow hot and cool air, but will not change vents. This is the one with the automatic controls, not the manual.

Does anyone have any suggestions or diagrams on this? I am really stuck with a car dash I have about halfway taken apart.

Thanks.
Sunday, February 2nd, 2020 AT 4:41 AM

12 Replies

Tiny
ASEMASTER6371
  • MECHANIC
  • 52,796 POSTS
Good morning,

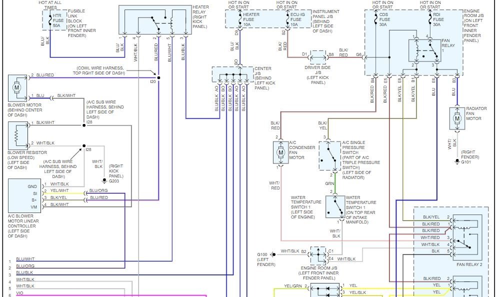
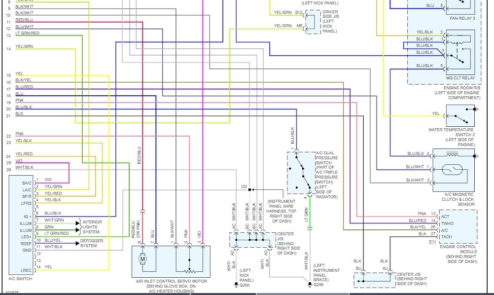
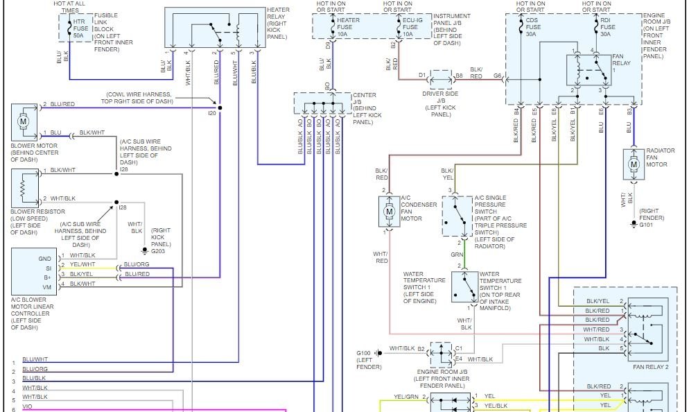
The control head for the A/C sends a command to the servo motor for which direction for the air to flow.

This could be a wiring issue, the control head itself or the servo motor. You need a scan tool that can read the A/C system and perform the commands to see if a signal is getting to the servo motor.

I attached some information for you to view but you need to either check it if you have a scan tool or have someone check it for you to find the failure.

My thoughts are the control head.

Roy
Was this
answer
helpful?
Yes
No
+2
Sunday, February 2nd, 2020 AT 5:31 AM
Tiny
PHILLIPOWENSDALLAS
  • MEMBER
  • 5 POSTS
Thanks so much. Do you have a detail of where the servo motor is for this and how to get to it? And I am assuming by the Control Head you mean the controls for the A/C? The other functions seem to be working okay. Could it still be the control head?
Was this
answer
helpful?
Yes
No
Sunday, February 2nd, 2020 AT 6:00 AM
Tiny
ASEMASTER6371
  • MECHANIC
  • 52,796 POSTS
Yes, that is what controls the servo motor for the modes.

I attached a picture of the location for you.

Roy
Was this
answer
helpful?
Yes
No
+2
Sunday, February 2nd, 2020 AT 3:28 PM
Tiny
PHILLIPOWENSDALLAS
  • MEMBER
  • 5 POSTS
Roy,

Thanks I posted something to the other post. This is what I am looking at but I am still having a hard time finding it. Sorry this is not my day job. Thanks for the patience.
Was this
answer
helpful?
Yes
No
Monday, February 3rd, 2020 AT 6:03 AM
Tiny
STEVE W.
  • MECHANIC
  • 15,687 POSTS
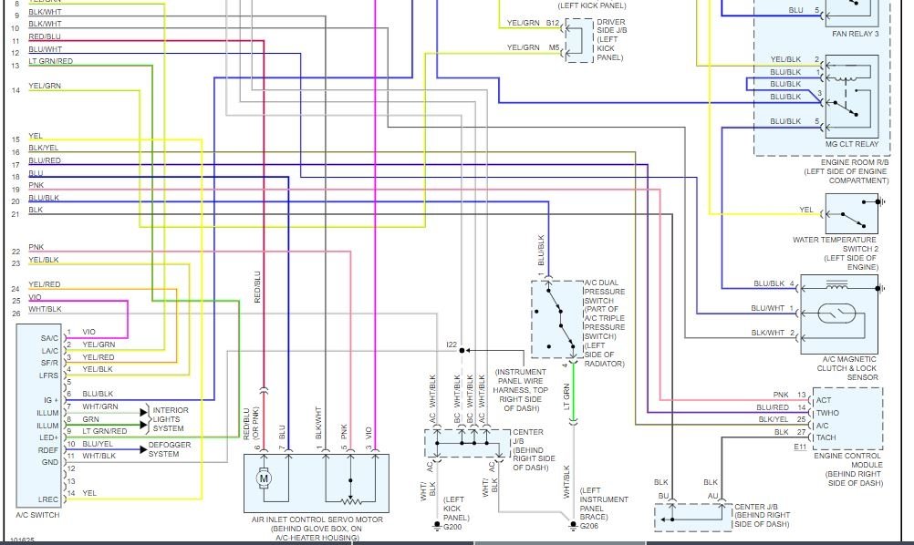
The mode control servo is toward the left side in that picture, behind the purple and blue wire bundle.
Was this
answer
helpful?
Yes
No
Tuesday, February 4th, 2020 AT 9:19 PM
Tiny
TENNESSEESTORM
  • MEMBER
  • 3 POSTS
Hello. Was this ever resolved? I am wondering as I am wanting to purchase a 1999 Avalon XLS with the same issue and wondering how big of a job it is to replace and if the dashboard has to come out? Thanks.
Was this
answer
helpful?
Yes
No
Saturday, June 26th, 2021 AT 6:27 PM
Tiny
STEVE W.
  • MECHANIC
  • 15,687 POSTS
I don't think we ever heard back on it, unfortunately that is very common. If you have the same issue where you cannot switch the air from defrost to dash to floor then you have the same actuator fault. The dash doesn't need to be removed but you do need to pull the instrument trim and the stereo out to gain access to the servo that is tucked in behind it.
Testing and wiring is in the above images.
Was this
answer
helpful?
Yes
No
+1
Saturday, June 26th, 2021 AT 7:39 PM
Tiny
ASEMASTER6371
  • MECHANIC
  • 52,796 POSTS
We usually hear back when it does not work. We never heard either way so we usually assume it did resolve the issue.

No, the dash does not have to come out. The procedure is in the opening statements of the question.

Roy
Was this
answer
helpful?
Yes
No
+1
Sunday, June 27th, 2021 AT 2:42 AM
Tiny
TENNESSEESTORM
  • MEMBER
  • 3 POSTS
Thanks so much for the replies. This is a car I am considering purchasing and the price is a little steep to start with as used cars are priced pretty high right now. I had my mechanic look it up and he kept getting mixed info and wasn't sure if this was the part that was calling for an hour of labor or something that was showing 5.5 hours labor (which was something that said the dash had to come out). With this said, I will be more comfortable paying a little more for the car. Thanks again.
Was this
answer
helpful?
Yes
No
Sunday, June 27th, 2021 AT 5:50 AM
Tiny
ASEMASTER6371
  • MECHANIC
  • 52,796 POSTS
Okay, I attached the labor times for replacing each mode door. The ones they are 4.8 and 5.2 hours are the ones that will require the removal of the dashboard.

Has your mechanic narrowed it down to a specific door?

Roy
Was this
answer
helpful?
Yes
No
Sunday, June 27th, 2021 AT 7:48 AM
Tiny
TENNESSEESTORM
  • MEMBER
  • 3 POSTS
No, just the door that controls where the air comes out. I guess he kept seeing what you had shared the link to and was unsure of what it needed. I am assuming mode door? Everything seems to work okay except the air is only blowing from defroster vent no matter the setting. I have a call in to another guy that knows Toyotas very well to see what he will charge me to replace it. Many thanks.
Was this
answer
helpful?
Yes
No
Sunday, June 27th, 2021 AT 4:04 PM
Tiny
ASEMASTER6371
  • MECHANIC
  • 52,796 POSTS
Okay, the mode door pays.8 hours to replace. That should be about $100.00 plus the part.

I attached a picture of the location for you below.

Roy
Was this
answer
helpful?
Yes
No
Sunday, June 27th, 2021 AT 5:08 PM

Please login or register to post a reply.