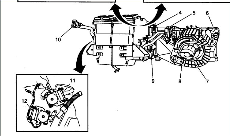
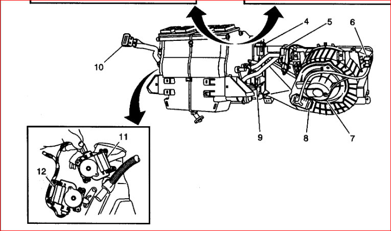
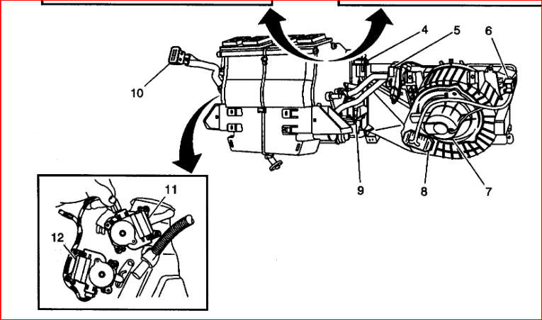
Wednesday, September 26th, 2018 AT 12:38 PM
It comes out of the side ones, the bottom ones, and the top ones under the windshield, but that is it. No clue what is wrong. I have checked and they are not blocked or anything of that sort.

