Air conditioning or heater not coming on at all

Tiny
YSLH209
  • MEMBER
  • 1998 OLDSMOBILE BRAVADA
  • 4 CYL
  • 4WD
  • AUTOMATIC
  • 153,353 MILES
I wanted to know if it's my blower motor the reason why it's not working because I was told it's not getting power from it.
Tuesday, August 4th, 2020 AT 2:29 PM

1 Reply

Tiny
KASEKENNY
  • MECHANIC
  • 18,907 POSTS
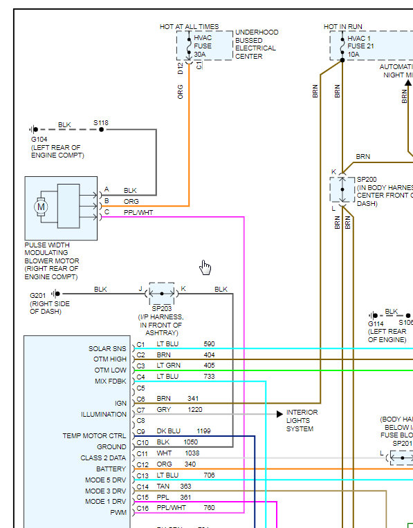
Let's clarify the issue first and I think that will answer the question. What I understand is that you are turning the system on and there is no air coming out of the vents? If this is the case then yes, the blower motor is not coming on. This could be due to it not getting power due to a fuse, relay, or faulty motor.

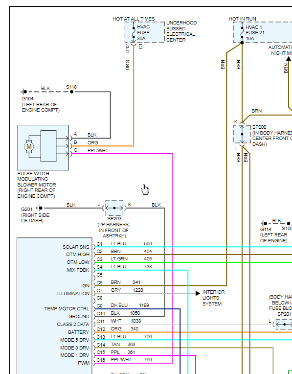
I attached the info about the wiring and where the fuse is. Let's start with checking the fuse and then we will need to check the motor to make sure it works if we apply power to it.

https://www.2carpros.com/articles/how-to-check-a-car-fuse

Let us know and we can go from there. Thanks
Was this
answer
helpful?
Yes
No
Tuesday, August 4th, 2020 AT 3:05 PM

Please login or register to post a reply.