Blower motor not working

Tiny
THOMTWO
  • MEMBER
  • 2001 CHRYSLER PT CRUISER
  • 2WD
  • 60,000 MILES
I have no air conditioning and the power windows do not work.
Tuesday, June 22nd, 2021 AT 2:24 PM

1 Reply

Tiny
KASEKENNY
  • MECHANIC
  • 18,907 POSTS
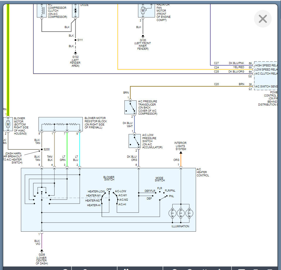
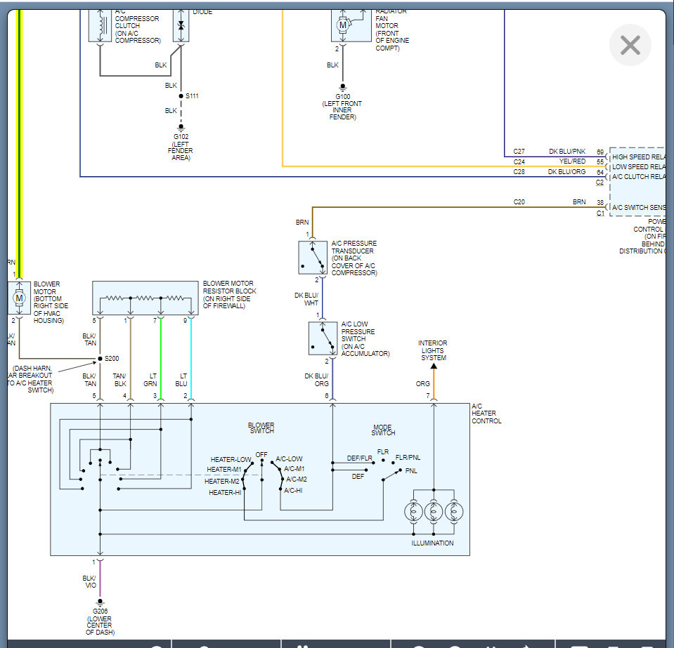
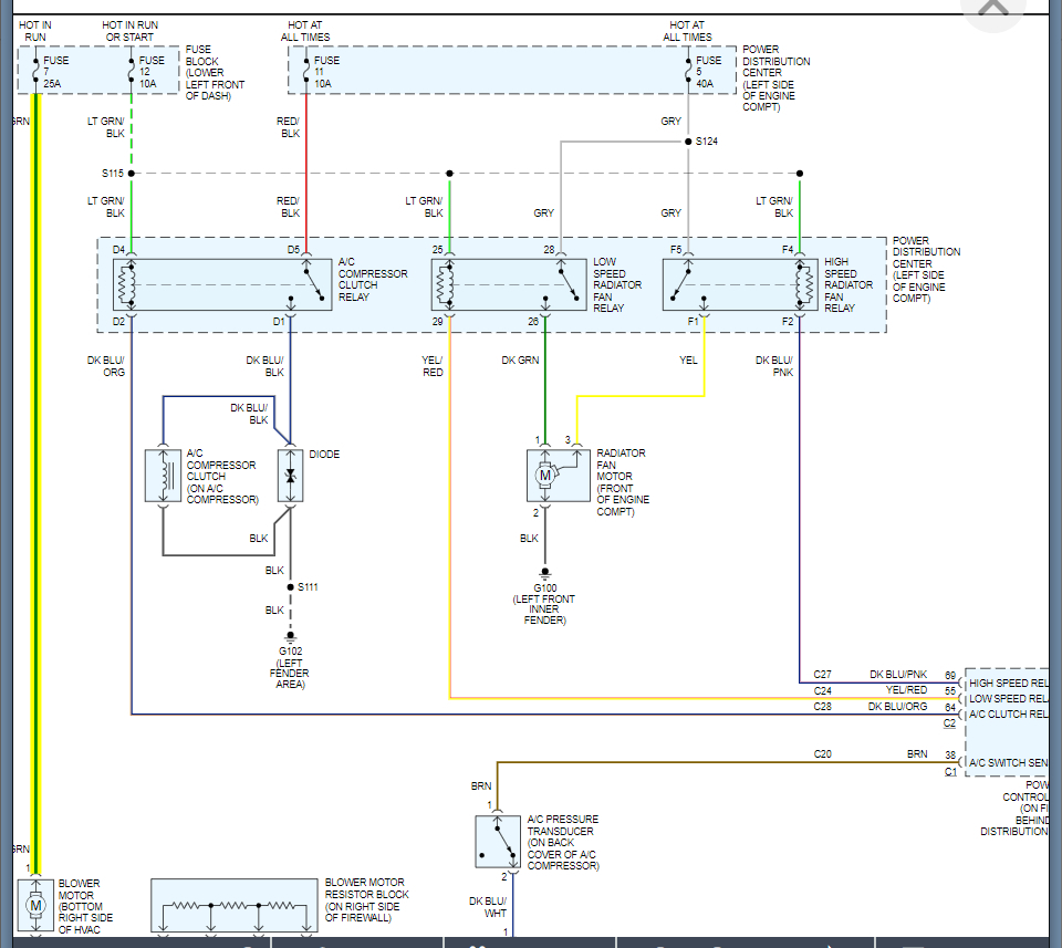
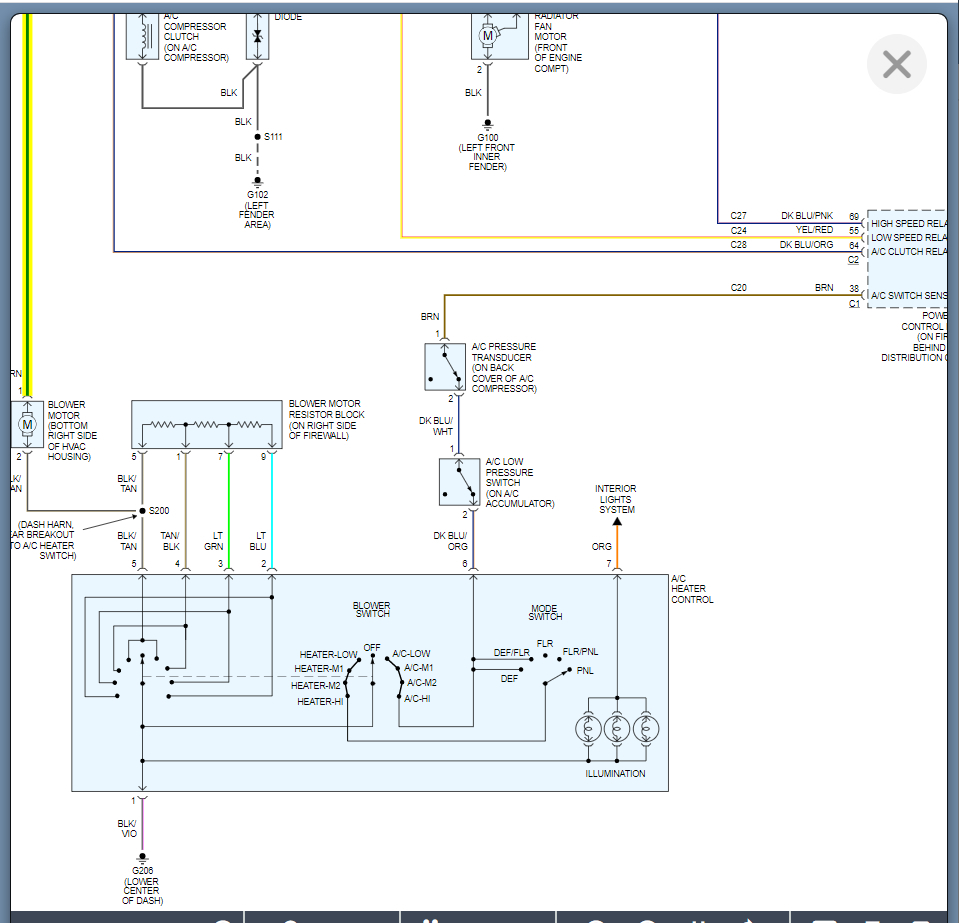
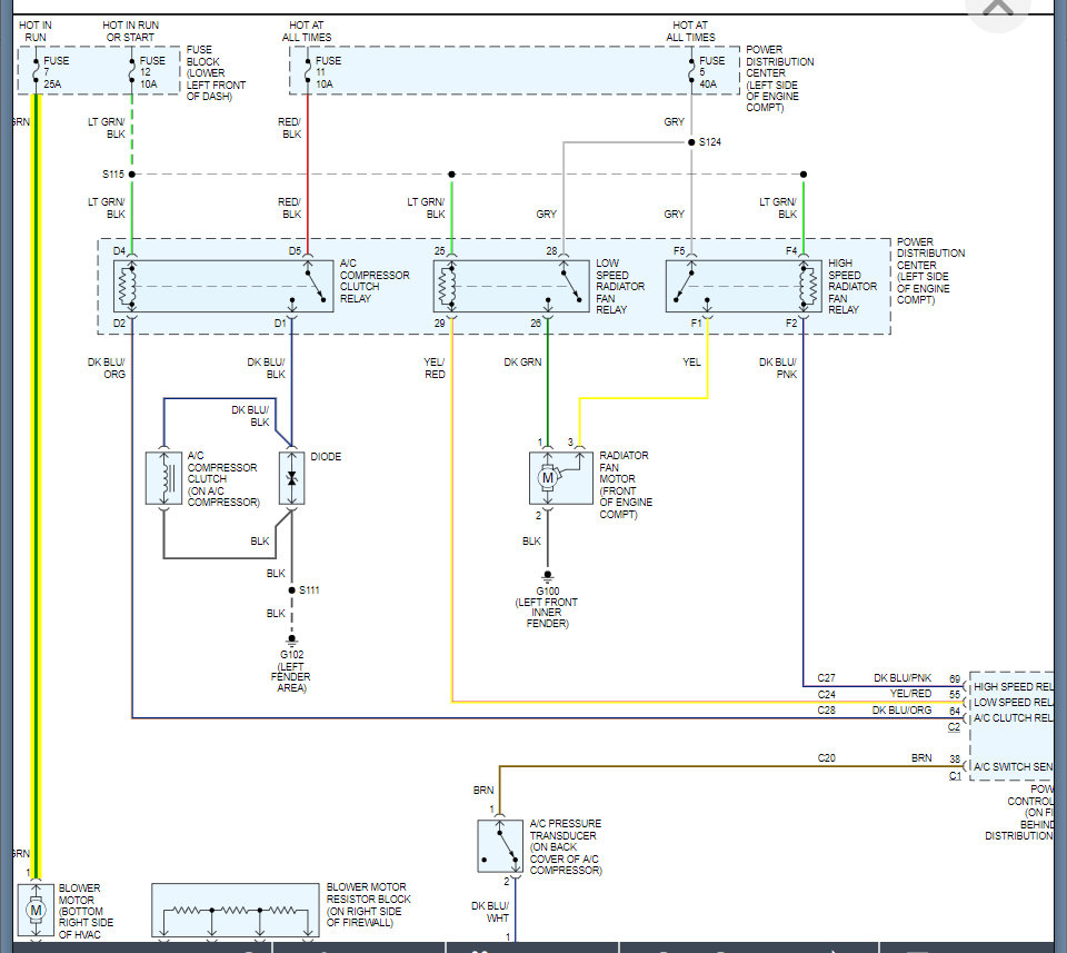
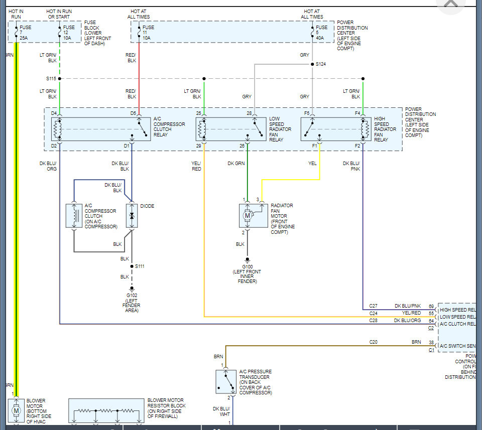
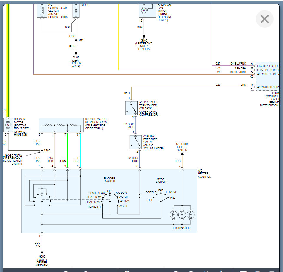
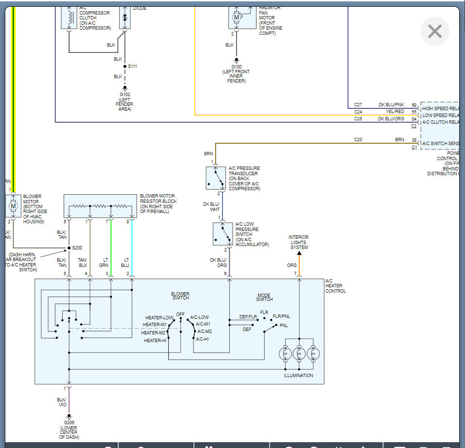
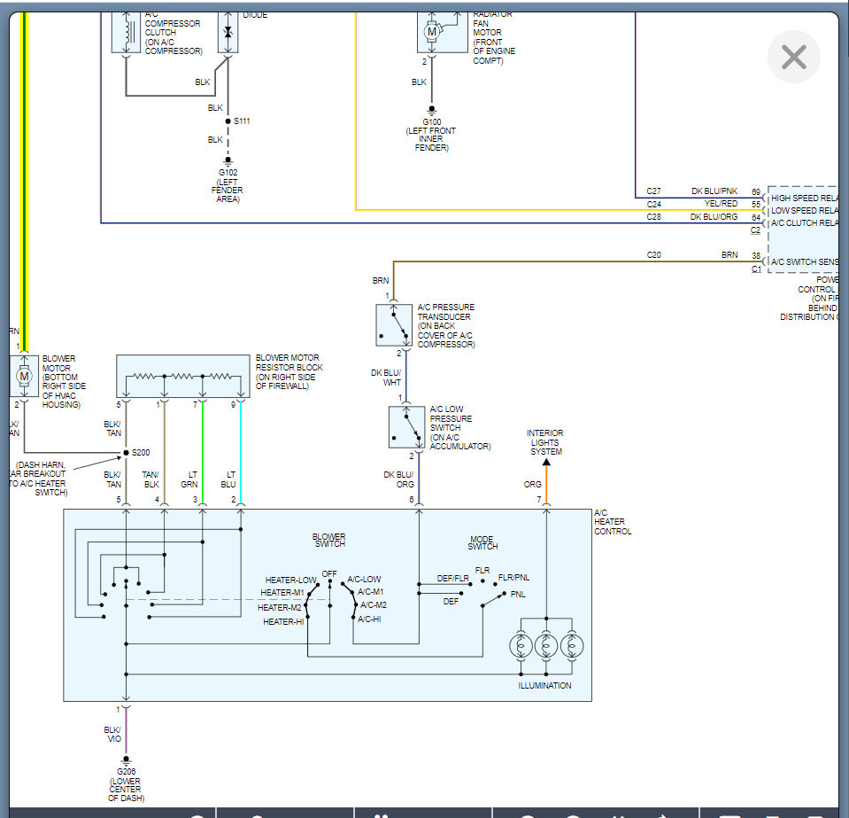
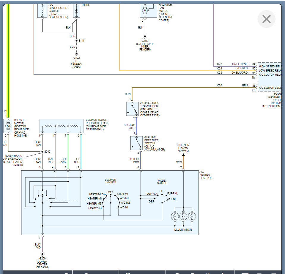
It is unlikely that these issues are related so let's start with checking the fuse and then grounding the blower motor. You do this by using a wire to jump the black/tan wire to ground and see if the blower motor comes on.

https://www.2carpros.com/articles/how-to-check-wiring

If it does then the resistor or control head is the issue.

Let's start with this info and go from there. I would suggest we start a new post on the window issue as we need to keep each post to one issue.

Let me know if you have questions on this. Thanks
Was this
answer
helpful?
Yes
No
+1
Wednesday, June 23rd, 2021 AT 5:34 PM

Please login or register to post a reply.