Air conditioning not working?

Tiny
ASEMASTER6371
  • MECHANIC
  • 52,796 POSTS
Did you charge the battery back to full charge?

Roy
Was this
answer
helpful?
Yes
No
Monday, June 8th, 2020 AT 5:27 PM
Tiny
DAVID WILHITE
  • MEMBER
  • 13 POSTS
Yes, it was the security which now the lights blinks most of the time. I will try to get new volt readings now that the new module is in.
Was this
answer
helpful?
Yes
No
Tuesday, June 9th, 2020 AT 8:31 AM
Tiny
ASEMASTER6371
  • MECHANIC
  • 52,796 POSTS
Okay, good. Keep me updated with the results?

Roy
Was this
answer
helpful?
Yes
No
Tuesday, June 9th, 2020 AT 8:35 AM
Tiny
DAVID WILHITE
  • MEMBER
  • 13 POSTS
Sorry for delay, but just removed comp and high pressure switch in rear. There was a bent male prong in switch and no connection. I went ahead and replaced all three pressure switches, re-installed comp, pulled vacuum and no leaks. Added one 12 oz can and compressor came on pressures are 34 low and 250 high. Temp is 85 vents are cold. I read that this truck needs 30 oz, should I add more and are these pressures okay? Thanks.
Was this
answer
helpful?
Yes
No
Saturday, June 13th, 2020 AT 12:14 PM
Tiny
ASEMASTER6371
  • MECHANIC
  • 52,796 POSTS
The low pressure is a little high. It should be 30 tops and rock solid.

As long as it is cold at the vents, you are good.

Do not install more Freon. That will overcharge it and cause it not to blow cold air.

Roy
Was this
answer
helpful?
Yes
No
Saturday, June 13th, 2020 AT 12:24 PM
Tiny
CINDYDENMARK
  • MEMBER
  • 2 POSTS
  • 1999 GMC SIERRA
  • 220,000 MILES
Getting hot air regardless if A/C is on or just fan or outside air or inside air. Temperature control and be on cold and the air is hot, if on hot then air is hotter. Not sure if a control issue, air actuator issue, thermostat. Any suggestions would be appreciated. Compressor is working and Freon seems good.
Was this
answer
helpful?
Yes
No
Friday, December 18th, 2020 AT 9:47 AM (Merged)
Tiny
CADIEMAN
  • MECHANIC
  • 3,544 POSTS
Is the AC clutch engaging? If not you will need to check the Freon level is maybe why the clutch isnt engaging. This guide and video can help as well

https://www.2carpros.com/articles/car-air-conditioner-not-working-or-is-weak

and

https://youtu.be/4UjfQKvrB6Y

Let us know what happens and please upload pictures or videos of the problem.
Was this
answer
helpful?
Yes
No
Friday, December 18th, 2020 AT 9:47 AM (Merged)
Tiny
CINDYDENMARK
  • MEMBER
  • 2 POSTS
Thanks for the guide and video the system was low on charge, I got a kit from autozone blows nice and cold now :)
Was this
answer
helpful?
Yes
No
Friday, December 18th, 2020 AT 9:47 AM (Merged)
Tiny
CJ MEDEVAC
  • MECHANIC
  • 11,005 POSTS
Nice work, we are here to help, please use 2CarPros anytime.
Was this
answer
helpful?
Yes
No
Friday, December 18th, 2020 AT 9:47 AM (Merged)
Tiny
JOSE RICARDO KIKI GONZALEZ
  • MEMBER
  • 3 POSTS
  • 1995 GMC SIERRA
  • 5.6L
  • V8
  • 4WD
  • AUTOMATIC
  • 300,000 MILES
K2500. Not sure if this the problem but on the climate control A/C button it doesn't light. So the compressor to HVAC doesn't turn on. Only blows hot air. Not sure what I can check or is it something else. Just need advice.
Was this
answer
helpful?
Yes
No
Friday, December 18th, 2020 AT 9:47 AM (Merged)
Tiny
ASEMASTER6371
  • MECHANIC
  • 52,796 POSTS
Good afternoon,

Do you have gauges to check the pressures on the high and low sides?

https://www.2carpros.com/articles/car-air-conditioner-not-working-or-is-weak

Did you check all the fuses for power on both sides?

Roy
Was this
answer
helpful?
Yes
No
Friday, December 18th, 2020 AT 9:47 AM (Merged)
Tiny
JOSE RICARDO KIKI GONZALEZ
  • MEMBER
  • 3 POSTS
I already checked the gauges also tried to add Freon just wanting to let you know. At first it only was blowing below but corrected that. As for the gauges to check the pressure I don't have one personally yet.
Was this
answer
helpful?
Yes
No
Friday, December 18th, 2020 AT 9:47 AM (Merged)
Tiny
ASEMASTER6371
  • MECHANIC
  • 52,796 POSTS
You checked the gauges but you don't have gauges to check?

Please explain? What were the pressures?

Roy
Was this
answer
helpful?
Yes
No
Friday, December 18th, 2020 AT 9:47 AM (Merged)
Tiny
JOSE RICARDO KIKI GONZALEZ
  • MEMBER
  • 3 POSTS
Sorry, I meant I check the fuses.
Was this
answer
helpful?
Yes
No
Friday, December 18th, 2020 AT 9:47 AM (Merged)
Tiny
ASEMASTER6371
  • MECHANIC
  • 52,796 POSTS
Did you check for power at the fuses with a test light?

Can you give me numbers on the gauges? I need this information to help you.

Roy
Was this
answer
helpful?
Yes
No
Friday, December 18th, 2020 AT 9:47 AM (Merged)
Tiny
CORNGOLD3
  • MEMBER
  • 2 POSTS
  • 1991 GMC SIERRA
  • 5.7L
  • V8
  • 2WD
  • AUTOMATIC
  • 132,000 MILES
Truck listed above is a C1500. When I push the A/C button the clutch assembly does not engage to turn the compressor on. I have ran a wire from the positive terminal to the A/C harness and the clutch then engages. I replace the low pressure/cutoff switch on the accumulator but it still does not work. I have a new compressor, accumulator, any idea what's going on with this unit?
Was this
answer
helpful?
Yes
No
Friday, December 18th, 2020 AT 9:47 AM (Merged)
Tiny
94 TRANSAM
  • MECHANIC
  • 680 POSTS
I would start with the A/C clutch relay.

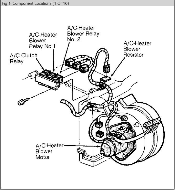
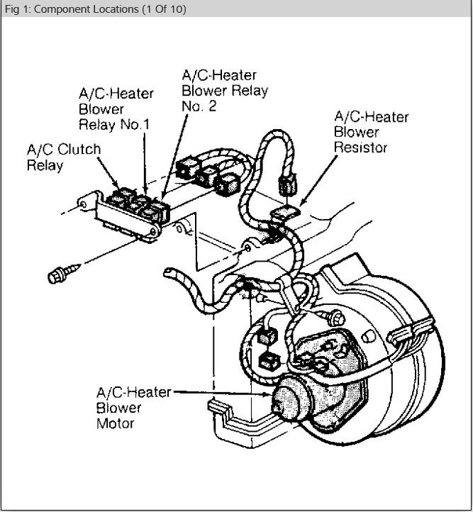
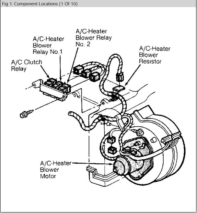
Location is behind the right side of the dash sitting on top of the air-box. See diagram below.

Make sure you check the fuse and confirm voltage to the relay.

Confirm you have a good ground at the clutch winding.

Wiring diagram below also.

Also check the charge level. If it is too low the clutch will not engage.

https://www.2carpros.com/articles/car-air-conditioner-not-working-or-is-weak

https://www.2carpros.com/articles/air-conditioner-how-to-add-freon

Rich
Was this
answer
helpful?
Yes
No
Friday, December 18th, 2020 AT 9:47 AM (Merged)
Tiny
CORNGOLD3
  • MEMBER
  • 2 POSTS
Hello 94 TransAm, I pull the relay pack out and verified all 3 of the relays and they all checked out good, I even swapped the A/C clutch relay with the other 2 relays and the compressor clutch still will not pull in. I jumped the A/C control switch on the accumulator out to see if that was the trouble but it still did not pull in. I pulled the relays off and verified that they were operating correctly by applying 12 volts to pins 30 and 87(?) And I heard the relay exercise(all 3) I measure the resistance between 85 and 86 and all 3 produced 74-75 ohms. What would you recommend I do next?
Was this
answer
helpful?
Yes
No
Friday, December 18th, 2020 AT 9:47 AM (Merged)
Tiny
94 TRANSAM
  • MECHANIC
  • 680 POSTS
Just because you hear a click from a relay doesn't mean its working. The click is the electromagnet pulling in the contact for the load circuit. Over time that contact gets charred and burnt and will no longer pass current. This is more common in a bad relay than to not hear the click. When testing relays you need to first put 12v to the trigger side and see if it does click. Then you need to leave it plugged in, trigger the relay and check the output voltage on the relay. If you do this unplugged you may read 12v no load but that burnt contact will pass voltage but not current. Thus it will read 12v free but under load it may read.03v for example.

You should always test relays in circuit.
You should also confirm you have 12v on the feed circuit for the load circuit. If there is an issue before the relay it's obviously not going to work.

Also, all the switches in the system are tied together, so as I said before you need to put a gauge on it and check the charge level. Too much gas or not enough will kill the clutch circuit. You need to confirm the charge is correct. You could be doing all this testing over it needs gas or its over charged.

Let me know what you find.

Rich
Was this
answer
helpful?
Yes
No
Friday, December 18th, 2020 AT 9:47 AM (Merged)
Tiny
ADELEKRISTINA
  • MEMBER
  • 1 POST
  • 1994 GMC SIERRA
  • V8
  • 2WD
  • AUTOMATIC
  • 180,000 MILES
My ac is blowing but not getting cool. I have been told I can try getting it a recharge but that there could be complications in that because it may need to be converted from r12 to 134a. I don't know if my truck is r12 currently or not though. So I need to know how I can find that out and once I know that, what would be the next best step to take to get my air blowing cool. I t worked just fine last year, so I dont know when or why it's not working this summer.
Was this
answer
helpful?
Yes
No
Monday, January 11th, 2021 AT 9:29 AM (Merged)

Please login or register to post a reply.