Monday, July 24th, 2017 AT 5:58 PM
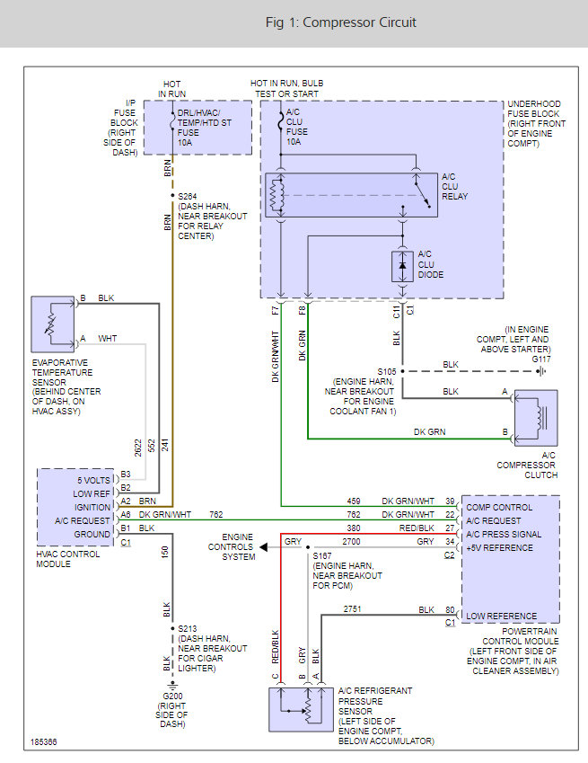
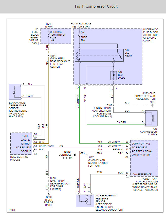
Compressor clutch will not come on. It has the right amount of pressure on the lines. It is getting current to the relays, but no current to the compressor. I stopped for gas and when I restarted the engine the compressor would not kick on. Like I said we tested the current from the inside to the relay box under the hood. Checked the pressure and the system is full. Just no current to the compressor.


