HOME
ASK A QUESTION
REPAIR GUIDES
BECOME A MEMBER
LOG IN
Login with Facebook
OR
Remember me
NOT A MEMBER?
FORGOT PASSWORD?
CONTACT US
PRIVACY POLICY
TERMS AND CONDITIONS
☰
Home
Buick
Lesabre
Climate Control
Air Conditioner
Blows Hot
Air conditioning blowing hot air
DANA_BOURDAGE
MEMBER
1999 BUICK LESABRE
6 CYL
2WD
AUTOMATIC
11,000 MILES
System has been recharged but still only blows hot air.
Monday, August 12th, 2019 AT 3:42 PM
1 Reply
ASEMASTER6371
MECHANIC
52,796 POSTS
Good evening,
Is the compressor engaged?
https://www.2carpros.com/articles/car-air-conditioner-not-working-or-is-weak
Can you give me the high and low side readings of the pressure?
This could be an electrical issue or it could be something with a blend door if the compressor is on.
Roy
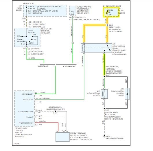
Images (Click to make bigger)
Was this
answer
helpful?
Yes
No
Monday, March 22nd, 2021 AT 11:26 AM
Please
login
or
register
to post a reply.
Related Air Conditioner Blows Hot Content
1997 Buick Lesabre Does Not Blow Hot Air
Heater Problem 1997 Buick Lesabre Two Wheel Drive Automatic 150, 00 Miles I Had Someone Look At The Car, They Said It Was 1 Of 3...
Asked by
MaryJM
·
3 ANSWERS
1997
BUICK LESABRE
A/c Not Working On 1994 Buick Lesabre
The Light For The A/c (econ) Doesn't Work Anymore For Some Odd Reason. I Thought It Could Be A Fuse But There Wasn't A Specific Spot For "a...
Asked by
kzetah44
·
2 ANSWERS
1994
BUICK LESABRE
2000 Buick Lesabre Air Is Not Cool
Air Conditioning Problem 2000 Buick Lesabre 6 Cyl Front Wheel Drive Automatic Hot Air Coming Out Has No Leaks And Enough Freeon Bower...
Asked by
dhtuttle1
·
2 ANSWERS
2000
BUICK LESABRE
A/c Will Not Kick In
Six Cylinder Front Wheel Drive Automatic 140,000 Miles. 3.8 L Engine, R1`134a Refrigerant. My A/c Was Not Doing A Good Job In Cooling...
Asked by
rsukovich
·
12 ANSWERS
1995
BUICK LESABRE
1990 Buick Lesabre A/c Compressor
My A/c Compressor Is Bad But I Never Use My A/c So I Was Wondering If I Could Bypass The Compressor And Just Use A Smaller Belt? If So How...
Asked by
brian boswell
·
3 ANSWERS
1990
BUICK LESABRE
VIEW MORE
Ask a Car Question. It's Free!
Fix an Air Conditioning Not Working Video
Top off Automotive Air Conditioning
How to Find Low Side A/C Service Port