Does the air conditioning have a fuse?

Tiny
OSCAR ORLANDO
  • MEMBER
  • 1992 CHEVROLET S-10
  • 4.3L
  • V6
  • 2WD
  • AUTOMATIC
  • 200,000 MILES
The air conditioning does not work. Blower works heat works. Pump won’t kick in when I turn on for air conditioning.
Monday, May 10th, 2021 AT 12:11 PM

1 Reply

Tiny
KASEKENNY
  • MECHANIC
  • 18,907 POSTS
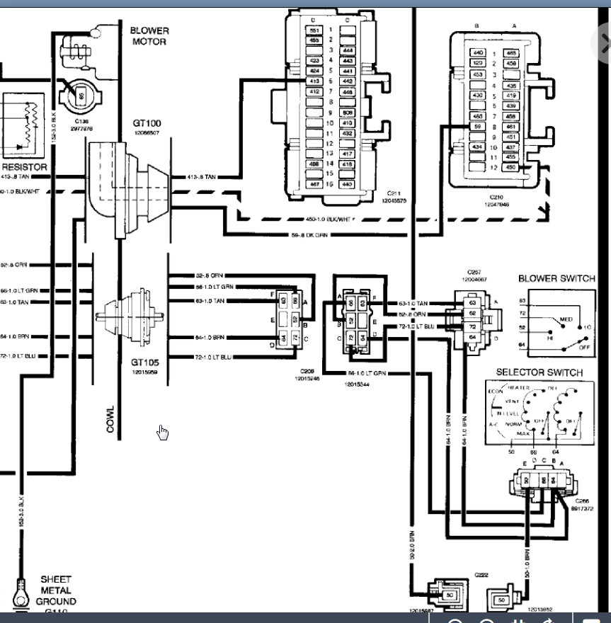
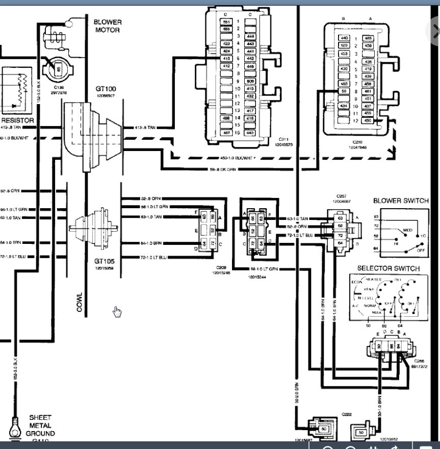
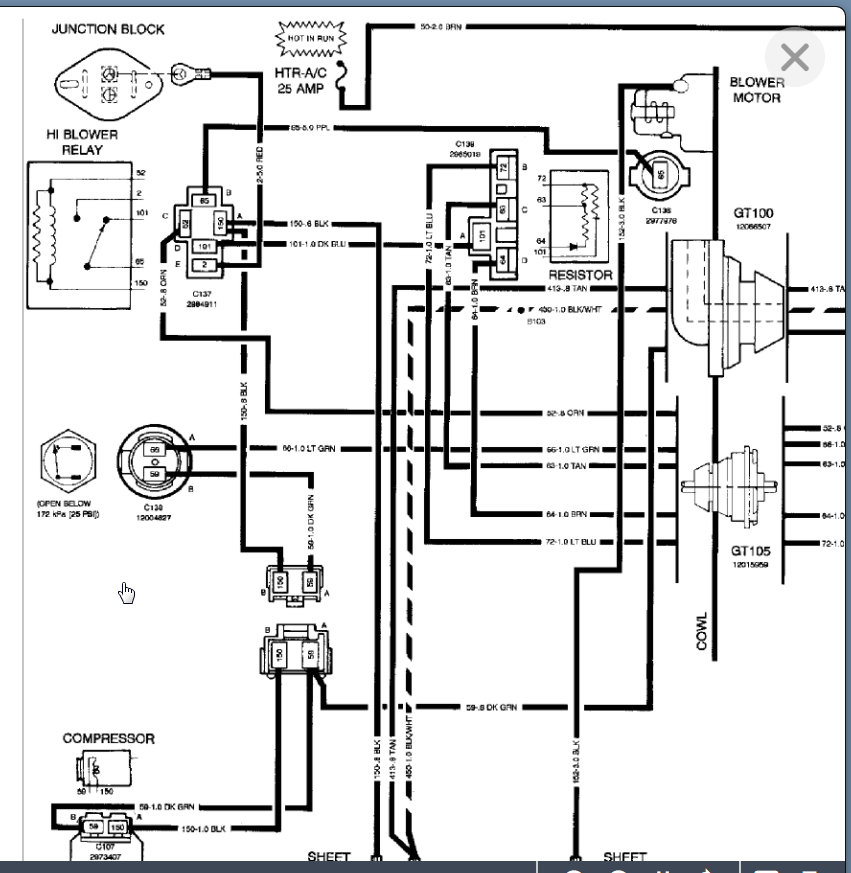
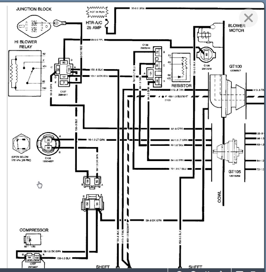
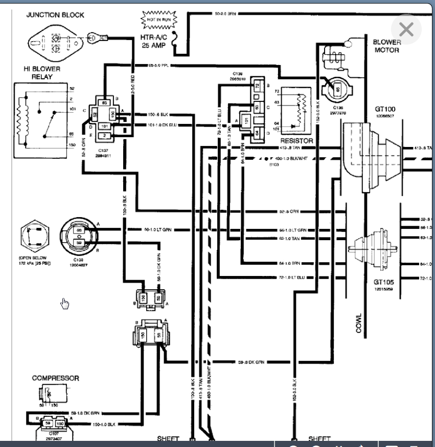
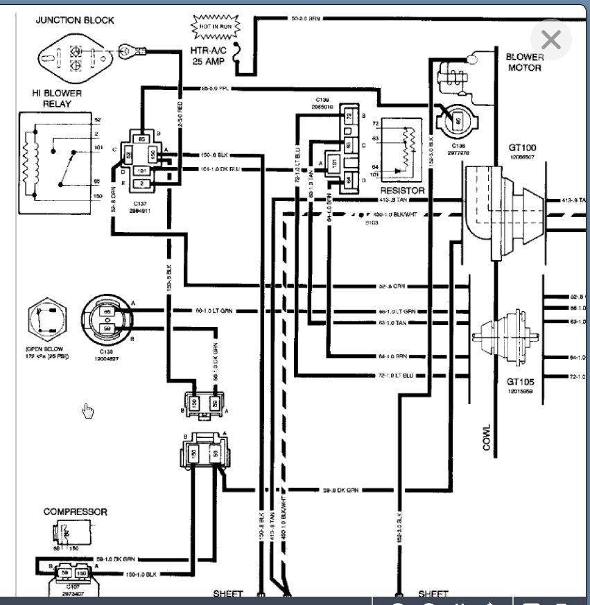
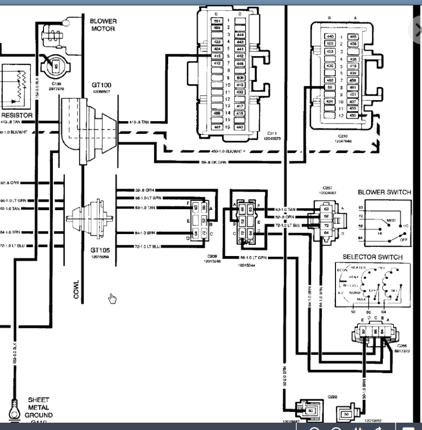
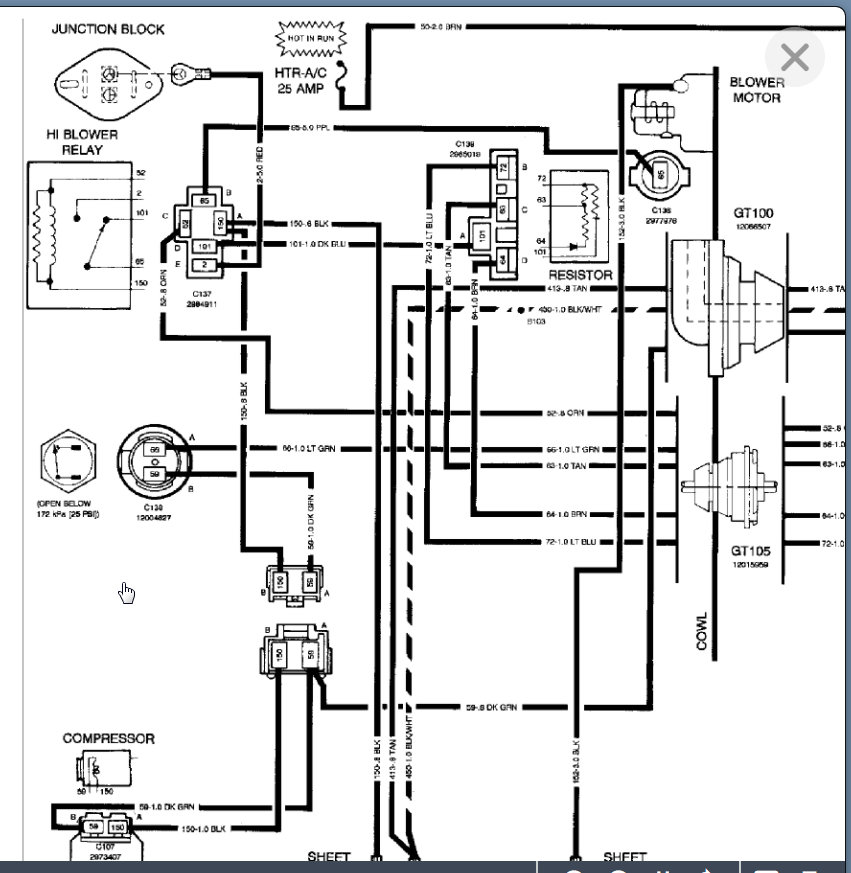
There is a fuse called the HTR-AC fuse. The best way to figure this out is to jump power to the compressor to see if the compressor comes on.

If it does then we need to check the pressures on the high and low side. Here is a guide that will help with this:

https://www.2carpros.com/articles/re-charge-an-air-conditioner-system

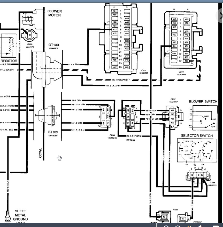
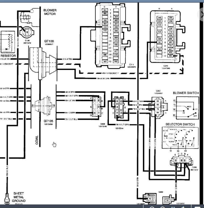
Below are the wiring diagrams and a chart that will help with figuring out what the pressure may indicate.

Let me know what questions you have. Thanks
Was this
answer
helpful?
Yes
No
+1
Tuesday, May 11th, 2021 AT 5:07 PM

Please login or register to post a reply.