Air conditioner not working

Tiny
ELLEN NORD BOAHN
  • MEMBER
  • 2004 CHEVROLET CAVALIER
  • 100,000 MILES
Charged with Freon. Relay will not turn clutch. Not getting signal to relay.
Saturday, July 29th, 2017 AT 7:08 AM

3 Replies

Tiny
KEN L
  • MASTER CERTIFIED MECHANIC
  • 55,335 POSTS
Hello,

If the pressure is full and it is not getting a signal my first thing I would test is the pressure switch. The switch will connect when the pressure is correct. Jumper across the two wire connector and see if it has power as well.

Please let us know what happens, we are interested to see what it is.

Cheers, Ken
Was this
answer
helpful?
Yes
No
Saturday, July 29th, 2017 AT 2:17 PM
Tiny
ELLEN NORD BOAHN
  • MEMBER
  • 2 POSTS
Pressure switch is fine. Not getting signal from switch inside car unless I straight wire it.
Was this
answer
helpful?
Yes
No
Saturday, July 29th, 2017 AT 6:00 PM
Tiny
KEN L
  • MASTER CERTIFIED MECHANIC
  • 55,335 POSTS
Hello,

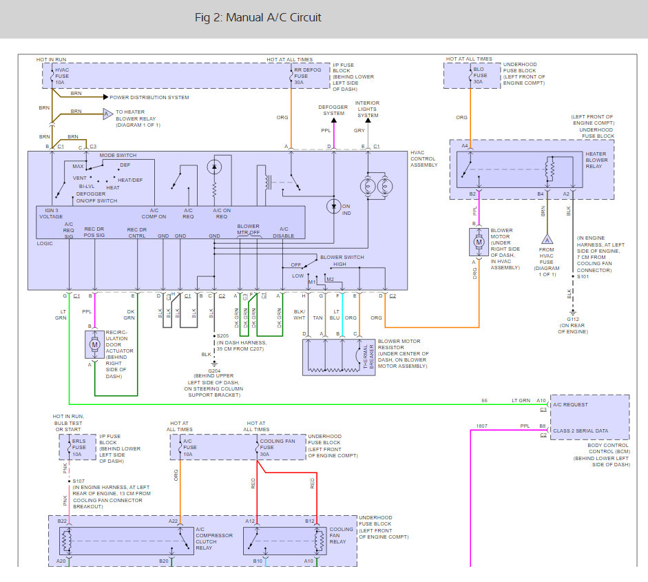
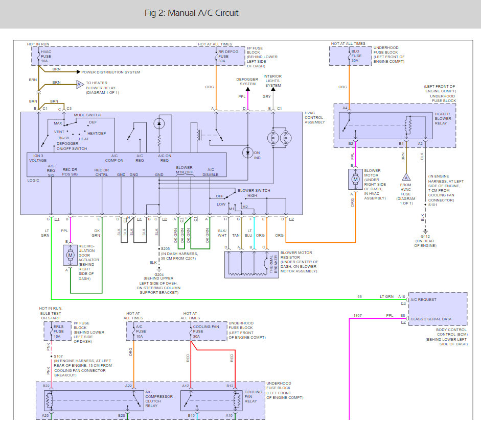
We must have a power failure or an open circuit somewhere or possible a bad fuse. Here are some diagrams (below) and some guides to help you, get some testing done.

https://www.2carpros.com/articles/how-to-check-a-car-fuse

and

https://www.2carpros.com/articles/how-to-use-a-test-light-circuit-tester

Please run some tests and get back to us we are interested to see what it is.

Cheers, Ken
Was this
answer
helpful?
Yes
No
Sunday, July 30th, 2017 AT 5:43 PM

Please login or register to post a reply.