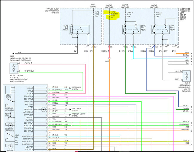
It was a very hot day; I drove for 30-minutes with the A/C blower fan on highest setting. The A/C and blower fan was working fine. I parked and turned the ignition key off while the A/C blower fan was still on highest setting.
When I returned to the car 20-minutes later, the A/C blower fan did not come on when I turned the dial. It is not working 3-days later.
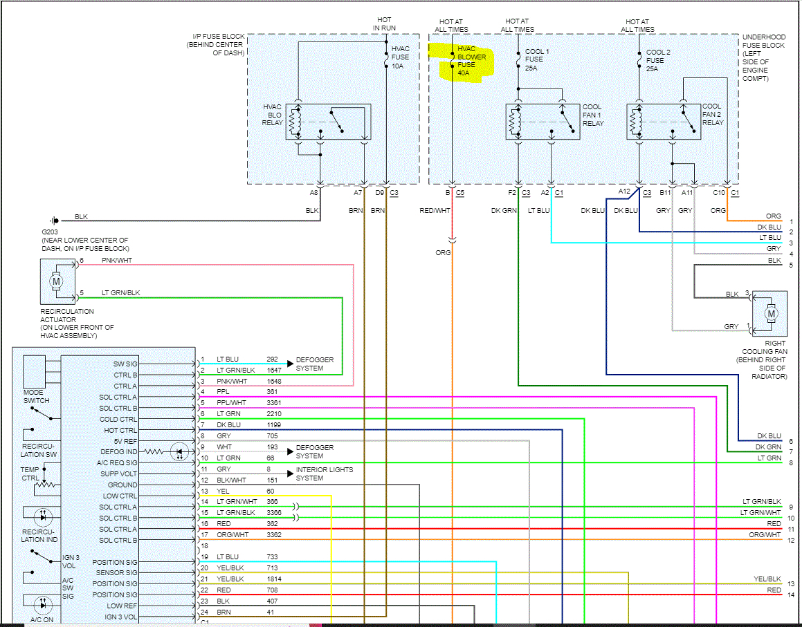
I replaced the HVAC blower relay and replaced the HVAC fuse in the passenger side fuse box. I tested the HVAC Blower Motor fuse in the under-hood fuse box with a fuse tester. The tester green light comes on solidly.
I saw videos via Google that show how to test the Coolant Temperature Sensor and the Electrical Connector, but I don't have the necessary tools and it looks complicated.
Are there any other things I can check?
Sunday, June 12th, 2022 AT 3:45 PM





