Air conditioner not cooling properly

Tiny
MAHFUZ097
  • MEMBER
  • 2009 VOLVO C30
  • 1.6L
  • 4 CYL
  • 2WD
  • MANUAL
  • 30,000 MILES
Hi,

Air conditioner is not working perfectly. It blows cold air during summer. The cooling and air flow is not accurate and the car does not cooling down. It blows speed is too little like 25% of its original flow. Looking for suggestions. Thank you in advance.
Tuesday, July 13th, 2021 AT 3:16 AM

3 Replies

Tiny
SQM
  • MECHANIC
  • 6,383 POSTS
Hello,

So does the fan only blows at 25%? Are you able to adjust the speed of the blower fan? Or is it stuck in the low setting?
The A/C system might need to be recharged or there might be a clogged cabin air filter or a bad blower fan (or blower switch).

Check out this article for some helpful tips of A/C operations:

https://www.2carpros.com/articles/car-air-conditioner-not-working-or-is-weak

https://youtu.be/4UjfQKvrB6Y

Please let me know some of these answers.

Thank you.
Was this
answer
helpful?
Yes
No
+1
Tuesday, July 13th, 2021 AT 9:05 AM
Tiny
MAHFUZ097
  • MEMBER
  • 2 POSTS
Hi again,

It blows too little at high speed. It is possible to regulate but does not make so much difference. At low speed it works like too little flow and at high speed it is increased but not as it should do. I am planning to recharge the A/C system.

Thank you for your support.
Was this
answer
helpful?
Yes
No
Monday, July 19th, 2021 AT 4:20 AM
Tiny
SQM
  • MECHANIC
  • 6,383 POSTS
Hello,

Well, if you are unable to effectively change the speed of the air then your issue might be the blower motor or the blower switch.
Even if your A/C needs recharge, you still be able to increase/decrease the fan speed as normal. Only issue you would have is the temperature will not the ideal but the fan speed would be correct.
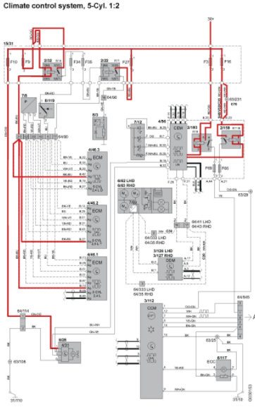
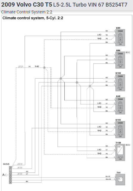
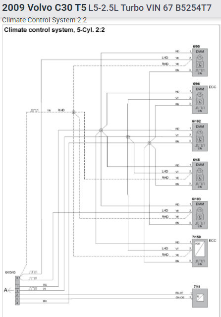
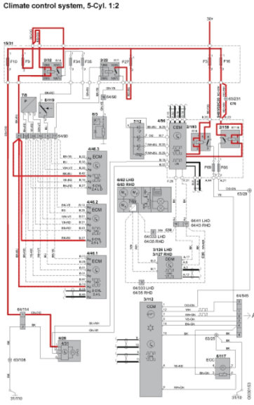
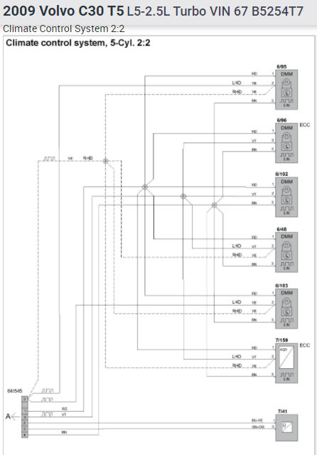
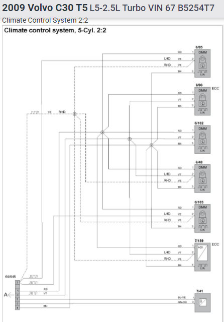
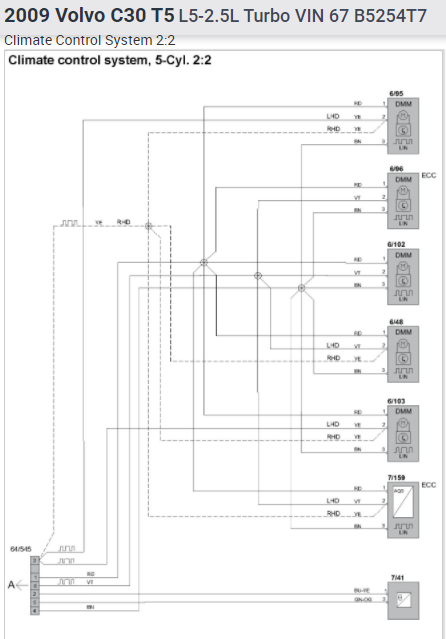
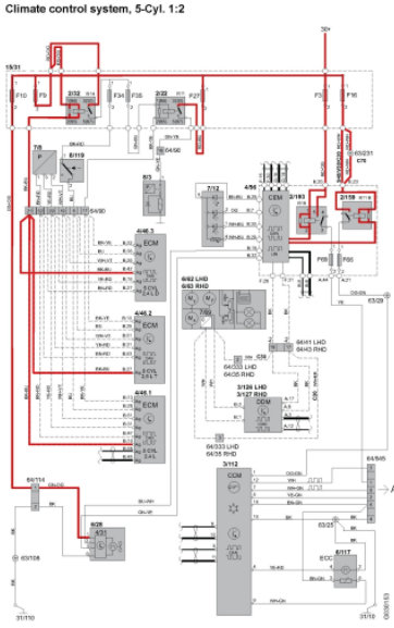
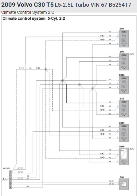
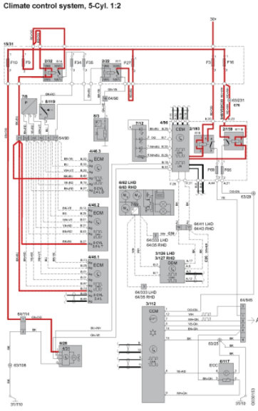
Do check your A/C to make sure it is fully charged, however if the issue does not change the blower fan is a good place to look. I have attached diagrams for your blower system.
Let me know of any questions.

Thank you.
Was this
answer
helpful?
Yes
No
Monday, July 19th, 2021 AT 6:34 AM

Please login or register to post a reply.