Air conditioner not working properly?

Tiny
CRYINGBAT5
  • MEMBER
  • 2011 HONDA CIVIC
  • 1.8L
  • 4 CYL
  • AUTOMATIC
  • 166,000 MILES
Usually the A/C works good for 20 or 30 minutes then blows hot air. After the car warms up the motor shakes when the car is idling, and compressor clutch engages. It's my wife's car so I really need some advice.
Saturday, July 29th, 2023 AT 3:22 PM

4 Replies

Tiny
JACOBANDNICKOLAS
  • MECHANIC
  • 110,194 POSTS
Hi,

If it is working properly for 20 to 30 minutes and then stops, have you noticed if the compressor clutch stops engaging? Also, does the condenser/cooling fan under the hood stop running?

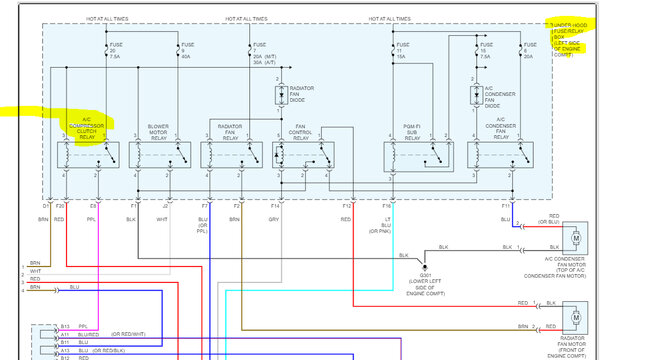
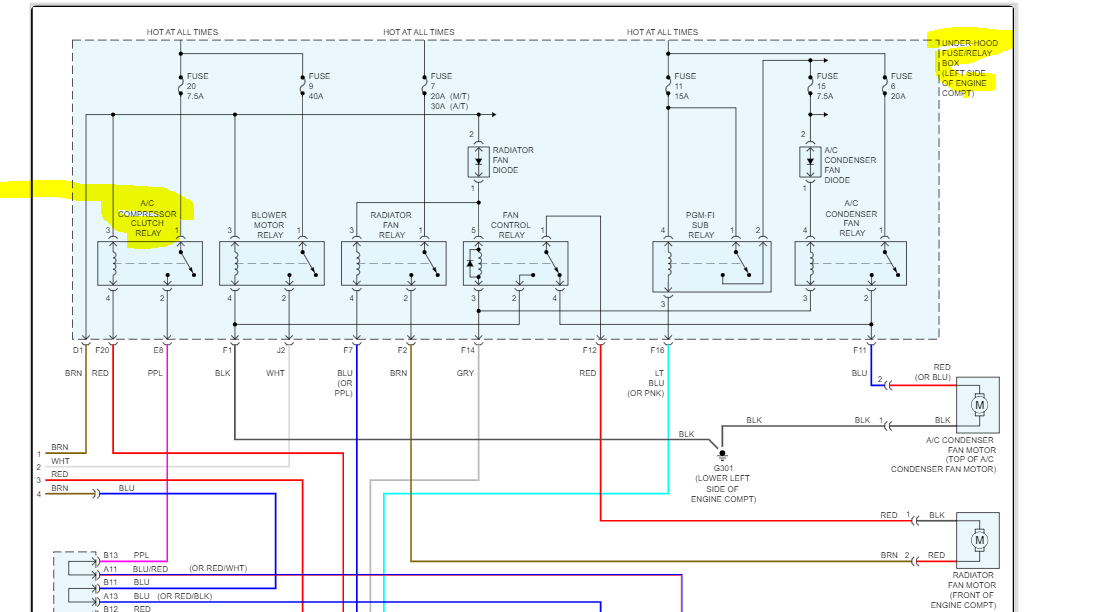
Since it works and then doesn't, the first thing I'm thinking is a faulty compressor clutch relay. It is located in the under-hood fuse box. See attached schematic below.

Try this. Switch the relay with a different one in the box having the same part number and see if the AC continues to run. If there isn't one, here is a link that explains how to test a relay and circuit:

https://www.2carpros.com/articles/how-to-check-an-electrical-relay-and-wiring-control-circuit

Let me know what you find.

Take care,

Joe

See pic below.
Was this
answer
helpful?
Yes
No
Sunday, July 30th, 2023 AT 9:45 PM
Tiny
CRYINGBAT5
  • MEMBER
  • 3 POSTS
Compressor clutch and fans working after the motor warmed up the whole motor would shake when the compressor clutch would engage. I read where one person said the cabin air filter could make a big difference. Another person said it didn't anyway mine was very dirty so I changed it and so far, the A/C is working like it should so I'm keeping my fingers crossed.
Was this
answer
helpful?
Yes
No
Friday, August 4th, 2023 AT 9:43 AM
Tiny
CRYINGBAT5
  • MEMBER
  • 3 POSTS
I also added gas treatment to maybe help it idle better and stop the shaking motor.
Was this
answer
helpful?
Yes
No
Friday, August 4th, 2023 AT 9:48 AM
Tiny
JACOBANDNICKOLAS
  • MECHANIC
  • 110,194 POSTS
Hi,

The idea that it has a rough idle is making me think it is something related to the throttle position sensor. When the engine starts shaking with the A/C on, at what RPM does the engine idle? It should be approximately 700 RPMs at idle in park or neutral. Is that where your vehicle idles?

The PCM is what controls the engine idle speed. Different components place a load on the engine. As a result, the PCM adjusts idle speed to compensate for the added load. However, before we jump to conclusions, let's make sure there are no engine vacuum leaks. Here is a link that explains how to check and repair. Do this and let me know if you find any leaks. A vacuum leak can certainly cause a rough idle.

https://www.2carpros.com/articles/how-to-use-an-engine-vacuum-gauge

Let me know what you find.

Joe
Was this
answer
helpful?
Yes
No
Friday, August 4th, 2023 AT 8:32 PM

Please login or register to post a reply.