Friday, July 25th, 2025 AT 3:33 AM
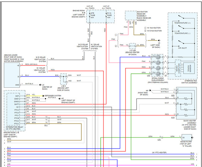
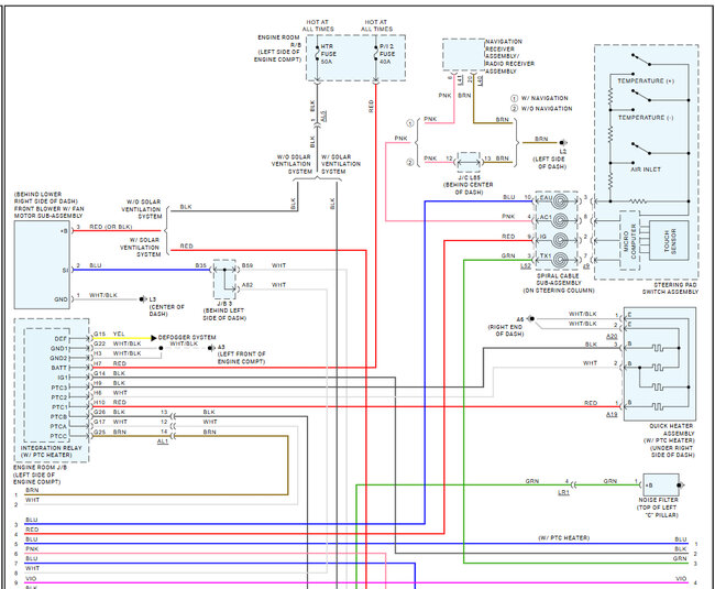
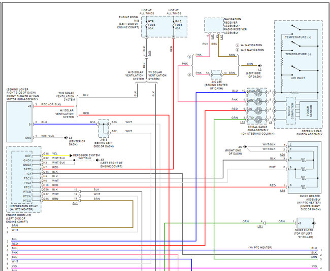
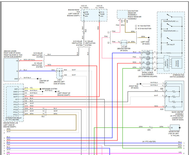
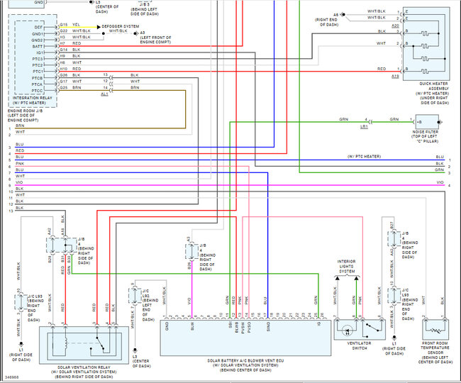
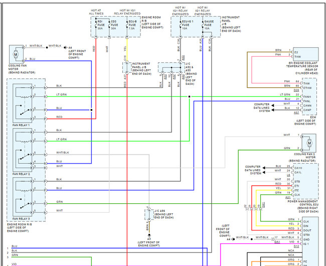
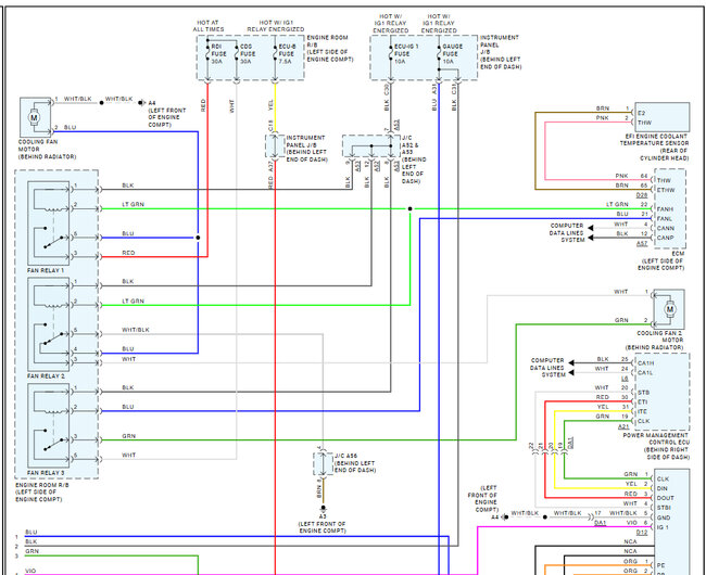
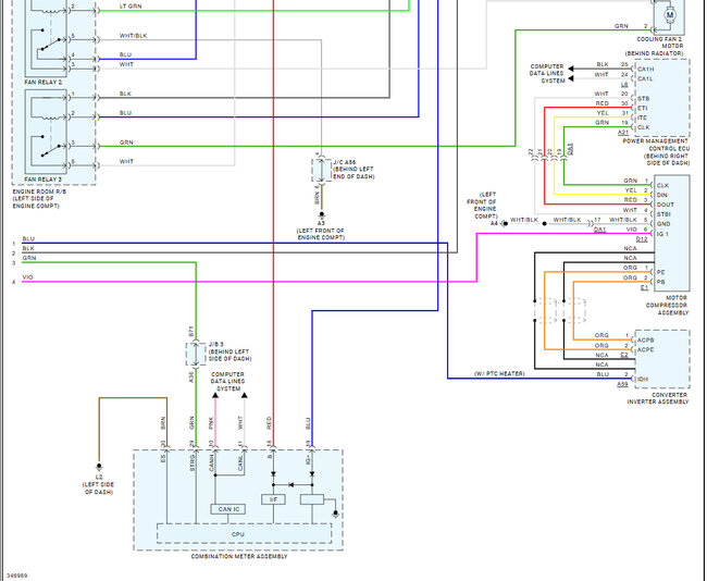
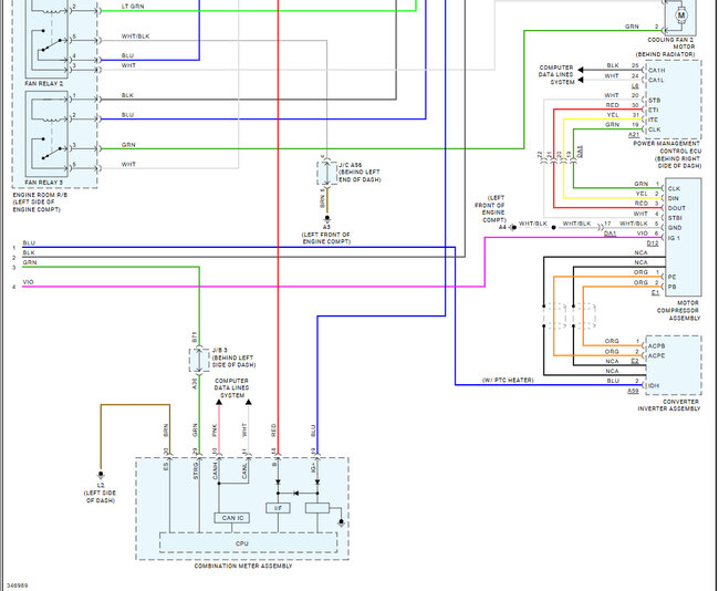
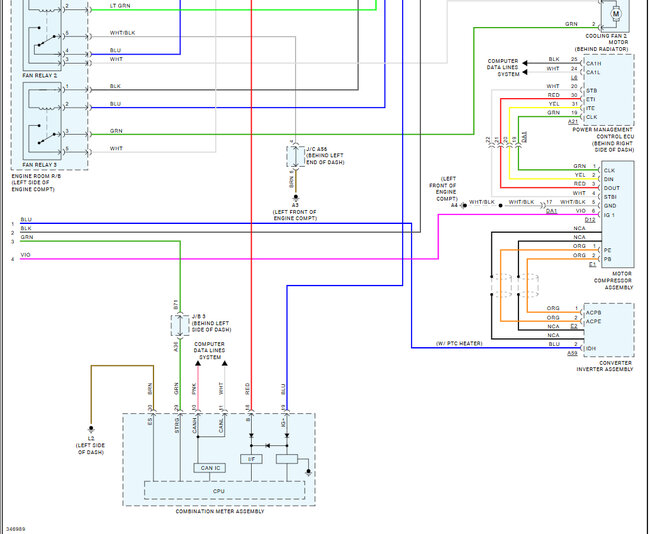
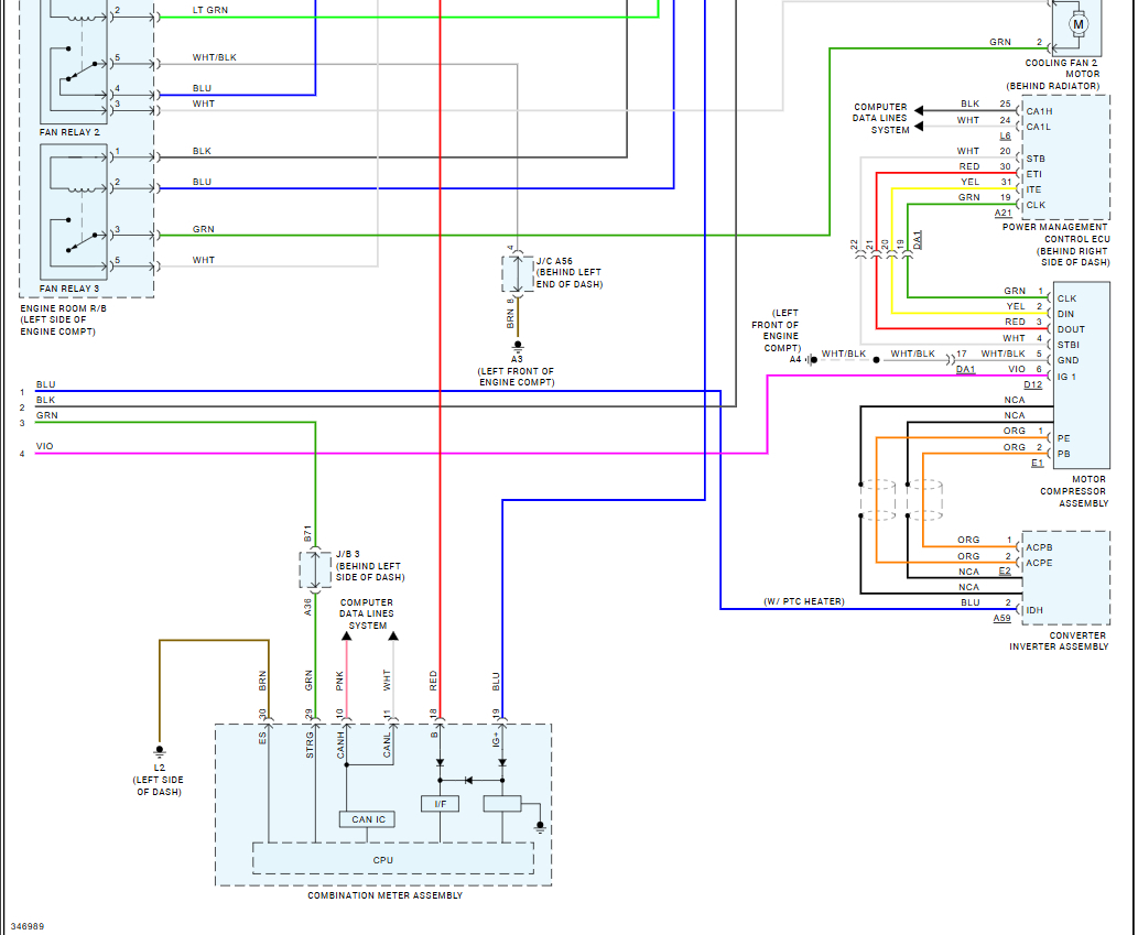
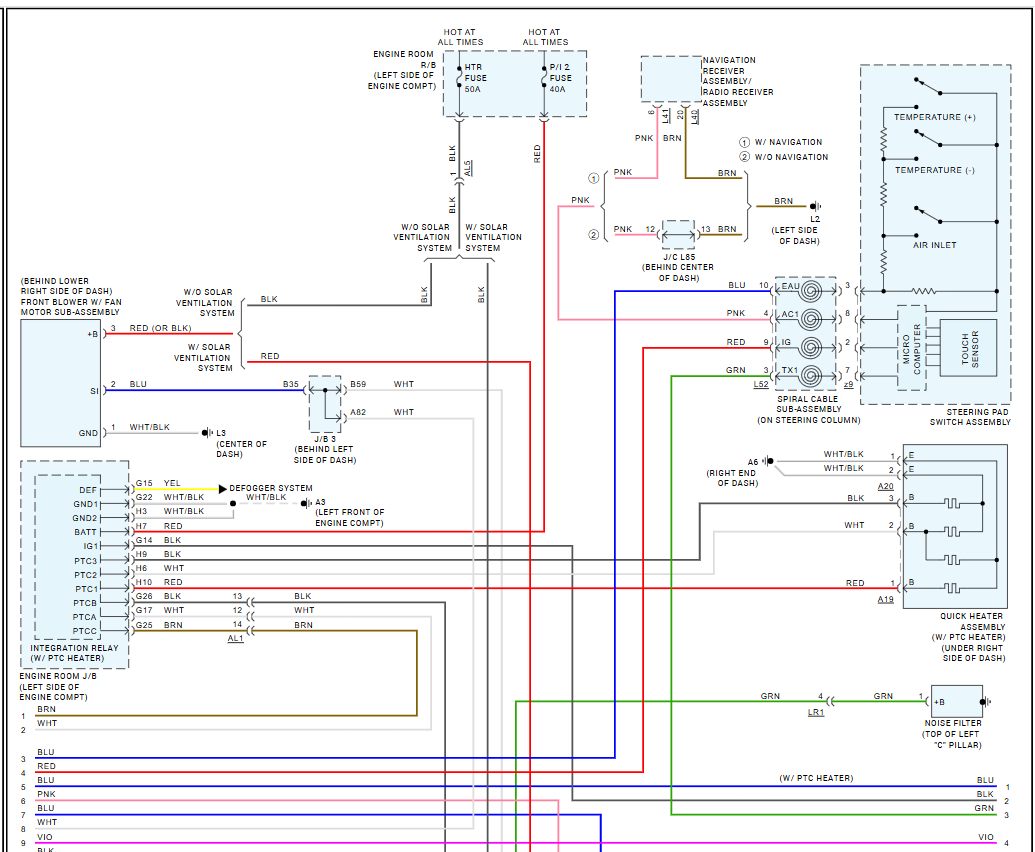
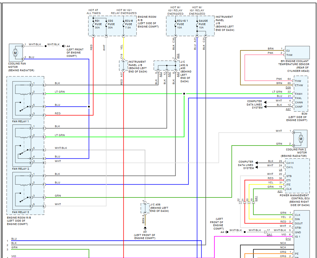
Need a proper diagram for air-condition system from air-condition amplifier to the servo motors pin out and wire color code needed for the HVAC system.







