Air condition clutch sometimes does not engaged

Tiny
PETROYADA
  • MEMBER
  • 2014 MITSUBISHI OUTLANDER SPORT
  • 2.0L
  • 4 CYL
  • 4WD
  • AUTOMATIC
  • 93,800 MILES
Air condition for my car has problem, during AC on, clutch no engaged.
Could you please send to me exploded drawing for repairing it?
The VIN : 4p3xtga2wee801499.
Thanks
Wednesday, September 4th, 2019 AT 7:10 PM

7 Replies

Tiny
KEN L
  • MASTER CERTIFIED MECHANIC
  • 55,488 POSTS
Hello,

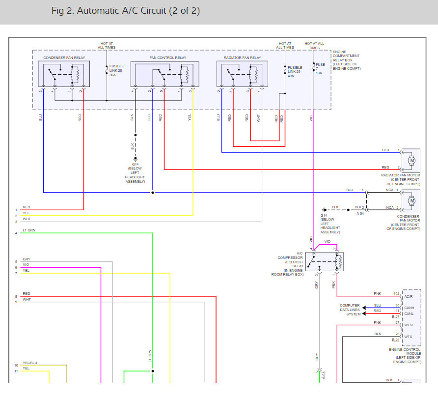
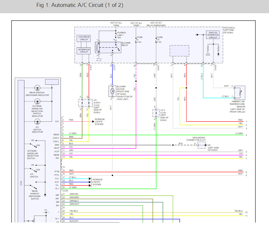
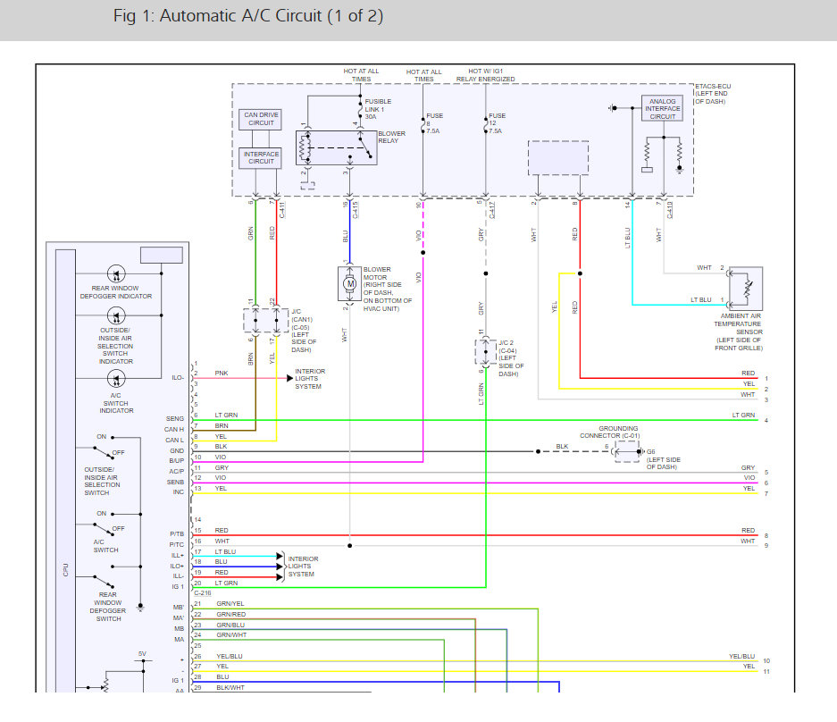
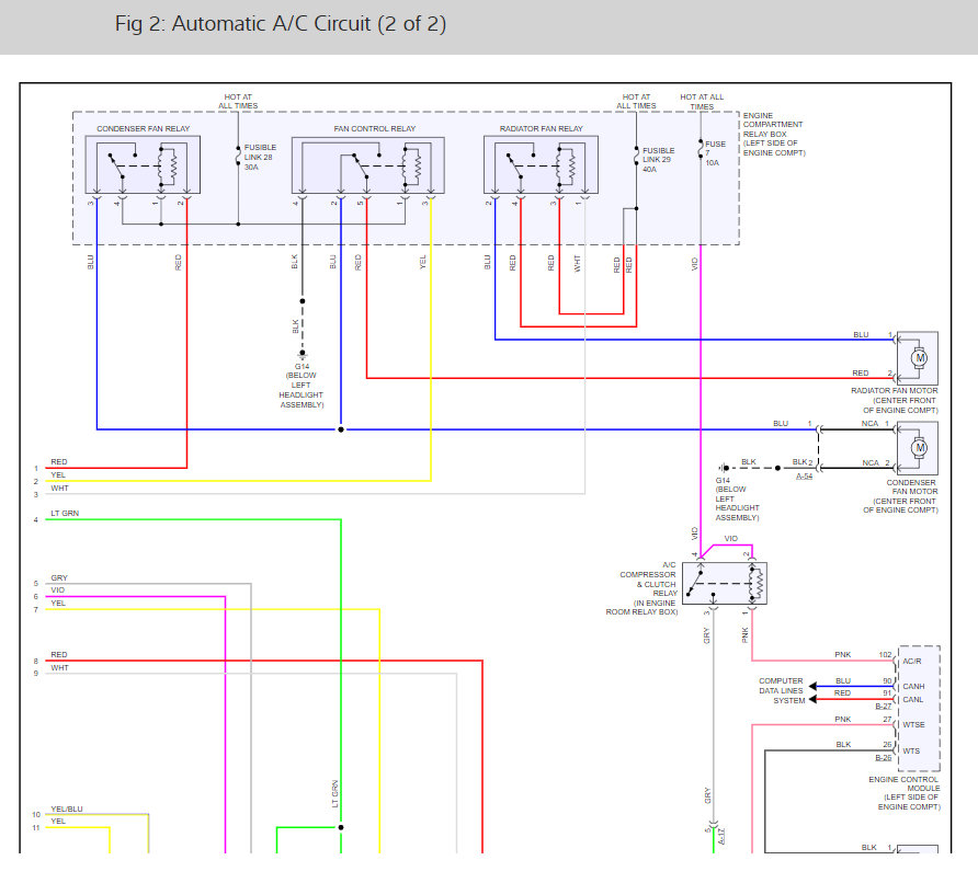
Here is a guide to help you test the wiring for the air conditioner and the fuses and relay locations as well:

https://www.2carpros.com/articles/how-to-check-wiring

Check out the diagrams (below). Please let us know what you find. We are interested to see what it is.
Was this
answer
helpful?
Yes
No
Saturday, September 7th, 2019 AT 1:29 PM
Tiny
PETROYADA
  • MEMBER
  • 66 POSTS
Many thanks for your advice.
Was this
answer
helpful?
Yes
No
Sunday, September 15th, 2019 AT 7:53 PM
Tiny
PETROYADA
  • MEMBER
  • 66 POSTS
The compressor bearing was damaged and was replaced
After, the compressor was installed and the oil and gas were recharged.
Q:
What is the volume of refrigerant needed for this car?
I couldn't find in the user manual
Was this
answer
helpful?
Yes
No
Sunday, September 15th, 2019 AT 7:53 PM
Tiny
KEN L
  • MASTER CERTIFIED MECHANIC
  • 55,488 POSTS
Good find on that repair here are the refrigerant type and capacity.

Fluid Types

Refrigerant Type. R134a (HFC-134a)
Capacities

Amount 480 - 520 g (16.9 - 18.3 oz)

Please let us know if you need anything else to get the problem fixed.
Was this
answer
helpful?
Yes
No
+1
Monday, September 16th, 2019 AT 10:34 AM
Tiny
PETROYADA
  • MEMBER
  • 66 POSTS
Could you please tell me, type of the compressor oil?
Was this
answer
helpful?
Yes
No
Monday, September 16th, 2019 AT 1:09 PM
Tiny
PETROYADA
  • MEMBER
  • 66 POSTS
Thanks.
Was this
answer
helpful?
Yes
No
Monday, September 16th, 2019 AT 1:09 PM
Tiny
KEN L
  • MASTER CERTIFIED MECHANIC
  • 55,488 POSTS
You need PAG oil. Here is a link:

https://www.amazon.com/gp/product/B00CFQQSJY/ref=as_li_qf_asin_il_tl?ie=UTF8&tag=2carprcom-20&creative=9325&linkCode=as2&creativeASIN=B00CFQQSJY&linkId=8d4eab48d136c722a8b609289b5f93ba

Please let us know if you need anything else to get the problem fixed.
Was this
answer
helpful?
Yes
No
Friday, September 20th, 2019 AT 8:57 AM

Please login or register to post a reply.