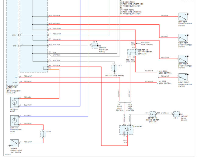
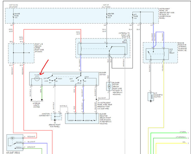
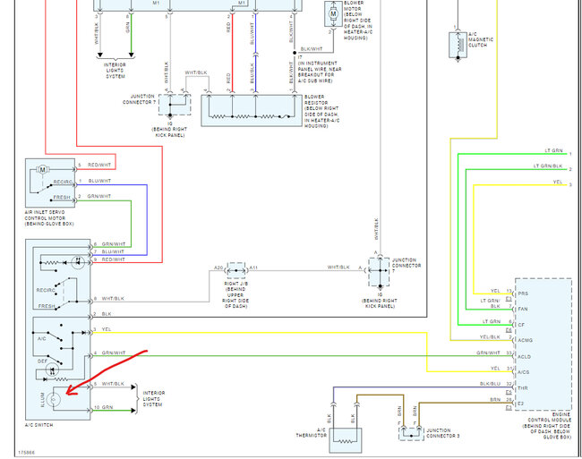
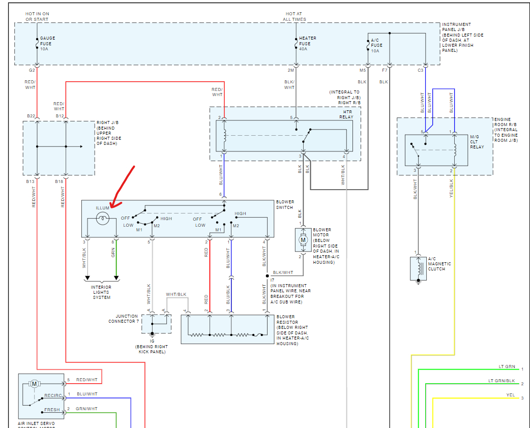
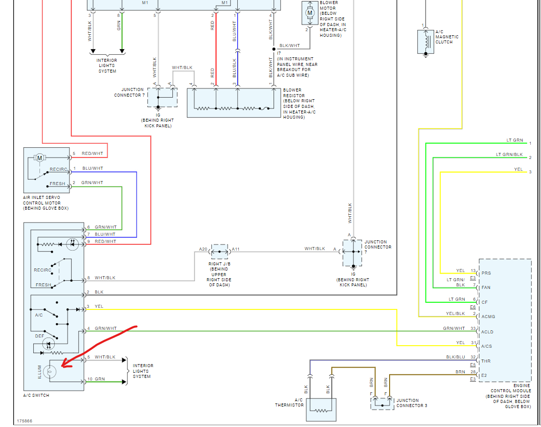
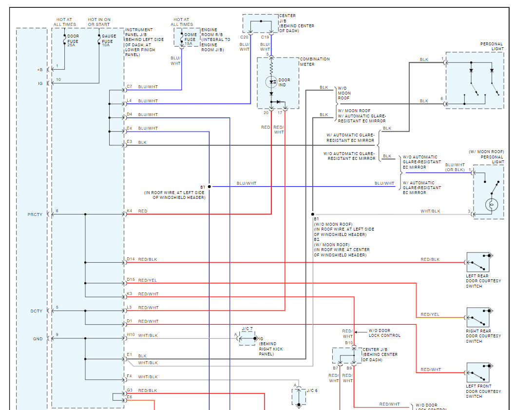
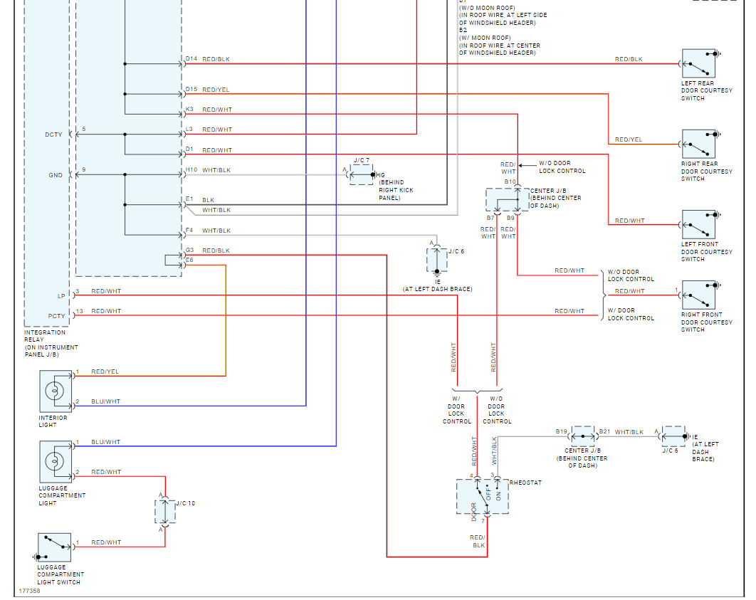
Monday, August 19th, 2024 AT 8:48 AM
My A/C was working, and I installed an aftermarket radio in the dash but now the on/off button for the A/C doesn't light up when pushed to on and I have checked all the fuses and relays with no change in the problem. Please give me some insight into the cure.








