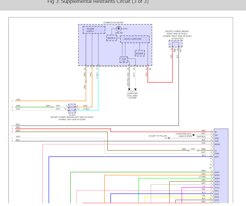
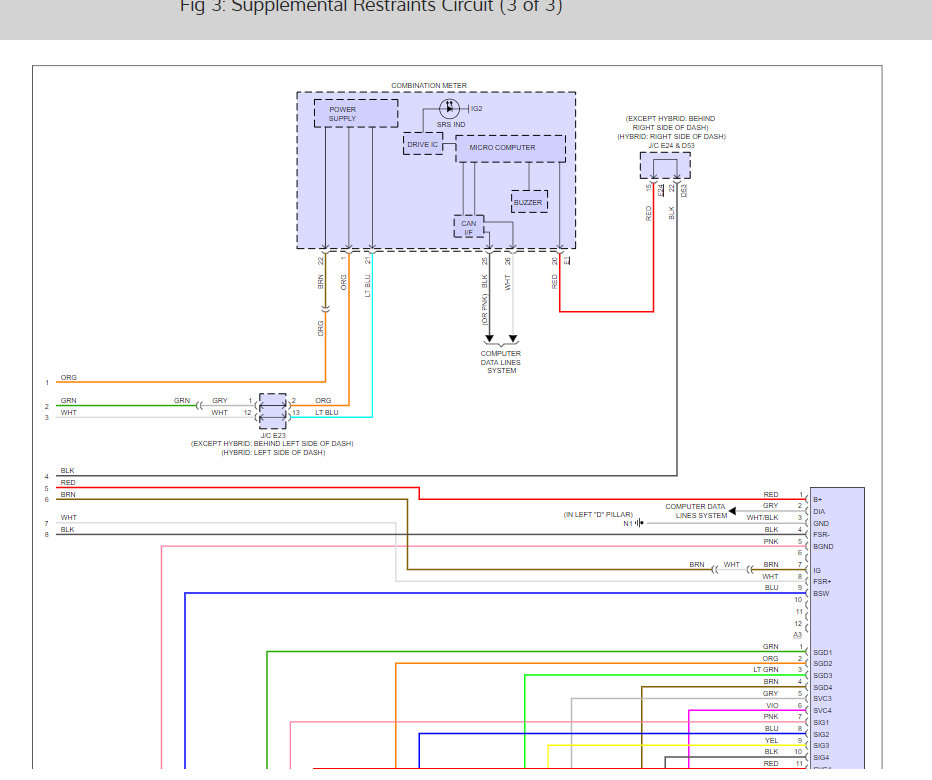
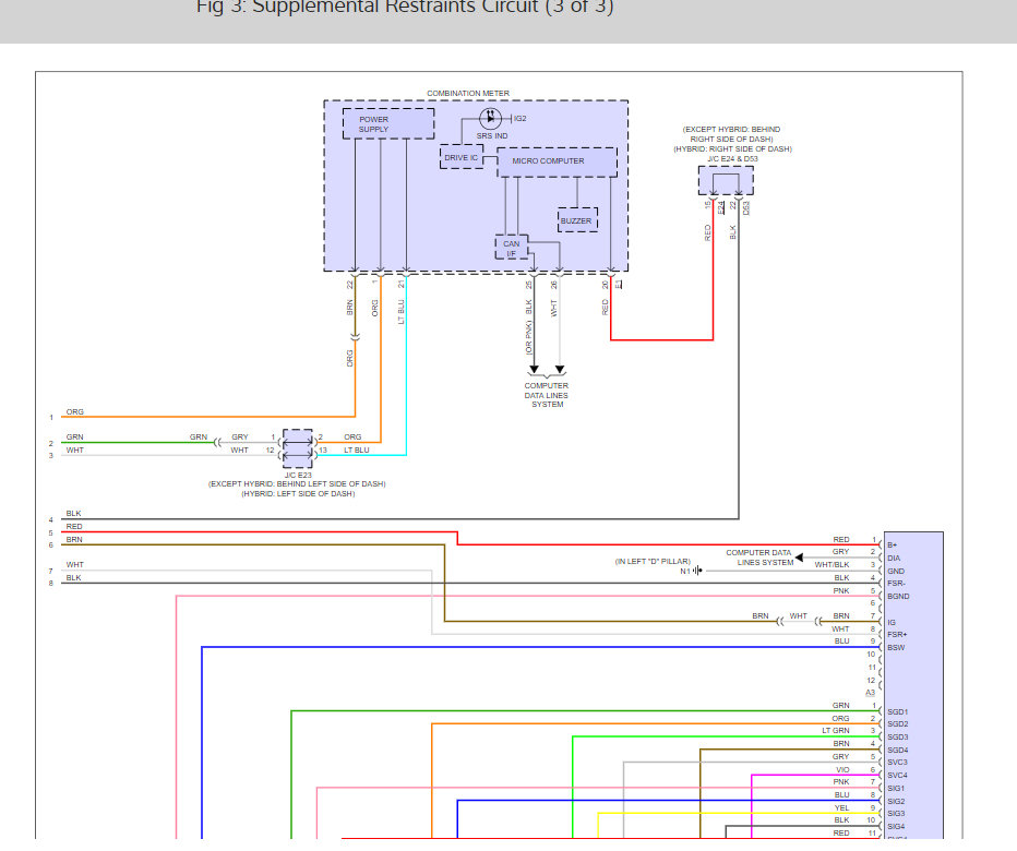
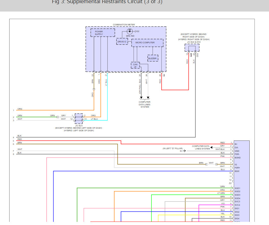
Friday, October 19th, 2018 AT 11:21 AM
My husband had to disassemble our dash to repair our A/C (he is an HVAC Tech). Now, our airbag light is constantly on. Dealer assessed and said the airbag harness to passenger airbag needs to be replaced. An independent mechanic pulled codes p1860 and p1861. He mentioned problem with spiral cable and/or knee airbag issue. He is in not interested in working on it due to liability (I assume) and I understand his hesitation. Just checking to see if anyone knows of any potentially easier (and less costly) fix. I did not know if it is possible a wire was not connected properly, or something along those lines. Thank you!








