Aftermarket radio wiring harness color codes?

2005 PONTIAC BONNEVILLE
1,783,600 MILES • 6 CYL • 2WD • AUTOMATIC
Avatar
RACINE BONNVILLE
  • MEMBER
  • 1 POST
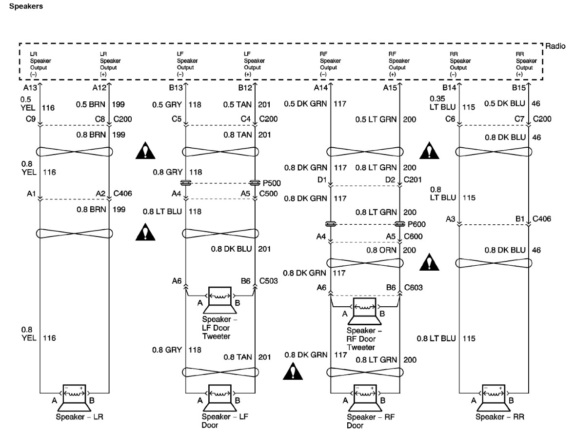
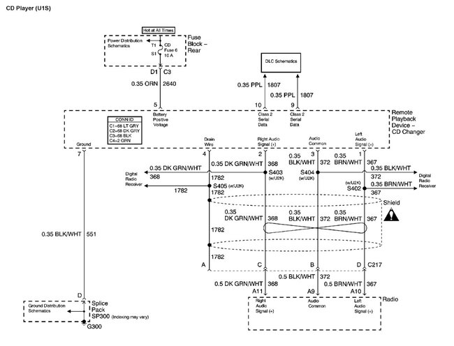
I bought an aftermarket radio wiring harness and need to a color code and function for each wire.
Dec 12, 2025 at 6:20 AM
Repair Safety Notice: This information is for general instructional purposes only. Vehicle repair can be dangerous. Verify all information, follow manufacturer service procedures, use proper tools and safety equipment, and consult a qualified repair shop when needed.
Advertisement
Avatar
STEVE W.
  • CAR REPAIR CONTRIBUTOR
  • 15,148 POSTS
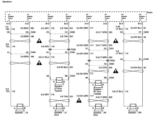
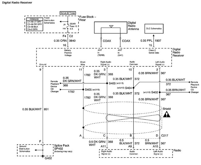
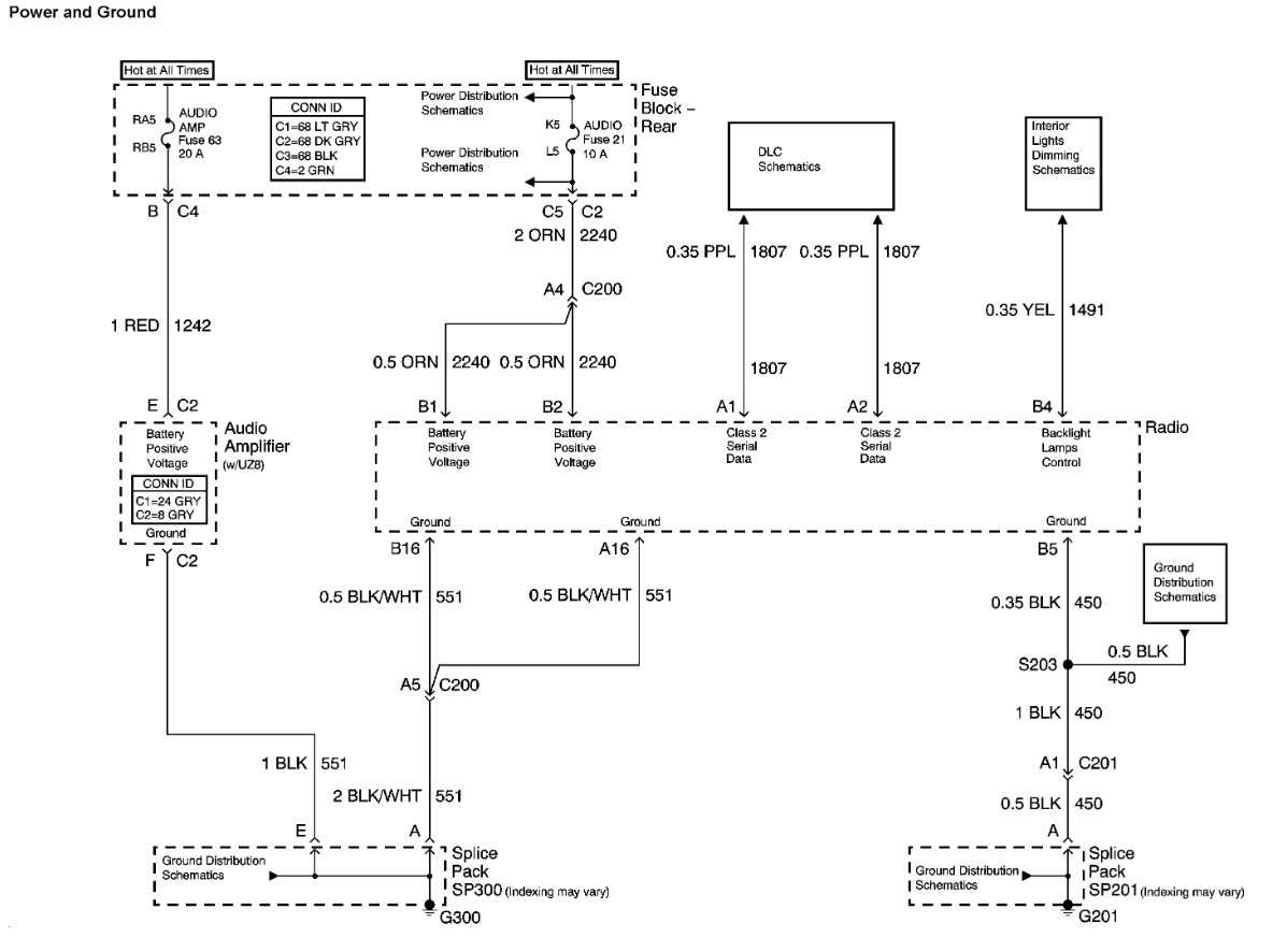
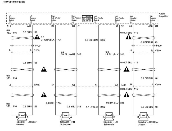
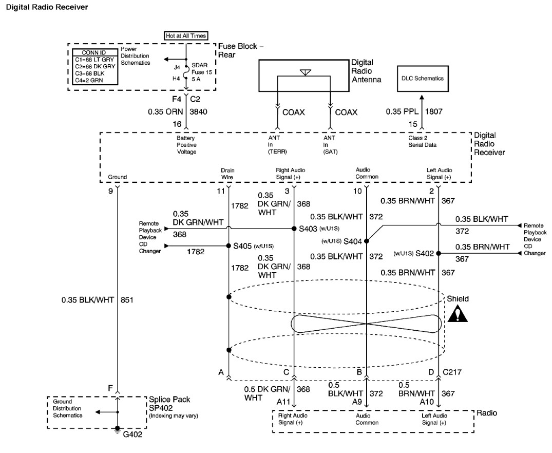
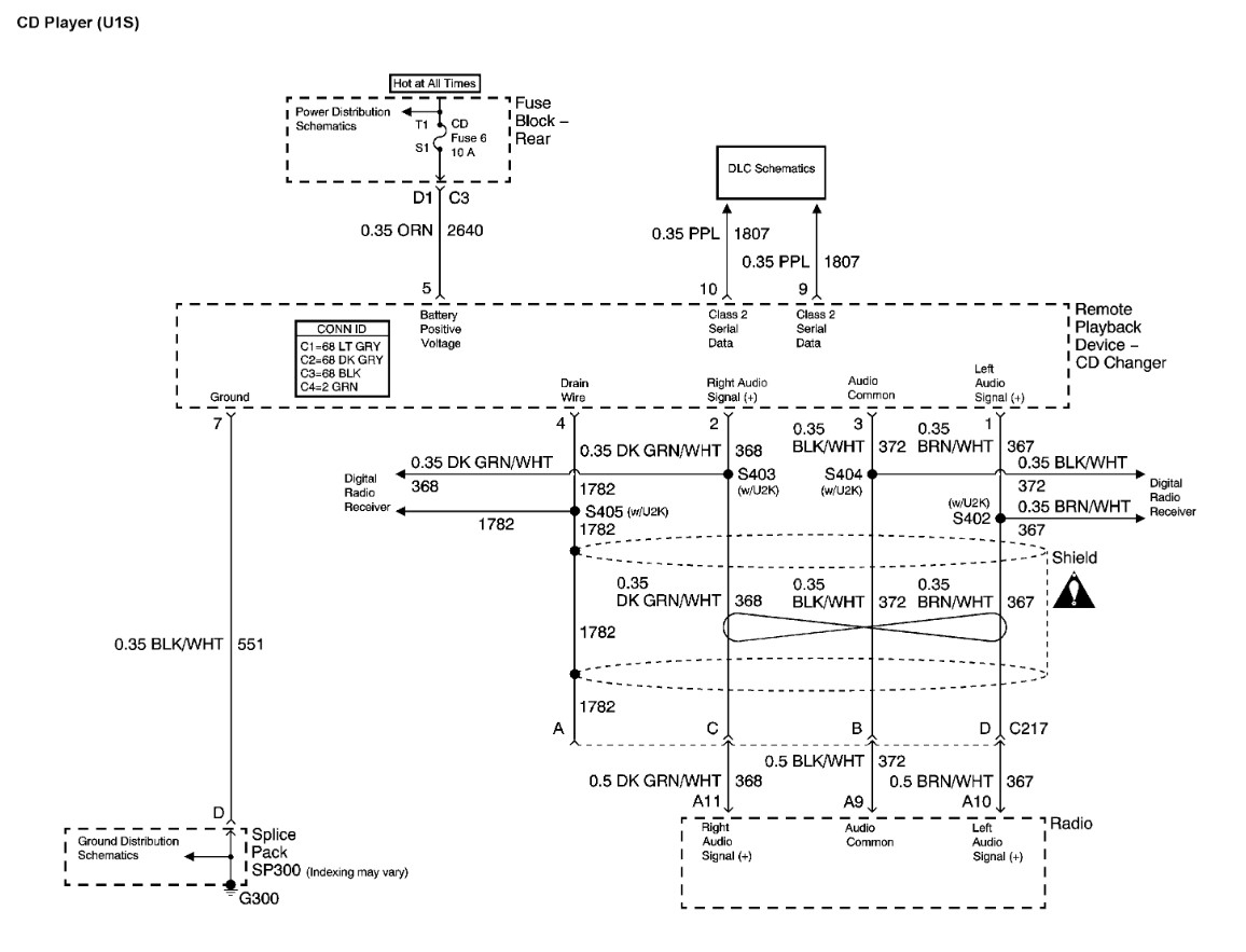
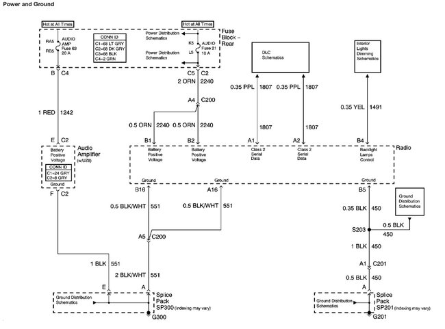
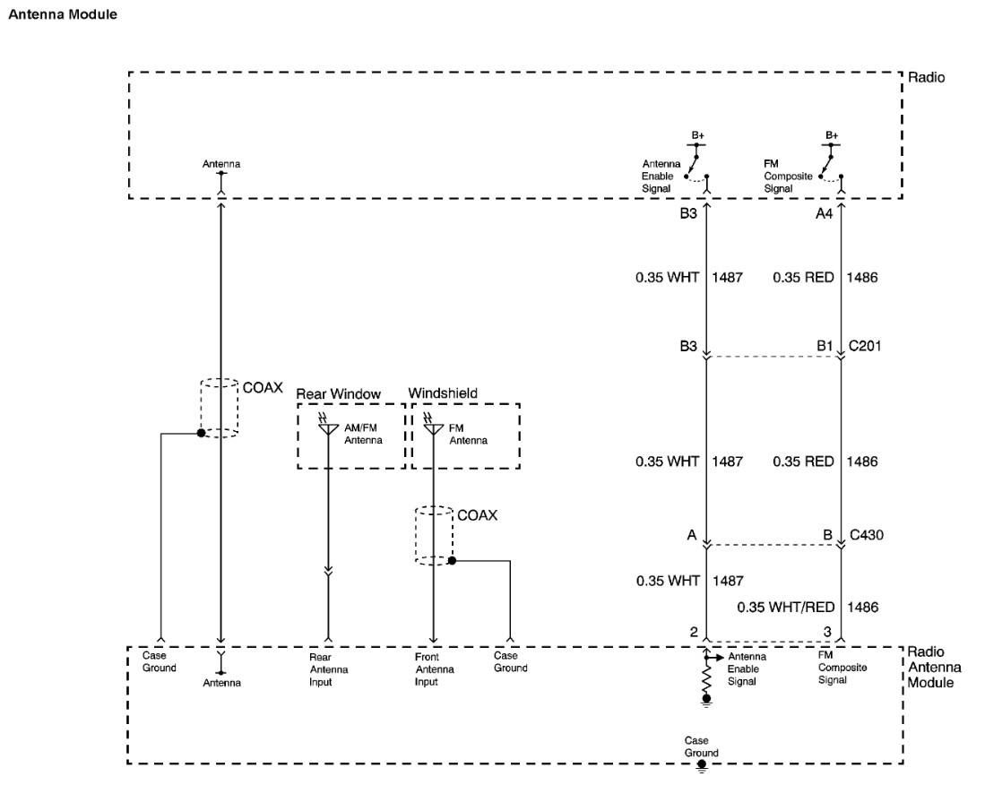
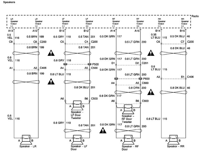
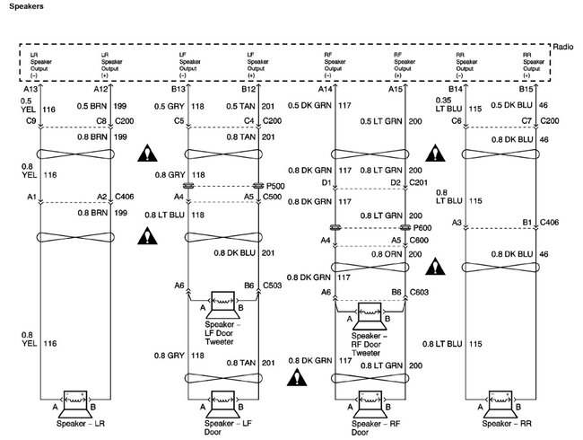
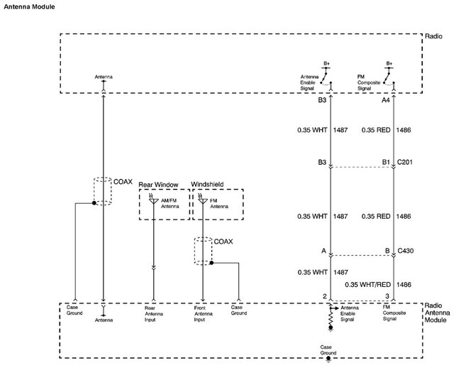
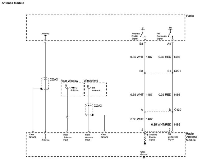
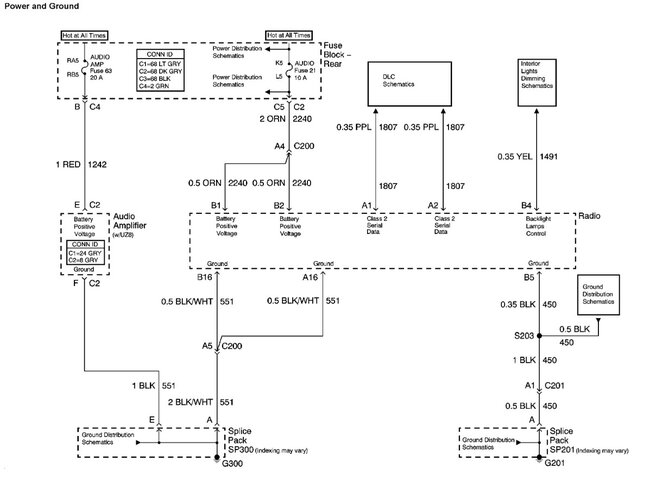
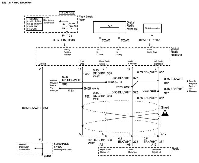
The attached are the diagrams for both the base and full optioned systems. The first 3 are the base radio without an amp. The others are the amp and digital (xm) modules. The base radio power and outputs are the same with the amp, they just go to the amp instead of speakers.
Dec 12, 2025 at 12:01 PM
Advertisement