Aftermarket radio on but no sound?

Tiny
CELSO1211
  • MEMBER
  • 2005 ACURA RL
  • 3.6L
  • 6 CYL
  • 4WD
  • AUTOMATIC
  • 180,000 MILES
I bought an aftermarket radio, it turns on everything works there just isn’t any sound at all.
Sunday, July 9th, 2023 AT 4:52 PM

5 Replies

Tiny
KEN L
  • MASTER CERTIFIED MECHANIC
  • 55,383 POSTS
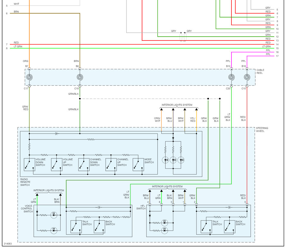
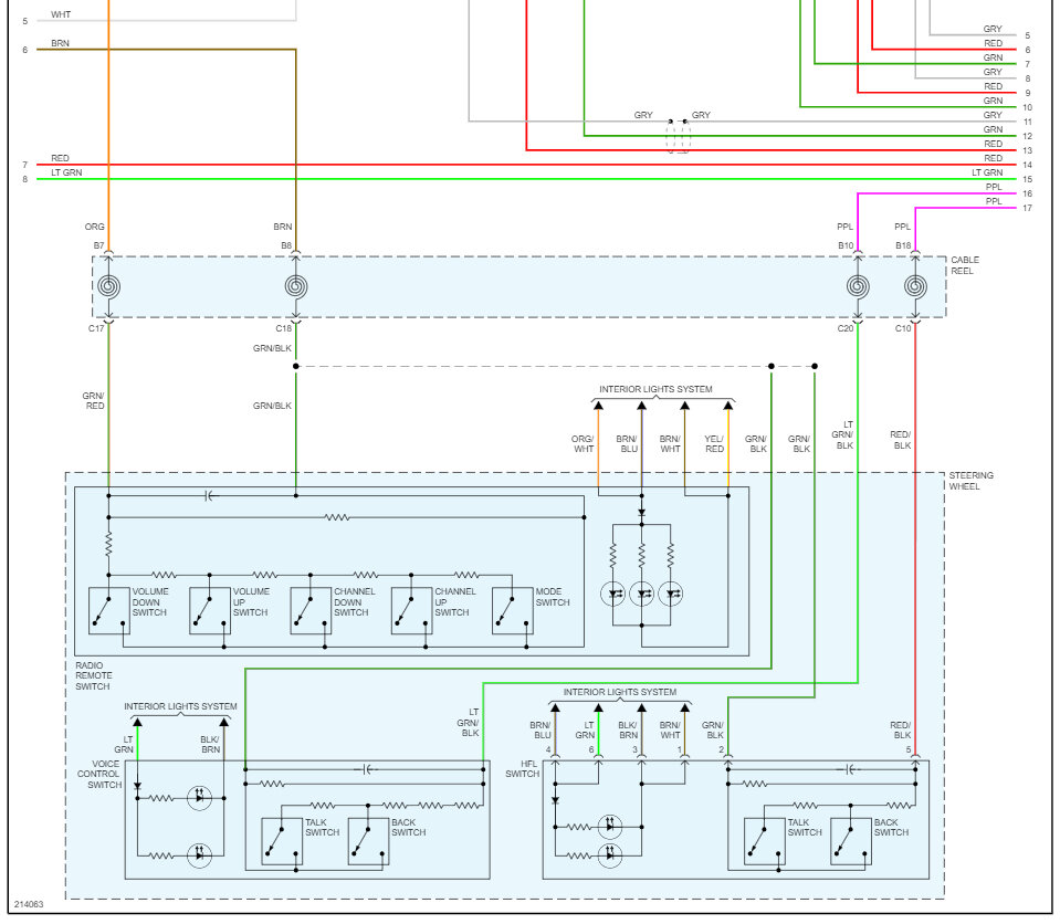
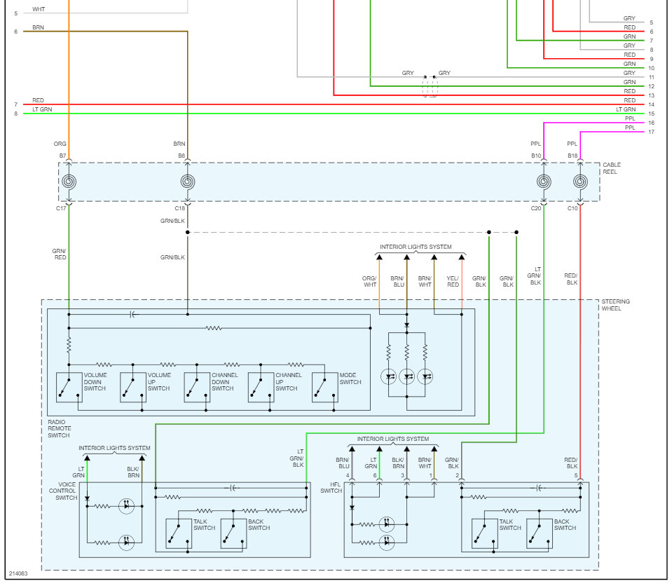
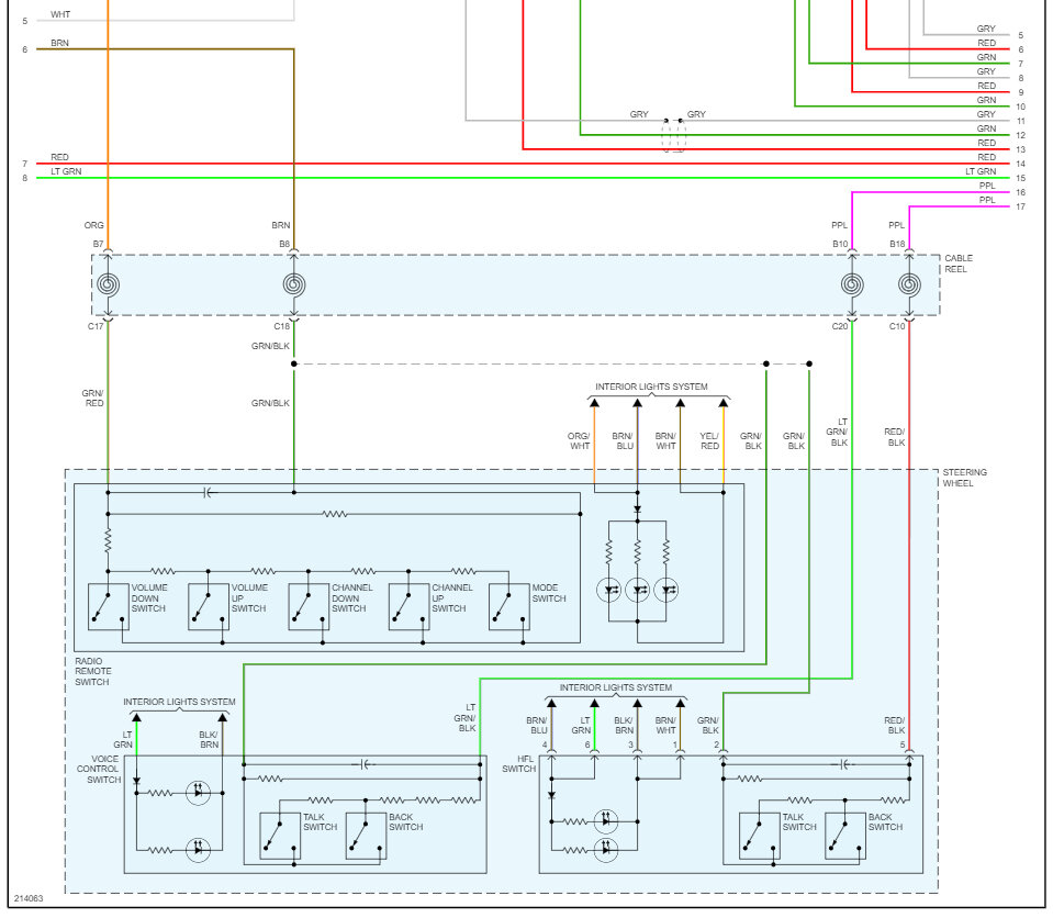
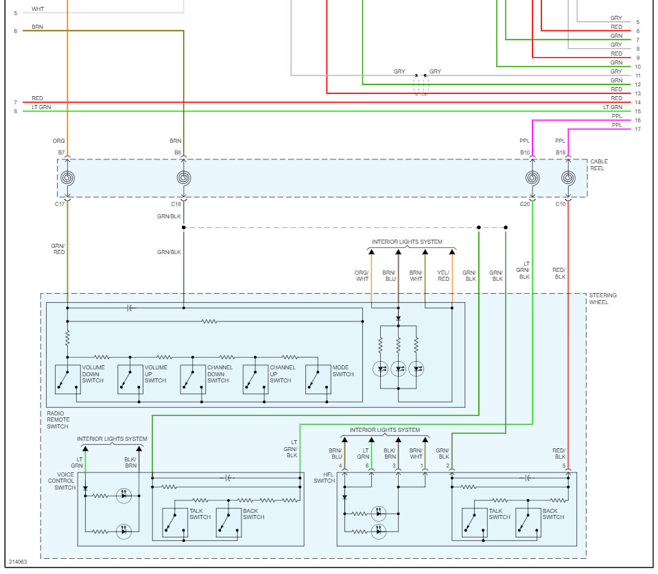
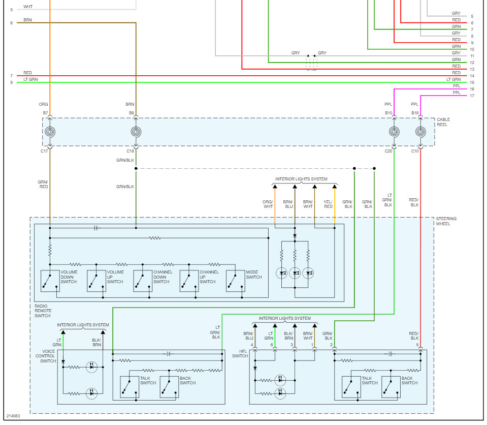
It might be defective, here are the radio wiring diagrams so you can double check the installation and see how the system works. I did notice there is an amplifier so the aftermarket radio must be compatible and if not, you will need to wire the speakers up individually. Check out the images (below). Please let us know how it goes.
Was this
answer
helpful?
Yes
No
Monday, July 10th, 2023 AT 12:08 PM
Tiny
CELSO1211
  • MEMBER
  • 4 POSTS
Yeah, I connected it to a speaker I had and it worked so it’s most definitely the amp because when connected to my car it doesn’t work. Any idea how I can connect it directly to the speakers?
Was this
answer
helpful?
Yes
No
Saturday, August 19th, 2023 AT 4:51 PM
Tiny
KEN L
  • MASTER CERTIFIED MECHANIC
  • 55,383 POSTS
To bypass the amp or? Did the aftermarket radio come with instructions for this? If you want to bypass the amp use the wiring diagrams to connect to the speakers.
Was this
answer
helpful?
Yes
No
Sunday, August 20th, 2023 AT 11:34 AM
Tiny
CELSO1211
  • MEMBER
  • 4 POSTS
Yes, to bypass the amp or anyway to make the sound go to the speakers. Also, is there any stereo that is compatible with the amp of my car?
Was this
answer
helpful?
Yes
No
Sunday, August 20th, 2023 AT 7:38 PM
Tiny
KEN L
  • MASTER CERTIFIED MECHANIC
  • 55,383 POSTS
You will need to search for a radio that has this capability or wire the speakers directly at the amp using the wiring diagrams I have provided.
Was this
answer
helpful?
Yes
No
Monday, August 21st, 2023 AT 9:48 AM

Please login or register to post a reply.