Thursday, November 18th, 2010 AT 11:02 PM
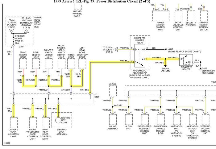
I have a 1999 Acura RL. Power to the radio and interior lights is dead. I checked the interior fuse box but did not see any blown fuse. I checked the under the hood fuse box and saw the interior lights fuse(20A) blown. I replaced the fuse and the interior lights came on. I turned the ignition switch to ACC and the interior lights went out and the fuse blew. What is causing the short? Is this also causing the radio malfunction? Thx



