Tuesday, September 12th, 2023 AT 10:29 AM
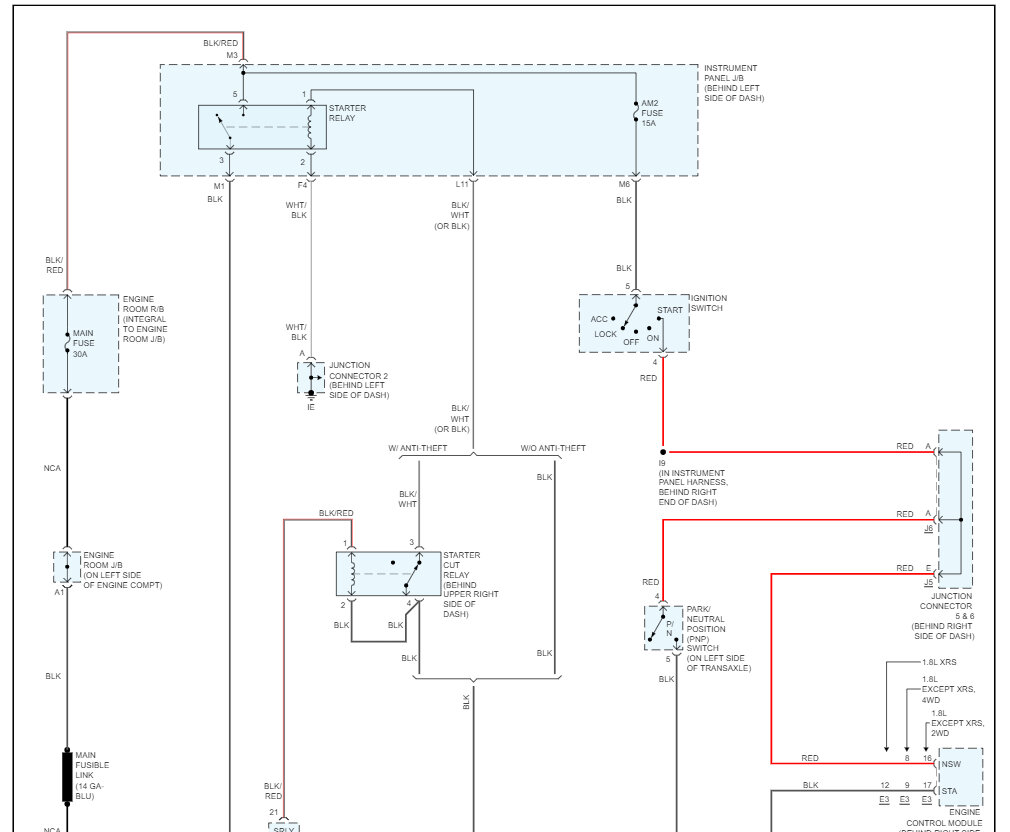
Hi, I bought a car at auction. I was given 2 keys. I never had a problem starting the car before. Neither key has a key fob on it. There are no old remotes on it whatsoever, just the keys. Apparently, the security push button Ignition was installed after the fact by the previous owner. I don't believe it's Toyota period, nonetheless, I can't get the car to start. Change the battery all powers a go. Security light will not stop flashing and the car will not start; can you help please?





