Thursday, July 10th, 2025 AT 3:26 PM
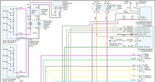
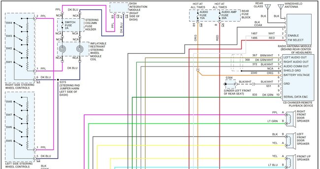
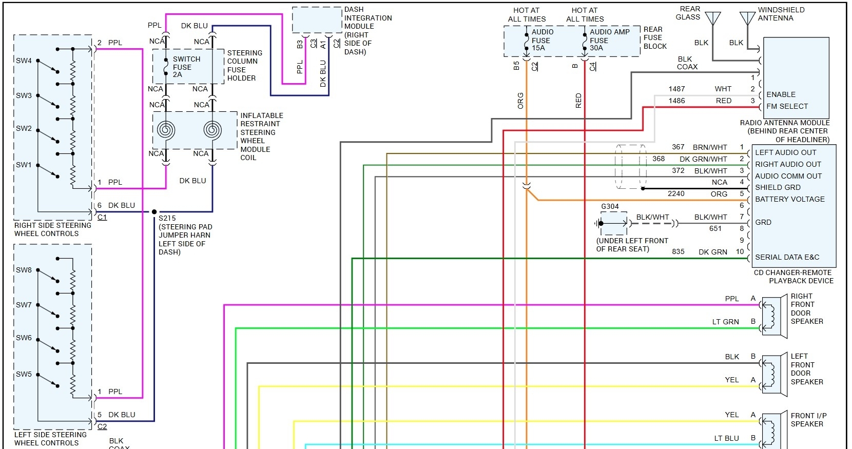
I'm trying to install an aftermarket radio and amp, but I've run into the craziest problem. So after figuring out it was a DTS and I did not have a Bose system but a premium AC Delco 8 speaker system, no matter how I word it I keep getting the same diagrams but none of the colors in the diagrams match the actual wires I have in my car maybe a few but otherwise it's a guessing game.






