Adding fog light

Tiny
DUSTY15
  • MEMBER
  • 2015 FORD FIESTA
  • 1.6L
  • 4 CYL
  • 2WD
  • AUTOMATIC
  • 134,200 MILES
My car has the wires and holes for the fog lights already behind the fog light cover but I only have the headlight switch with auto. If I change the switch to the one for fog lights to will it work or not?
Monday, July 6th, 2020 AT 4:13 AM

5 Replies

Tiny
STEVE W.
  • MECHANIC
  • 15,697 POSTS
More than likely it will not make them work as it was an extra cost option. The switch relay and the fuses could all be added in but then you would likely need to have a dealership program the body control module with the sales option code to actually make them work.

You could test to see if they would work without installing everything though. You would need to access the wiring on the rear of the headlight switch and find the Gray wire with a Violet stripe. That is the fog lamp control wire. To tell the BCM you want them on you would turn on the low beam headlights and then ground that wire. Now to see if the system actually activates them you need to find the fog lamp relay in the junction box in the left side of the engine compartment. It is in the bottom row and may be missing as you don't have them. The socket will look like the picture. If you have another relay you can simply plug it in, then have someone put the ground wire at the switch on and off a ground spot while you listen and feel the relay, if you hear and feel it clicking on and off as the wire is grounded, you could add the lights, switch and fuses 19, 35 and 36 to send power to the lights. If you don't hear or feel the relay clicking the BCM would need to be programmed to make the system work as designed using the factory switch.
Was this
answer
helpful?
Yes
No
+1
Monday, July 6th, 2020 AT 9:21 AM
Tiny
DUSTY15
  • MEMBER
  • 3 POSTS
Alright thank you. I'm going to try it and hopefully it works.
Was this
answer
helpful?
Yes
No
Monday, July 6th, 2020 AT 9:42 AM
Tiny
STEVE W.
  • MECHANIC
  • 15,697 POSTS
If the tests work then they should. There is a way to add them in without the BCM but it requires adding a couple of other relays and wiring to make them work correctly.
Was this
answer
helpful?
Yes
No
Monday, July 6th, 2020 AT 10:36 AM
Tiny
DUSTY15
  • MEMBER
  • 3 POSTS
Okay, so it has the grey wire with violet strip and it already has fuses in all 3 but I forgot to check to see if it has a relay in slot r11. I think is what owners manual said so it's looking better like it's going to work I hope.
Was this
answer
helpful?
Yes
No
Wednesday, July 8th, 2020 AT 3:14 AM
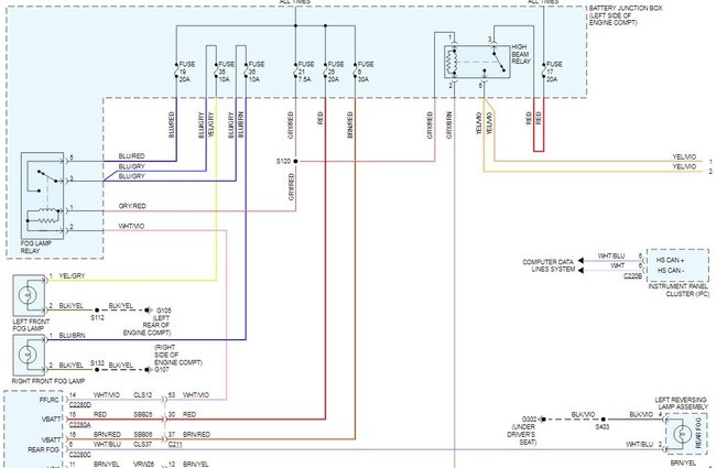
Tiny
STEVE W.
  • MECHANIC
  • 15,697 POSTS
These are the wiring diagrams. It is possible that they populated all the small parts but never turned the fog lights on in programming. That happens a lot these days as they use the same fuse panels and wiring across all of the versions of a particular model, then turn on the wanted options in the programming. It's one of the reasons that they use the smart fuse panels. They can just turn things on and off using the option codes.
Was this
answer
helpful?
Yes
No
Wednesday, July 8th, 2020 AT 9:36 AM

Please login or register to post a reply.