Headlight does not work?

Tiny
MYRKA_Y
  • MEMBER
  • 1999 ACURA TL
My headlight do not work. But sometimes its start working?
Monday, February 16th, 2009 AT 12:56 AM

1 Reply

Tiny
SQM
  • MECHANIC
  • 6,383 POSTS
Hello,

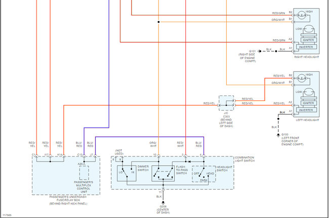
It sounds like you might have an issue with the headlight switch or a wiring problem.
You could have worn or loose connector inside the switch, that is triggering the issue.
To access the switch the trim cover around the steering wheel needs to be removed.

This can also be due to a weak ground or exposed wire in the headlight harness.

https://www.2carpros.com/articles/how-to-check-wiring

I have included the headlight switch replacement and testing procedure for your reference.

Also included the wiring schematics for the headlight.

Please let me know of any questions.
Thank you.
Was this
answer
helpful?
Yes
No
Monday, September 20th, 2021 AT 9:04 AM

Please login or register to post a reply.