Power windows not working

Tiny
CARLIFE65
  • MECHANIC
  • 1996 ACURA INTEGRA
How to test and find the power window relay.
Thursday, October 22nd, 2009 AT 8:39 PM

2 Replies

Tiny
BRIAN_DEAL
  • MEMBER
  • 1 POST
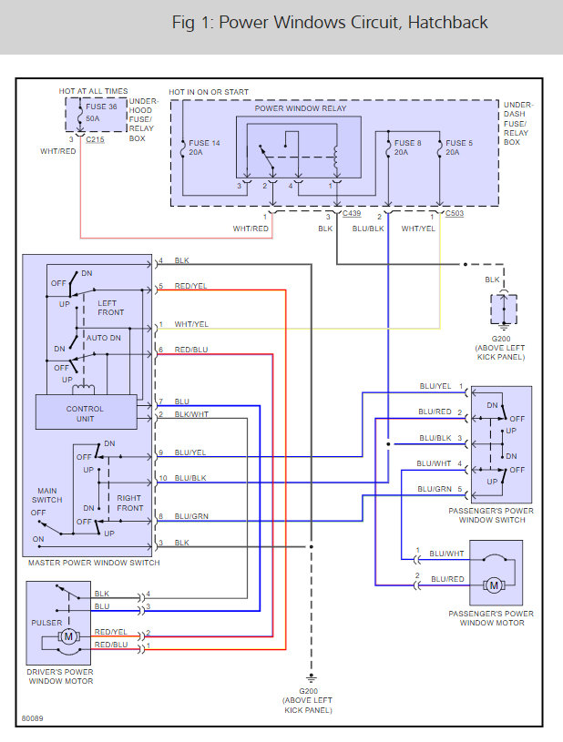
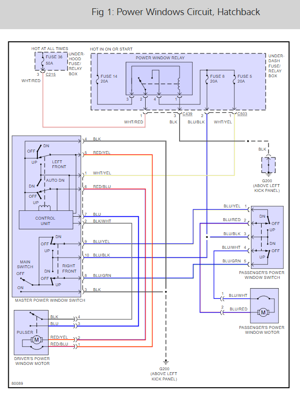
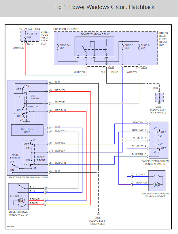
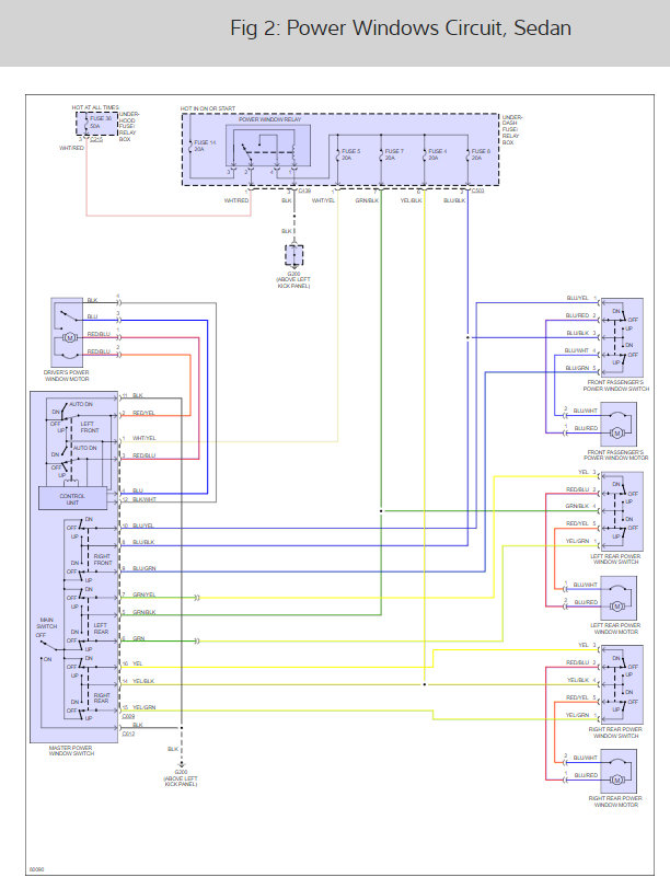
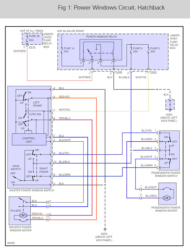
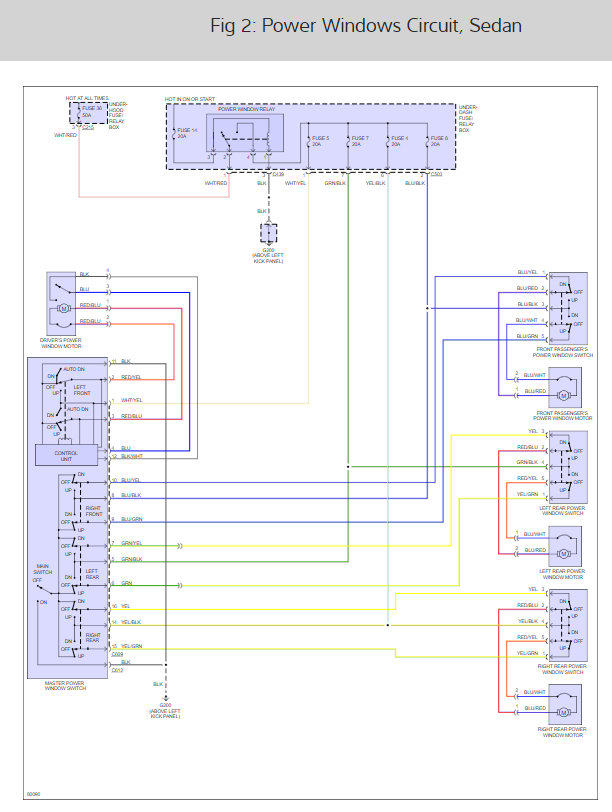
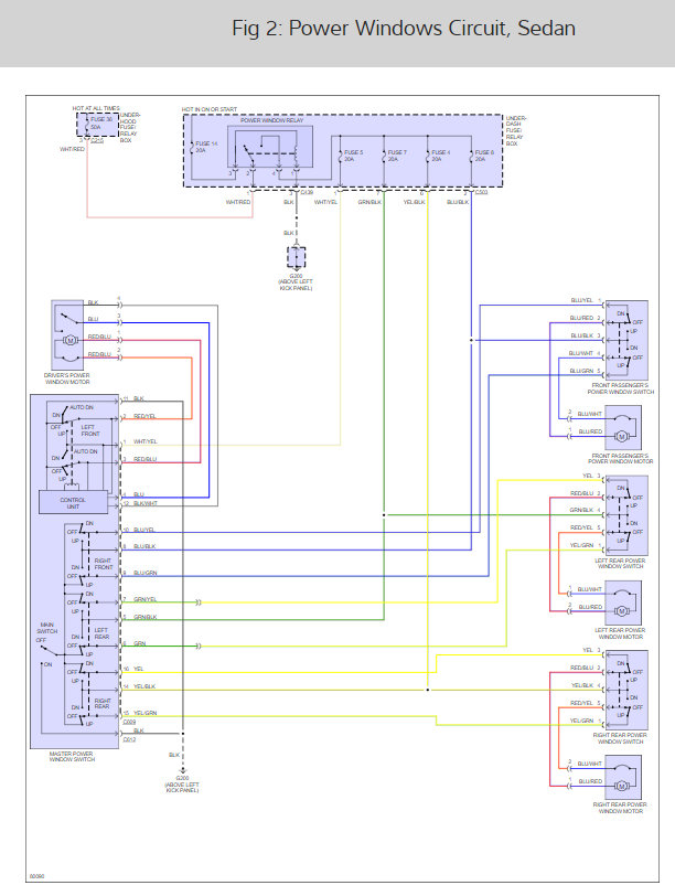
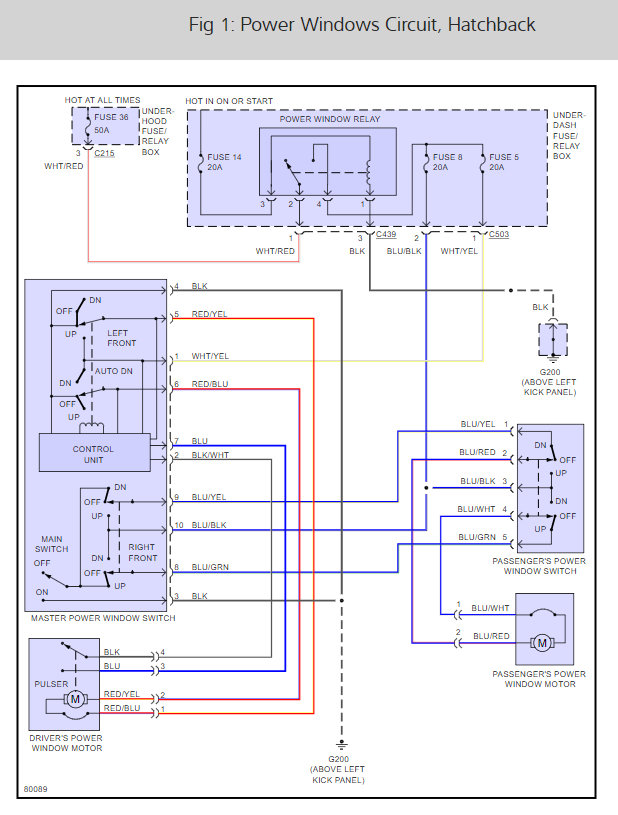
Hello here are guides and diagrams to help you test the power window relay once you find it.

https://www.2carpros.com/articles/how-to-check-an-electrical-relay-and-wiring-control-circuit

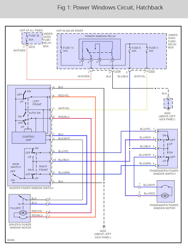
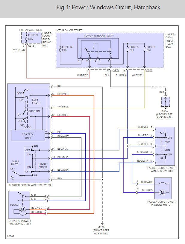
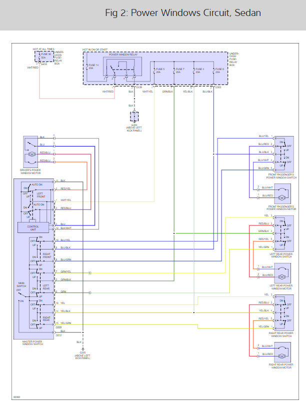
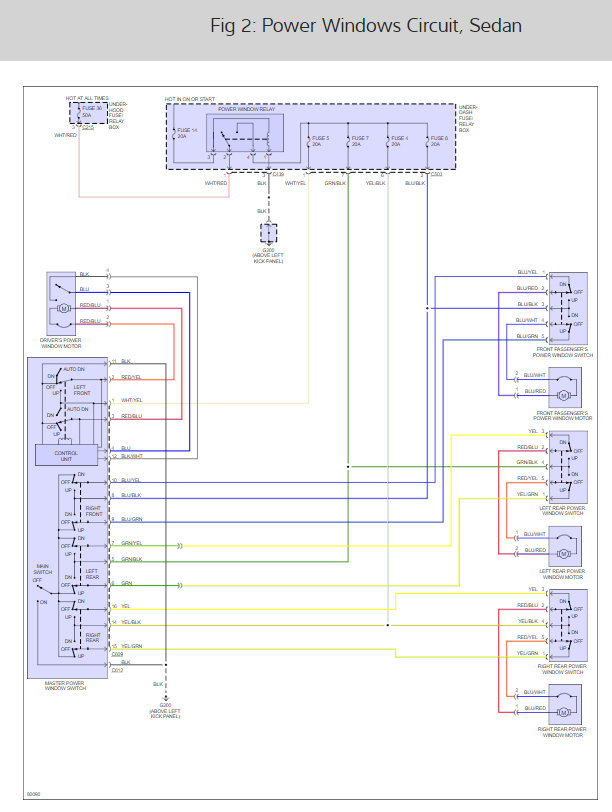
Here are the power window wiring diagrams so you can see how the system works.

Make sure you check the fuses as well.

Check out the diagrams (Below). Please let us know if you need anything else to get the problem fixed.

Cheers
Was this
answer
helpful?
Yes
No
Saturday, February 3rd, 2007 AT 6:13 PM
Tiny
CARLIFE65
  • MECHANIC
  • 200 POSTS
Thank you this site is great I relayed the relay now the windows work again ya! I love this site.
Was this
answer
helpful?
Yes
No
Thursday, October 22nd, 2009 AT 8:39 PM

Please login or register to post a reply.