Cruise control not working

Tiny
DANE RHODE
  • MEMBER
  • 1994 ACURA INTEGRA
My cruise control went out. Where is the solenoid, and or fuse?
Saturday, January 24th, 2009 AT 10:08 PM

2 Replies

Tiny
BLUELIGHTNIN6
  • MECHANIC
  • 16,542 POSTS
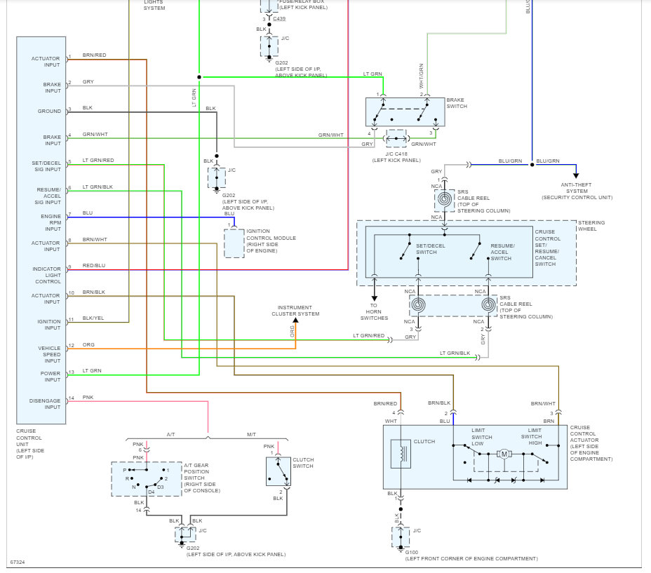
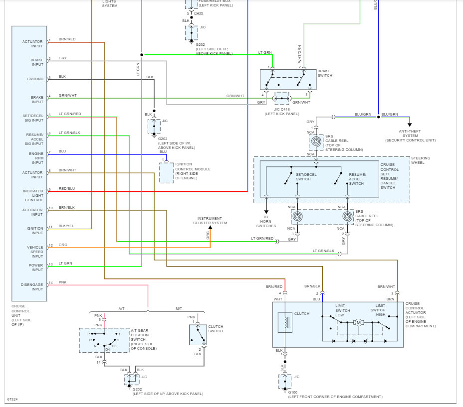
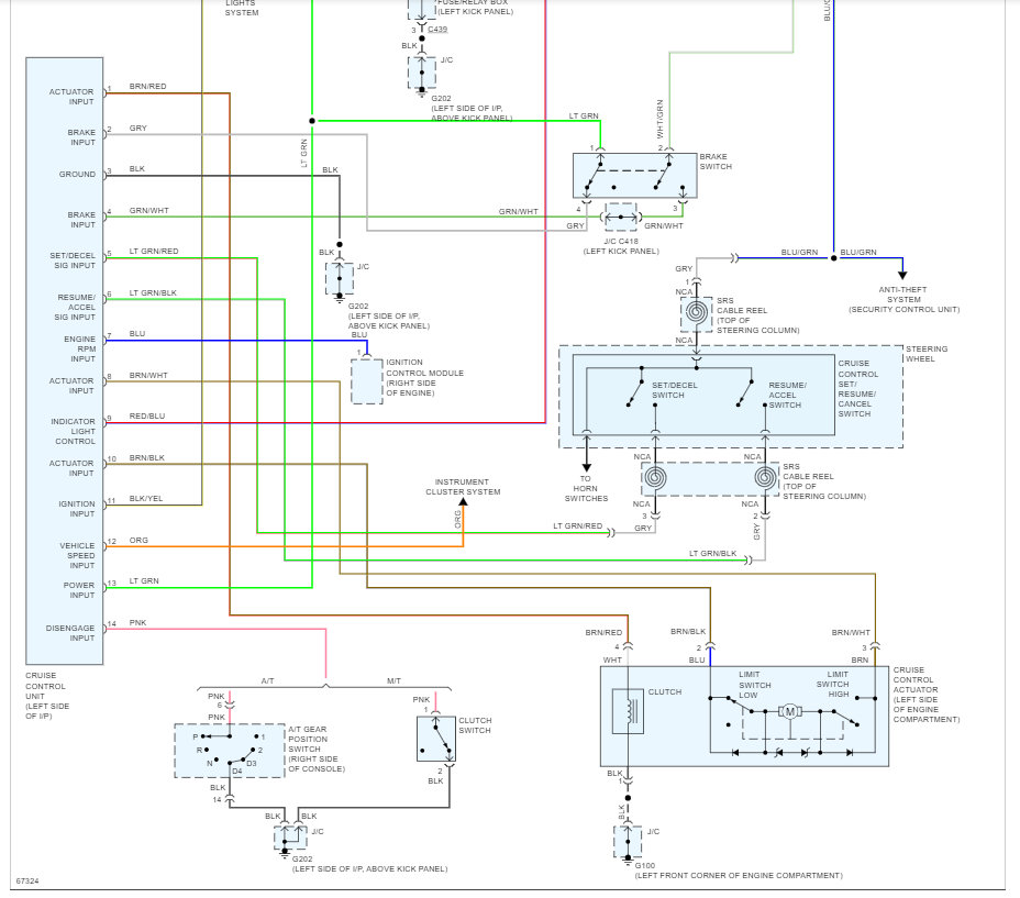
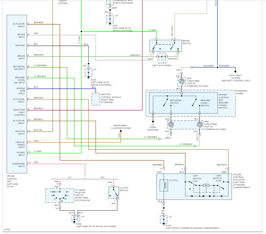
There are two fuses, but I would check the fuses brake light switch and clock spring through the steering wheel which can break causing the cruise control not to work anymore. Here is a guide the the cruise control wiring diagrams to help you fix the problem:

https://www.2carpros.com/articles/how-to-check-wiring

Check out the diagrams (below). Please let us know what you find. We are interested to see what it is.

Cheers
Was this
answer
helpful?
Yes
No
+1
Saturday, January 24th, 2009 AT 10:24 PM
Tiny
GREGTHOS
  • MEMBER
  • 1 POST
I had this problem and had to replace the clock spring in the steering wheel cost me $260.00 at the shop. I wish I did it myself. FYI
Was this
answer
helpful?
Yes
No
+1
Thursday, July 19th, 2018 AT 2:44 PM

Please login or register to post a reply.