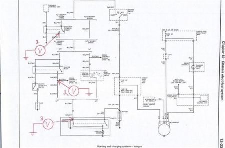
see inclosed drawing with volt-meter insertion.
Basics; turn key. Click is heard inside car. Starter won't spin. Idiot lights are lit when key is turned. Correction from earlier (jump does not help). Trbl. Can come and go in a heart-beat.I can not afford to pull-parts. Internet is replete with people having the same trbl/ the same car.
I want to be of service to others therefore I am offering my help.
car has security system. Therefore has starter cut relay in series w/starter relay. Cut relay is just above your clutch. Starter relay(same as cut).1 1/2" by 1 3/16" by 3/8". Five male connector pins and has a bolt hole at it's top. Starter relay behind dash, passenger side, to right of radio.
I have installed three volt-meters: #1 in connector of cut relay.#2 at fuse 18.#3 at starter solenoid. Next time it occurs I'll know where 12vdc is being interrupted. And I'll tell you so you can tell others. With this many people having the same fault on the same car it's a good percentage it's the same fault. DIAGRAM SENT IN E-MAIL.D. Burbee
Saturday, February 28th, 2009 AT 7:28 AM


