1991 Acura Integra Two Wheel Drive Manual 199000 miles
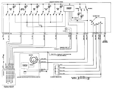
Replaced blower motor. Heater works in every way except the buttons to indicate where you want the fan to blow air, floor, dash, ect. Tested function control motor, which tested good. Tested recirculation motor that also teted good. Have not run test on heater control panel but seems to point to a bad ground. Where could that bad ground be? Don't all three componments work off of the same ground?
Many thanks - Tom
Tuesday, March 18th, 2008 AT 8:16 PM







