Blend door actuator, the shaft that the actuator slides up on is broken

Tiny
BHADD
  • MEMBER
  • 2005 CHEVROLET SUBURBAN
  • 5.8L
  • V8
  • 4WD
  • 230,000 MILES
I have broken the shaft that the actuator slides up on. I have been told to glue it back together. I find that suggestion questionable.
Tuesday, November 24th, 2020 AT 1:50 PM

3 Replies

Tiny
KASEKENNY
  • MECHANIC
  • 18,907 POSTS
Can you be a little more specific about which actuator? I assume you mean one of the HVAC air door actuators but we need to be sure.

If this is the actuator you are talking about, I would agree. If you are going to go to the extent of removing it and gluing it, it would be better to just replace it. I would not try to repair those so I would trust your instinct.

https://www.2carpros.com/articles/replace-blend-door-motor
Was this
answer
helpful?
Yes
No
Tuesday, November 24th, 2020 AT 4:02 PM
Tiny
BHADD
  • MEMBER
  • 2 POSTS
Thanks for your quick reply. I do not see anyway to just replace the shaft. What is the housing for the unit the shaft is apart of called? I have a new actuator/blower motor already I will probably have to spend several hundred to fix a $40.00 problem.
Thanks again for any help.
Was this
answer
helpful?
Yes
No
Tuesday, November 24th, 2020 AT 6:48 PM
Tiny
ASEMASTER6371
  • MECHANIC
  • 52,796 POSTS
Good morning,

I attached the procedure for removing the housing for you. I attached some pictures as well.

Let us know if you have any other questions.

Roy

Air Conditioning and Heater Module Assembly Removal and Installation

Tools Required
J 43181 Quick Connect Connector Removal Tool

Removal Procedure

1. Drain the engine coolant.

ImageOpen In New TabZoom/Print

2. Using the J 43181 disconnect the inlet heater hose from the heater core.
2.1. Install the J 43181 to the heater core pipe.
2.2. Close the tool around the heater core pipe.
2.3. Firmly pull the tool into the quick connect end of the heater hose.
2.4. Firmly grasp the heater hose. Pull the heater hose forward in order to disen(gauge) the inlet hose from the heater core.
3. Using the J 43181 disconnect the surge tank outlet hose from the heater core.
3.1. Install the J 43181 to the heater core pipe.
3.2. Close the tool around the heater core pipe.
3.3. Firmly pull the tool into the quick connect end of the heater hose.
3.4. Firmly grasp the heater hose. Pull the heater hose forward in order to disen(gauge) the surge tank outlet hose from the heater core.
4. Remove the accumulator.
5. Remove the instrument panel carrier. See: Dashboard / Instrument Panel > Removal and Replacement
6. Remove the HVAC module drain hose.
7. Disconnect the electrical harnesses and the ground connections from the HVAC module.

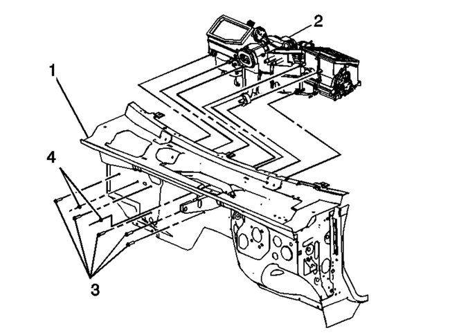
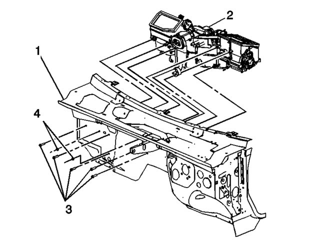
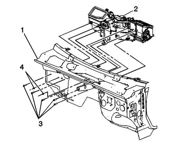
ImageOpen In New TabZoom/Print

8. Remove the nuts (4) from the HVAC module (2).
9. Remove the bolts (3) from the HVAC module (2).
10. Remove the HVAC module (2) from the vehicle (1).
Was this
answer
helpful?
Yes
No
Wednesday, November 25th, 2020 AT 2:44 AM

Please login or register to post a reply.