Wednesday, December 27th, 2017 AT 10:28 PM
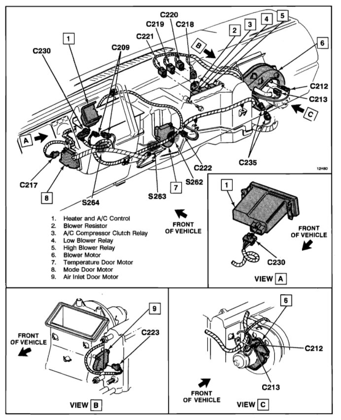
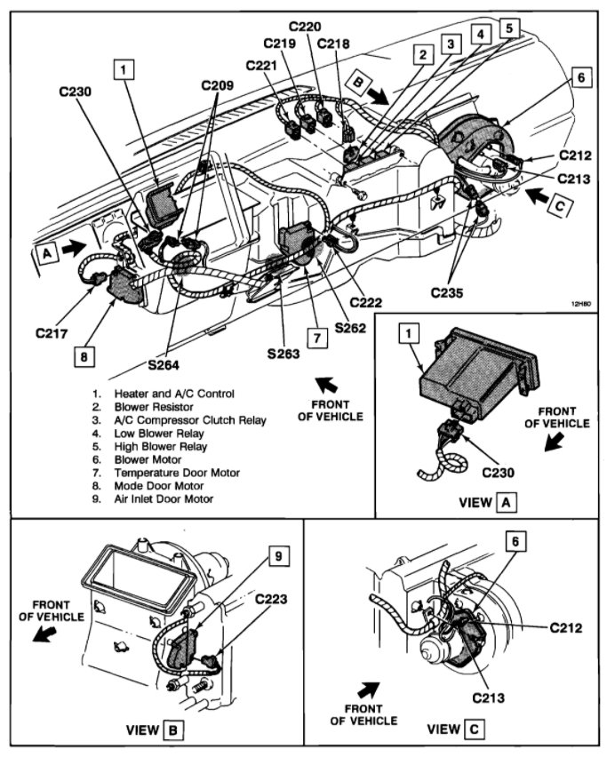
Hi, I replaced the actuator on my K1500. The reason I replaced it is when I turned the truck on and put on the A/C it would make a tapping noise. It was the one behind the glove box. I do not know if the old one was blowing air on the floor or not. I recently tried putting the heat on the floor since it is cooler outside and it will not blow at my feet. It only blows out the top of the vents. I noticed their is another actuator on the driver side and I do not know if that could be the problem or not.





