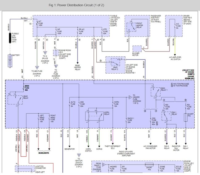
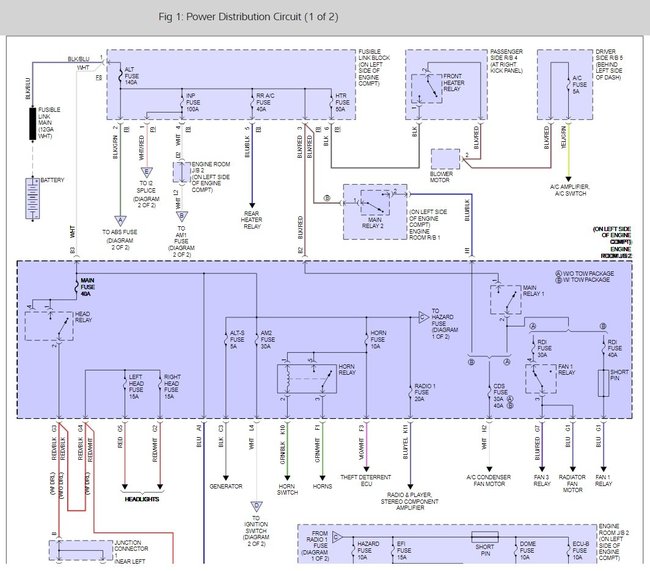
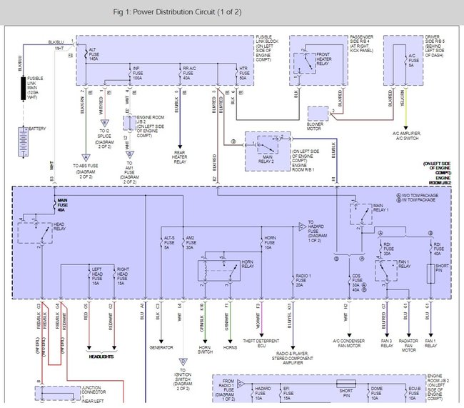
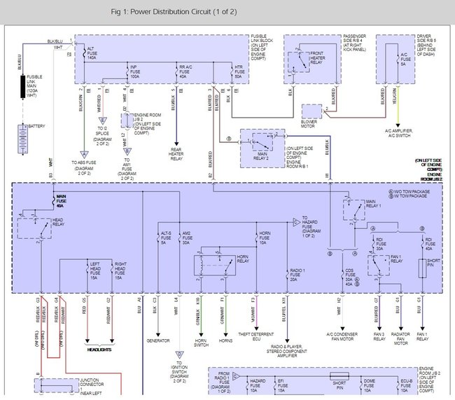
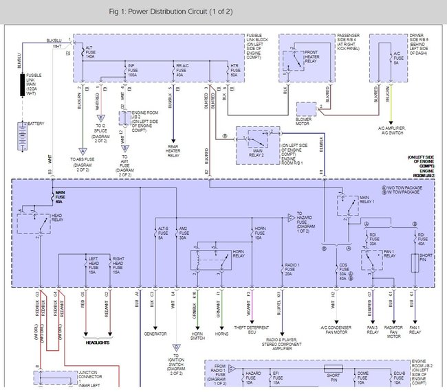
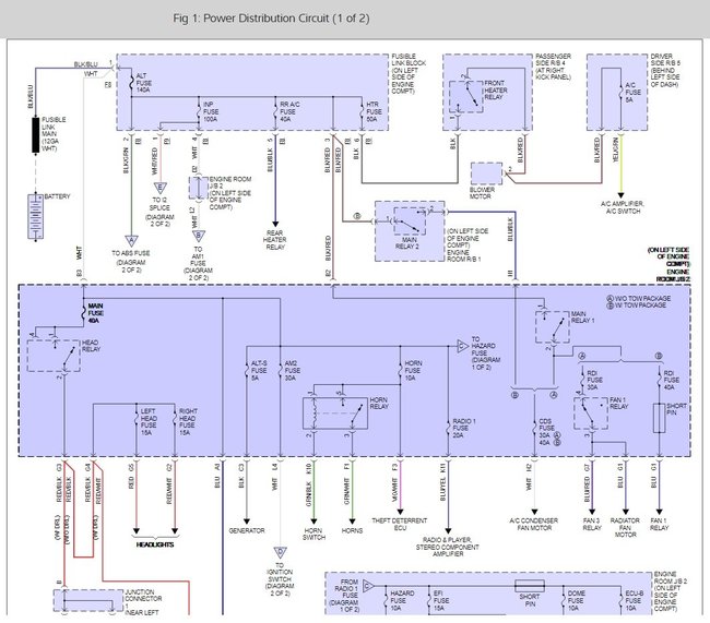
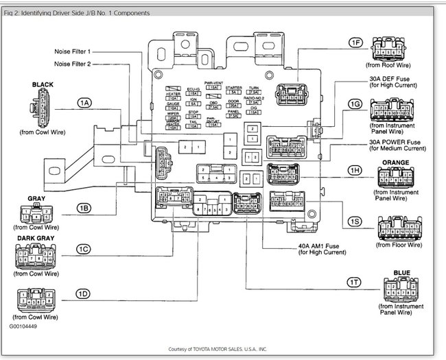
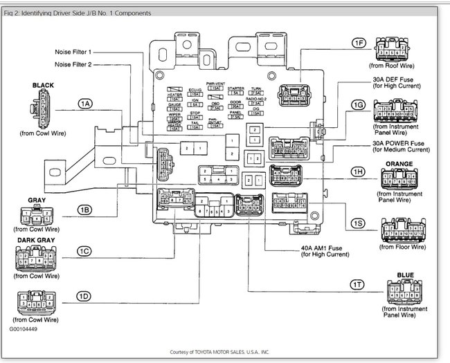
This is intermittent, can park car having radio on at "traffic loud" switch off car and radio off as normal, later accessories comes on with radio, GPS phone charger etc. Waking people up if at night or can flatten battery if not noticed.
Appreciate any help,
Cheers, John and Joy
Saturday, July 15th, 2017 AT 11:59 PM












