AC vents

Tiny
MAHAYLA PEPPER
  • MEMBER
  • 2005 KIA SPECTRA
  • 4 CYL
  • 4WD
  • AUTOMATIC
  • 130,000 MILES
The AC works but got stuck in defrost now it will not change from the defrost and blow out the AC. The nob works because it turns it off but will not switch it to vents.
Wednesday, July 25th, 2018 AT 9:26 AM

1 Reply

Tiny
JACOBANDNICKOLAS
  • MECHANIC
  • 110,194 POSTS
Hi and thanks for using 2CarPros.com.

Based on your description, it sounds like there is a problem with the mode door actuator.
Pressing mode select switch with the ignition on, driver side and passenger side mode door actuators will shift as follows Vent -> Bi/Level -> Floor -> Mix. If it is stuck on defrost, the actuator is not moving the mode door.

Here are two links which describe in general what to look for:

https://www.2carpros.com/articles/low-or-no-air-flow-from-vents

Here is a link which describes in general air flow direction / stuck on defrost

https://www.2carpros.com/articles/air-vents-stay-in-the-defrost-position

Here are directions specific to your vehicle for replacement:

REPLACEMENT
1. Disconnect the negative (-) battery terminal.
2. Remove the lower crush panel and the side cover.
3. Disconnect the connector of mode actuator after removing the air duct.
4. Loosen the mounting screw and then remove the mode actuator.
5. Install in the reverse order of removal.

The first picture correlates with these directions. The second picture is of the mode actuator.

If you are good with electronics, here is the test procedure for checking it. Pictures 3 and 4 correlate with testing.
___________________________________________
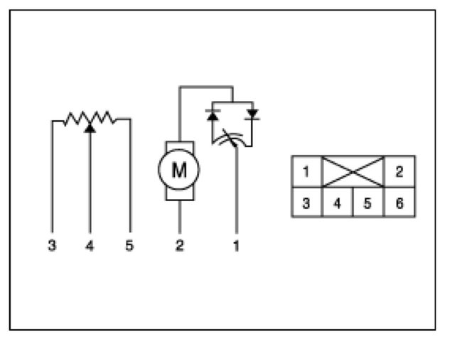
MODE CONTROL ACTUATOR

INSPECTION
1. Verify that the mode actuator operates to the vent position when connecting 12 V to the terminal I and grounding terminal 2.
2. Verify that the mode actuator operates to the defrost position when connecting in the reverse.
3. Check the voltage between terminals 3 and 4.
It will feed back current position of actuator to controls.
________________________________________

I feel this is where the problem is for your vehicle. Before you replace the component, make sure the wiring is in good shape and the plug is not corroded or damaged in any way, which could cause the component not to work.

Let me know if this helps or if you have other questions.

Take care,
Joe
Was this
answer
helpful?
Yes
No
+1
Wednesday, July 25th, 2018 AT 9:18 PM

Please login or register to post a reply.