Hello, I’m hoping that someone may be able to help. My A/C has been out since the beginning of the winter season. Because if this I chose not to repair the A/C during that time.
I have recently changed out the CCRM and the A/C clutch still will not engage.
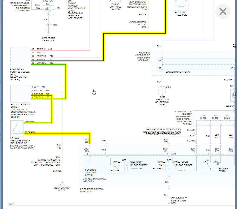
Can someone please help me to understand where the ac switch/pressure switch is located?
I’m in no way a professional but figured I’d take a stab at it since it’s an older car.
Thank you in advance.
I have recently changed out the CCRM and the A/C clutch still will not engage.
Can someone please help me to understand where the ac switch/pressure switch is located?
I’m in no way a professional but figured I’d take a stab at it since it’s an older car.
Thank you in advance.
Apr 14, 2021 at 3:15 PM

