AC relay

Tiny
TONYHAYES201
  • MEMBER
  • 2000 NISSAN FRONTIER
  • 3.3L
  • V6
  • 4WD
  • MANUAL
  • 260,000 MILES
I have seen wiring diagram and everything traces back to pink wire not grounded at relay. I have changed thermo amp and checked everything, but still no ground. Any help on what to check next?
Friday, August 3rd, 2018 AT 9:19 AM

11 Replies

Tiny
PATENTED_REPAIR_PRO
  • MECHANIC
  • 1,853 POSTS
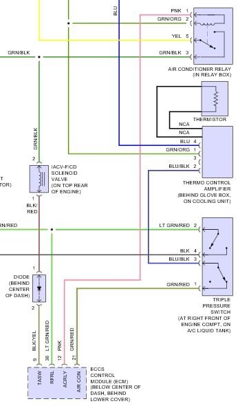
As far as I see it is not ECCS control module (ECM) located below the center of the dash that grounds that pink wire.
Was this
answer
helpful?
Yes
No
Friday, August 3rd, 2018 AT 10:39 AM
Tiny
TONYHAYES201
  • MEMBER
  • 4 POSTS
It is not supplying a ground. The other side of relay coil has 12 volts on it but no ground I can jump from pink to ground and compressor comes on.
Was this
answer
helpful?
Yes
No
Friday, August 3rd, 2018 AT 10:58 AM
Tiny
PATENTED_REPAIR_PRO
  • MECHANIC
  • 1,853 POSTS
Is fuse #13 in the left side of dash okay and voltage making it to the ECCS where that fuse feeds the light green/red wire?
If so, I know the black/yellow wire at the ECCS will not be hot until that AC relay is energized, so we can ignore that one for now. That leaves either the ECCS itself or the triple pressure switch and its feeds, etc.
At this point simply looking at the wiring diagram I cannot tell just how that ECCS and triple switch are supposed to operate, so give me a few minutes to look for any information on it in the repair manual. In the meantime, can you scan for trouble codes from all the computer modules and let me know if there is any codes set and if so, what they are.
Here is a start to understanding it, "Triple-pressure protects A/C system from high pressure build-up due to restriction, overcharge or compressor malfunction. If excessively low or high system pressure is sensed, switch electrically turns on radiator cooling fan and/or turns off compressor to reduce system pressure"
If the ac system pressure is okay, compressor clutch does not disengage, see A/C COMPRESSOR CLUTCH CIRCUIT which I will get as well as If A/C refrigerant pressure is correct, check thermo control amplifier operation. See THERMO CONTROL AMPLIFIER CIRCUIT under SYSTEM TESTS. If thermo control amplifier operation is okay, see A/C COMPRESSOR CLUTCH CIRCUIT, BRB
Was this
answer
helpful?
Yes
No
Friday, August 3rd, 2018 AT 11:12 AM
Tiny
TONYHAYES201
  • MEMBER
  • 4 POSTS
Knock sensors are bad trouble code.
Was this
answer
helpful?
Yes
No
Friday, August 3rd, 2018 AT 11:15 AM
Tiny
PATENTED_REPAIR_PRO
  • MECHANIC
  • 1,853 POSTS
Knock sensor would have nothing to do with AC.
Was this
answer
helpful?
Yes
No
Friday, August 3rd, 2018 AT 11:24 AM
Tiny
TONYHAYES201
  • MEMBER
  • 4 POSTS
Thermo control amp is new and pressure switch checks okay.
Was this
answer
helpful?
Yes
No
Friday, August 3rd, 2018 AT 11:28 AM
Tiny
PATENTED_REPAIR_PRO
  • MECHANIC
  • 1,853 POSTS
Must be that ECCS then.
Was this
answer
helpful?
Yes
No
Friday, August 3rd, 2018 AT 11:32 AM
Tiny
RUBEN LUNA
  • MEMBER
  • 2 POSTS
Hi, I have the same problem with the A/C compressor of a 2000 Nissan Frontier. Will someone have the complete electrical diagram for the compressor and the complete system? I thank you in advance.
Was this
answer
helpful?
Yes
No
Tuesday, August 17th, 2021 AT 9:08 PM
Tiny
JACOBANDNICKOLAS
  • MECHANIC
  • 110,194 POSTS
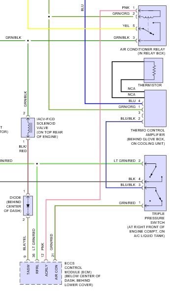
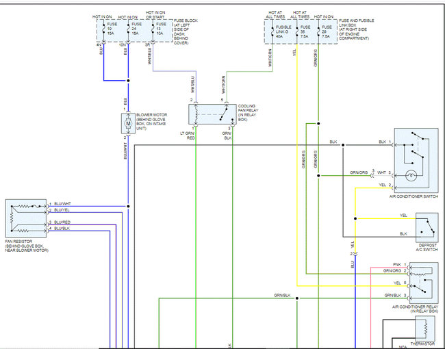
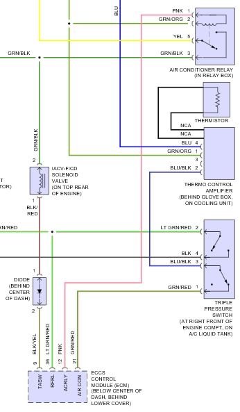
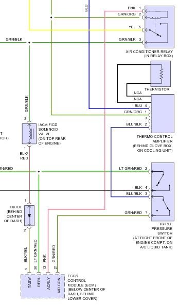
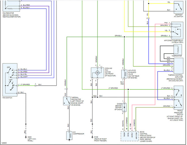
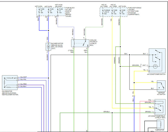
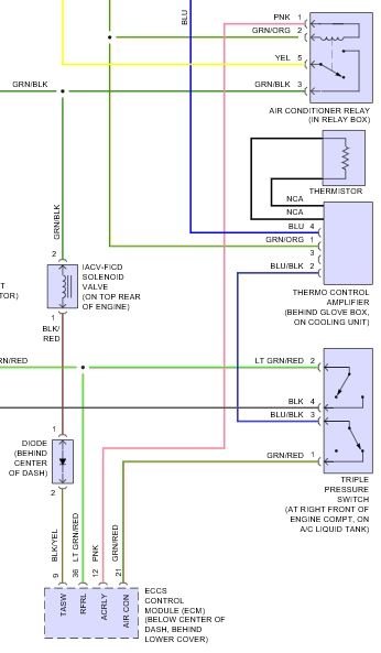
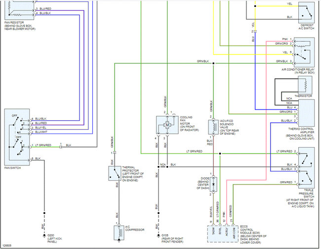
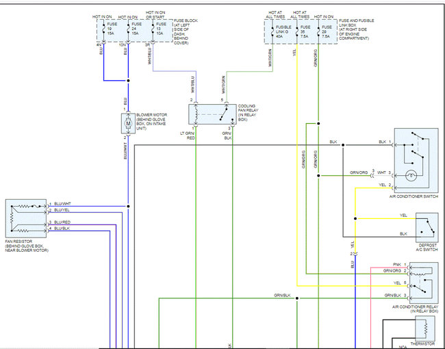
Hi,

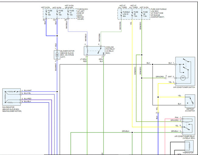
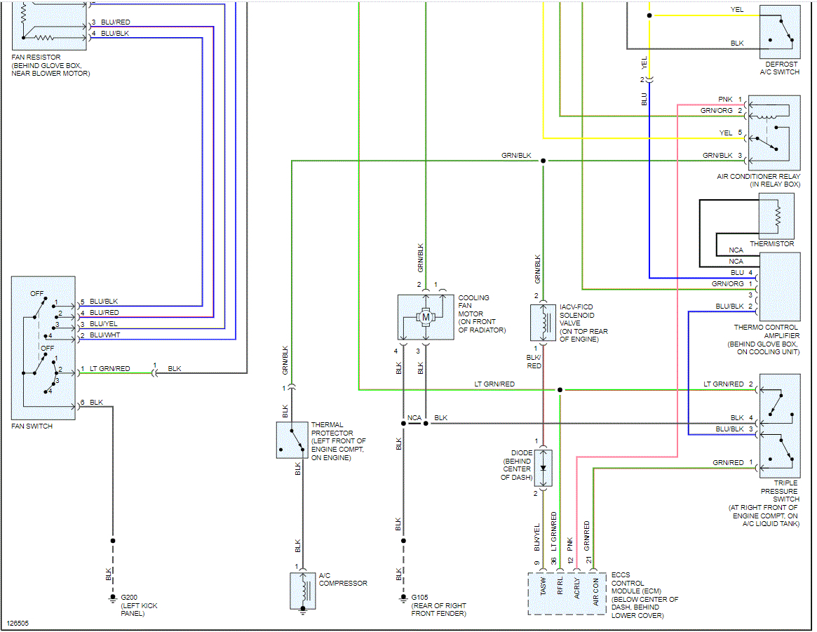
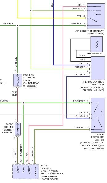
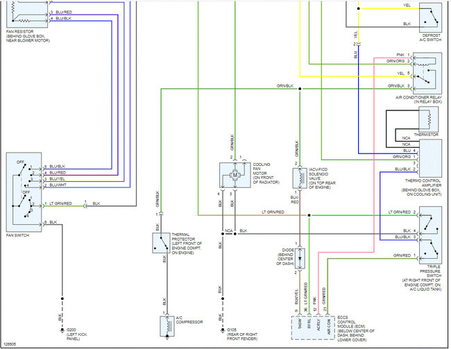
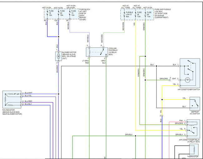
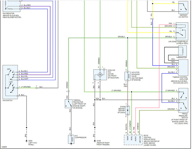
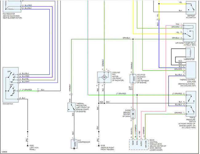
I attached the wiring schematic for a 2000 Frontier Manual A/C system. I had to cut the schematic in half to make it readable for you. However, I did overlap the pics so you can follow from one to the next.

Let me know if this is what you needed or if there is something I can help with. Also, here is a link that you may find helpful:

https://www.2carpros.com/articles/how-to-check-wiring

Let me know if you have other questions

Take care,

Joe

See pics below.
Was this
answer
helpful?
Yes
No
+1
Thursday, August 19th, 2021 AT 10:18 PM
Tiny
RUBEN LUNA
  • MEMBER
  • 2 POSTS
I really appreciate your help. I will let you know if it worked, again thank you very much.
Was this
answer
helpful?
Yes
No
Friday, August 27th, 2021 AT 2:24 PM
Tiny
JACOBANDNICKOLAS
  • MECHANIC
  • 110,194 POSTS
You are very welcome. I look forward to hearing from you. I'm interested in knowing if you get it fixed.

Take care,

Joe
Was this
answer
helpful?
Yes
No
Friday, August 27th, 2021 AT 7:50 PM

Please login or register to post a reply.