A/C not working

Tiny
KASEKENNY
  • MECHANIC
  • 18,907 POSTS
Okay. That is correct voltage on 2 and 3.

Maybe we should take a step back because I thought we confirmed the pressure was correct but that was just static pressure.

Both sides (high and low) in that picture are 80 PSI?

If so, that seems fine. However, go back to the relay and just jump the relay and get the compressor to run again and check the pressures with the compressor running.

However, if the pressures are correct and jumping the dual pressure switch does not cause the compressor to come on, means the PCM is not commanding it on and appears to be the issue.

I attached a chart for correct pressures. However, with 80 PSI on both sides of a static system, shows it is full or at least full enough to get the compressor to come on.

Just seems like the PCM is not able to ground the relay.
Was this
answer
helpful?
Yes
No
Saturday, October 9th, 2021 AT 5:12 PM
Tiny
DIVIDES
  • MEMBER
  • 954 POSTS
Yes, that was static. Does it always mean pressure is right just cause static is right?
I also have seen the yellow light blink sometimes or come on and off on the A/C display inside the car when I turn it on.
Was this
answer
helpful?
Yes
No
Saturday, October 9th, 2021 AT 5:34 PM
Tiny
DIVIDES
  • MEMBER
  • 954 POSTS
Yes, both about 80 PSI. And before the last readings I sent you for the pressure switch the relay was out lol. So, when I inserted it I got the right values. But I will try what you just mentioned.
Was this
answer
helpful?
Yes
No
Saturday, October 9th, 2021 AT 5:50 PM
Tiny
DIVIDES
  • MEMBER
  • 954 POSTS
So, connect the pressure switch or leave it I guess doesn't mean anything and jump the relay. Check the pressure and go from there, and see if the air is cold.
Was this
answer
helpful?
Yes
No
Saturday, October 9th, 2021 AT 5:57 PM
Tiny
KASEKENNY
  • MECHANIC
  • 18,907 POSTS
Exactly. You are bypassing the entire control side by jumping the relay, so it doesn't matter if the switch is connected or not.

Yes. Then check the pressures or at least make sure it blows cold. That will confirm that the pressures should be closing the dual pressure switch and the PCM should be grounding the relay.
Was this
answer
helpful?
Yes
No
Saturday, October 9th, 2021 AT 7:26 PM
Tiny
DIVIDES
  • MEMBER
  • 954 POSTS
Gotcha. No chance of the A/C head unit having anything to do with this?
Was this
answer
helpful?
Yes
No
Saturday, October 9th, 2021 AT 8:08 PM
Tiny
DIVIDES
  • MEMBER
  • 954 POSTS
And it's okay to jump relay temporarily like this right?
Was this
answer
helpful?
Yes
No
Sunday, October 10th, 2021 AT 7:53 AM
Tiny
KASEKENNY
  • MECHANIC
  • 18,907 POSTS
Yes. It is fine to install the jumper and run it to test it. The switch is nothing more than a metal contact inside the switch case, so by connecting a jumper wire, you are just acting like the switch itself.

Clearly it is not a good idea to leave it.

Also, the flash A/C light normally means there is a circuit issue or some other reason the PCM is preventing the compressor from coming on. This could be an electrical issue, sensor issue, or even a pressure issue.

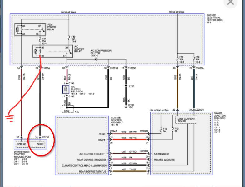
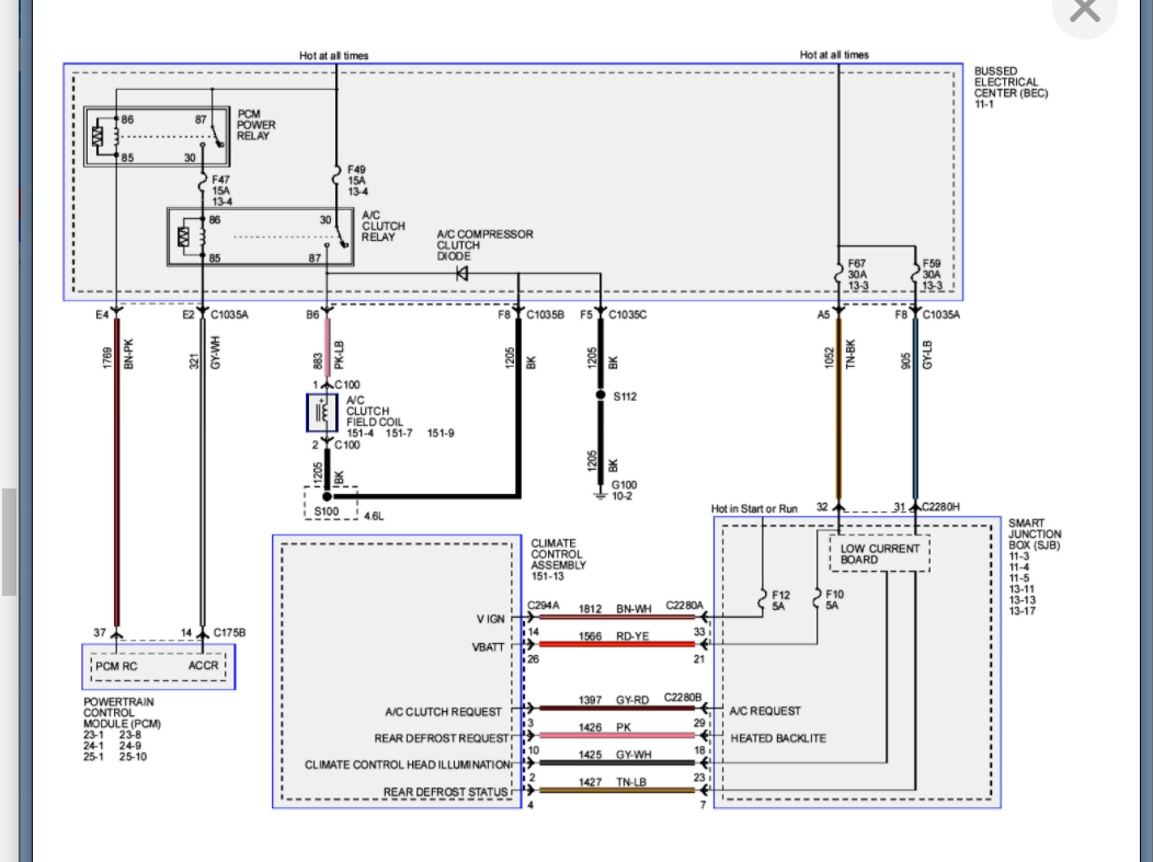
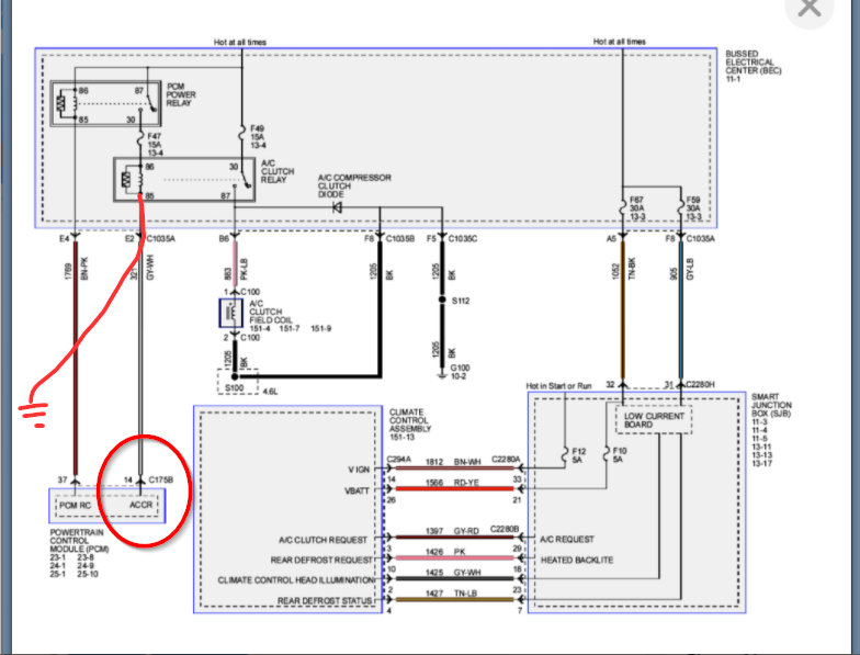
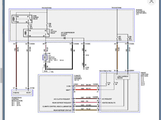
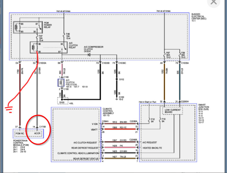
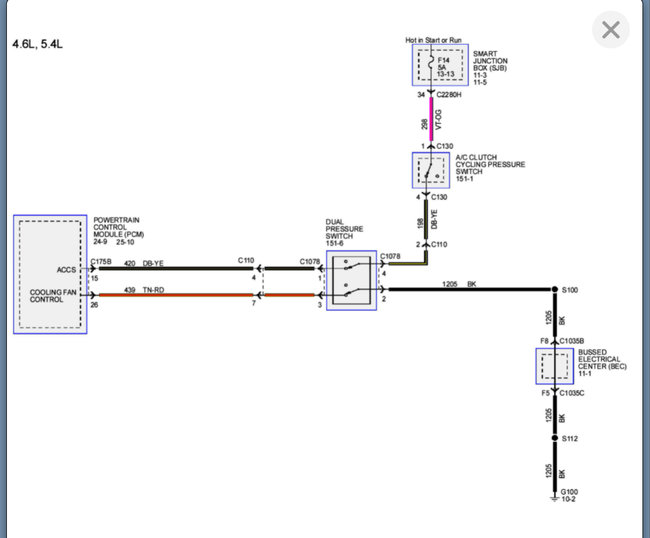
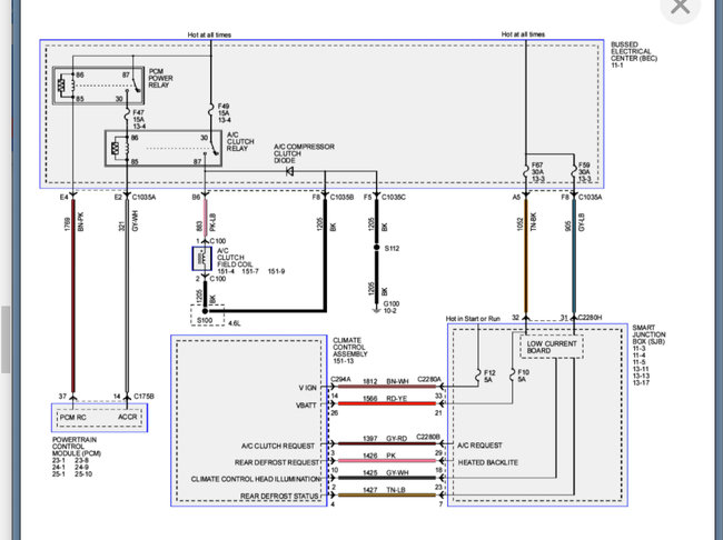
I am attaching the info below from the manual that explains the system in more detail.

Basically, if you are bypassing everything and the A/C doesn't come on, the only way it is the A/C control module is if that is not sending the signal that you pressed the button.

The best way to check this is to monitor the A/C clutch request in the PCM.

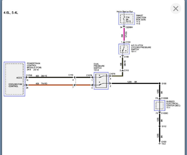
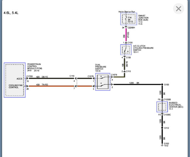
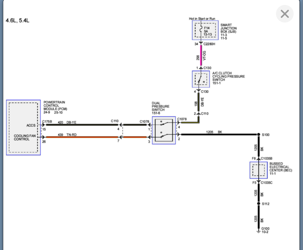
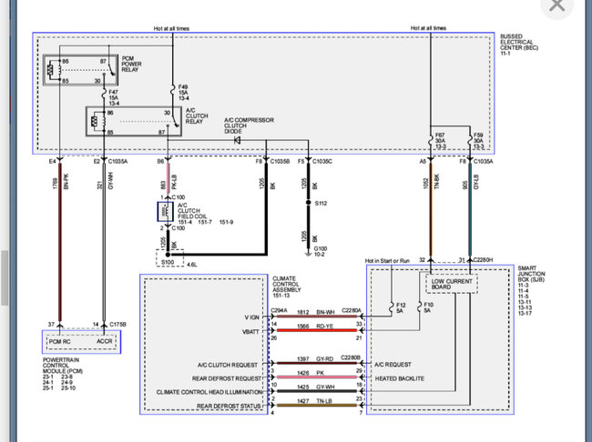
Also, these OEM diagrams explain this a little better than the AllData ones. You can see the pin 2 and 3 of the dual pressure switch are for the cooling fan which is why that came on. However, the PCM still is not commanding the clutch on.

While it would be good to confirm this with monitoring the PCM, it appears the way this works is when you press the A/C button, it sends voltage to the smart junction block as you can see on the first diagram. The SJB then sends voltage on the A/C clutch cycling pressure switch. If the pressure switch is closed then it sends the voltage to the dual pressure switch on pin 1 and 4. The PCM is the ground for this circuit so if it gets 12 volts due to both switches being closed, then it commands the clutch relay to close.

We have already confirmed you have voltage at the PCM on this circuit, but the relay is not coming on. Jumping 1 and 4 of the dual pressure switch just eliminates the switch as being the issue.

Unless I am missing something, I think you need a PCM.

If you connect the entire system and start the engine and turn the A/C on, you should have 12 volts at pin 15 of the PCM C175B. If you do, then the PCM should be grounding the relay, but it is not.
Was this
answer
helpful?
Yes
No
Sunday, October 10th, 2021 AT 10:04 AM
Tiny
DIVIDES
  • MEMBER
  • 954 POSTS
I did jump 2 of the wires, compressor kicked in as well as fan and air is cold.
Was this
answer
helpful?
Yes
No
Sunday, October 10th, 2021 AT 2:06 PM
Tiny
DIVIDES
  • MEMBER
  • 954 POSTS
I don't want to fool around with another PCM right now. It is getting cold here in Alabama so I won't need the A/C for now. So how can I temporarily provide a ground for the relay until next year?
Was this
answer
helpful?
Yes
No
Sunday, October 10th, 2021 AT 2:21 PM
Tiny
KASEKENNY
  • MECHANIC
  • 18,907 POSTS
Maybe I didn't understand something. What two wires did you jump to cause the compressor to kick on? The two on the dual pressure switch? If you did then that switch is the issue.

As for rigging this up to take the PCM out of it, that is going to be tough because you can simply remove the relay and jump power directly to the compressor circuit, but the compressor will run all the time and you need to cycle the compressor, or you will over pressurize the system and blow a line off or freeze it up.

So, you could wire a switch and run it into the cap but you would need to cycle the compressor manually, but it needs to cycle based on pressures. This is why you have this pressure cycling switch on the PCM control circuit. Basically, that is a pressure switch and when the pressure reaches a certain point, it opens the circuit and the PCM cuts the compressor off.

So, this really isn't a good option but hopefully you jumped 1 and 4 of the dual switches and the compressor kicked on. If so, replace that switch and it should be fixed.
Was this
answer
helpful?
Yes
No
Sunday, October 10th, 2021 AT 2:47 PM
Tiny
DIVIDES
  • MEMBER
  • 954 POSTS
No I jumped the relay. The switch isn't even connected.
Was this
answer
helpful?
Yes
No
Sunday, October 10th, 2021 AT 2:53 PM
Tiny
DIVIDES
  • MEMBER
  • 954 POSTS
What I connect a ground the relay ground pin and since the dual switch works it should cut off the compressor if the pressure is too high or too low.
Was this
answer
helpful?
Yes
No
Sunday, October 10th, 2021 AT 3:03 PM
Tiny
KASEKENNY
  • MECHANIC
  • 18,907 POSTS
Take a look at the diagram below. If you put a ground on this circuit so that the compressor comes on, you are eliminating the PCM all together. Those sensors are on the other side of the PCM, so they are called inputs to the PCM, and this clutch relay is called an output.

The PCM takes these inputs and determines if the clutch relay should be grounded or not.

So, the PCM is what is turning the relay on and off and whatever you do, you are going to have to take the place of this. That means you need to have the input information (pressures in this case) and instead of the PCM deciding if the relay needs to be grounded or not, you would have to do that by adding and removing the ground so that the compressor doesn't continuously run.
Was this
answer
helpful?
Yes
No
Sunday, October 10th, 2021 AT 3:37 PM

Please login or register to post a reply.