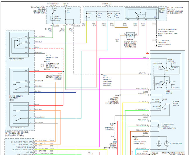
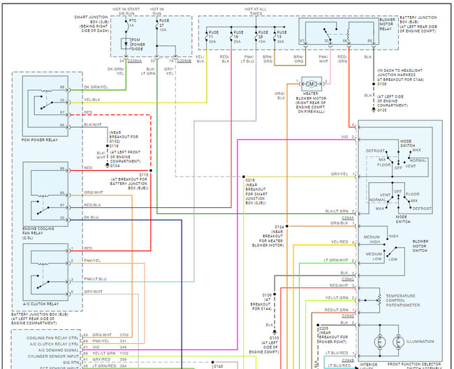
Monday, September 9th, 2024 AT 6:50 PM
I believe it could be a bad wiring issue somewhere, but I unfortunately don't know how the system is wired. I checked out the relay and believe it's good, I think I might have a bad connection going to the relay as in the fuse box, but I don't know the exact wiring. Any help would be appreciated, thanks.





