A/C interior lights not working properly

Tiny
RUG2020
  • MEMBER
  • 2007 SUZUKI SWIFT
  • 1.3L
  • 4 CYL
  • 2WD
  • AUTOMATIC
  • 148,000 MILES
Interior Lights for AC are on before switching on?
Sunday, February 23rd, 2020 AT 2:16 AM

1 Reply

Tiny
KASEKENNY
  • MECHANIC
  • 18,907 POSTS
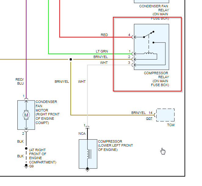
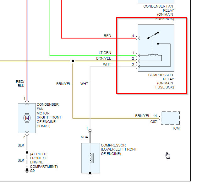
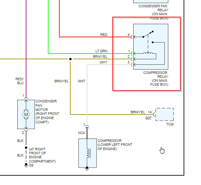
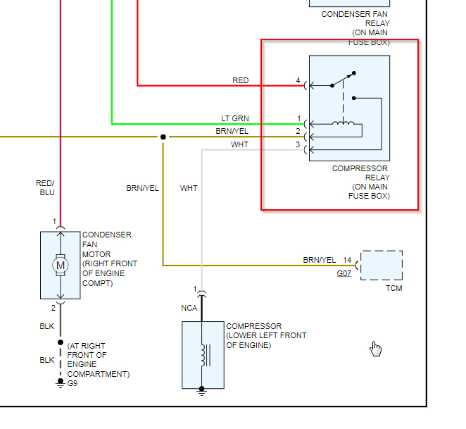
So when the engine is turned on the A/C button is on? Is the compressor on as well? Are you able to turn it off?

Sounds like we have a control module issue or one of the relays is stuck on.

If the light doesn't go out, then we may need a scan tool to see what the inputs to the control head are telling it. Have you been able to check for codes?

If you don't have a scan tool then most parts stores can pull codes for you free of charge.
Was this
answer
helpful?
Yes
No
Sunday, February 23rd, 2020 AT 7:50 AM

Please login or register to post a reply.