Thursday, May 10th, 2018 AT 9:20 AM
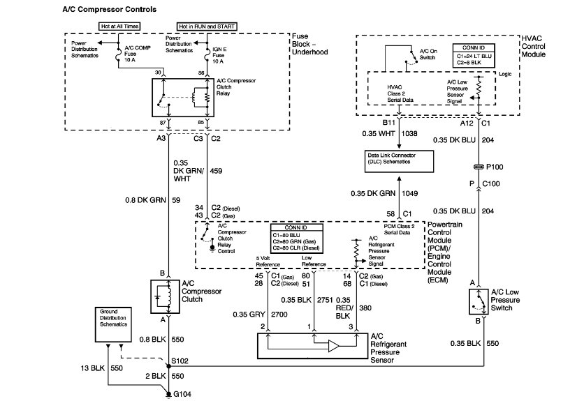
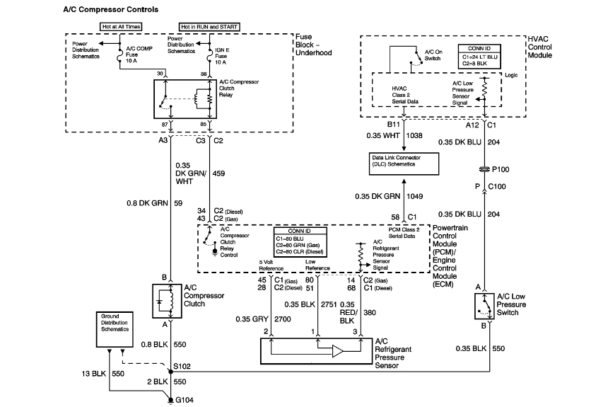
I have the SUV listed above with front/rear AC. I replaced and oiled compressor, condenser, accumulator and orifice tube. Put my vacuum pump on and I have a substantial leak. All hoses appear dry no obvious visible leaks or audible leaks. Added aerosol dye but the compressor is not cycling to circulate the dye so I cannot locate the leak. Tried crossing the low pressure switch to get the compressor to run without success. Tested low pressure switch leads with a multi-meter and got 4.6 volts. Very strange, as I was prepared for 0 or 12 but not 4.6. With low pressure switch jumped I tested the leads at the compressor and got no current. Checked fuse and swapped relay with the headlights which appear to use the same relay without success. How can I get the compressor to run long enough to circulate the dye to find/fix my leak? Is this also likely a sign of a separate electric issue with the climate control in addition to the mechanical problems I have already fixed?



