A/C is not working?

2010 MERCURY MILAN
220,000 MILES
Avatar
DCUDD
  • MEMBER
  • 4 POSTS
No power to the control panel all the fuses and relays are good.
Sep 4, 2023 at 9:59 AM
Repair Safety Notice: This information is for general instructional purposes only. Vehicle repair can be dangerous. Verify all information, follow manufacturer service procedures, use proper tools and safety equipment, and consult a qualified repair shop when needed.
Advertisement
Avatar
JACOBANDNICKOLAS
  • CAR REPAIR CONTRIBUTOR
  • 110,190 POSTS
Hi,

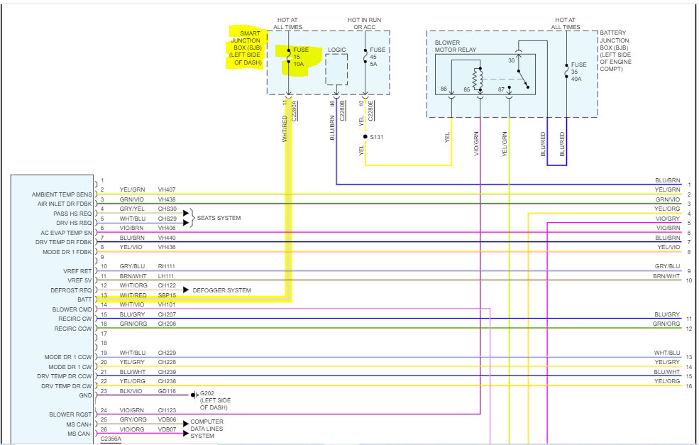
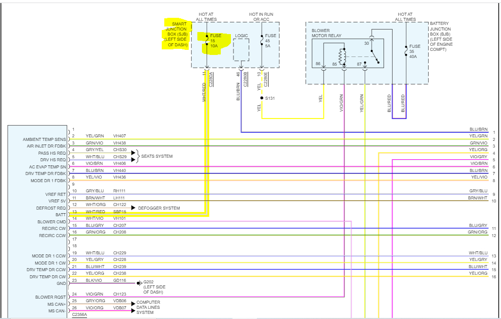
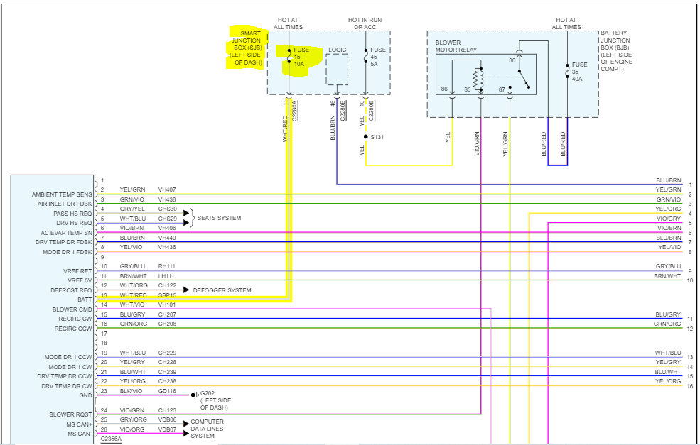
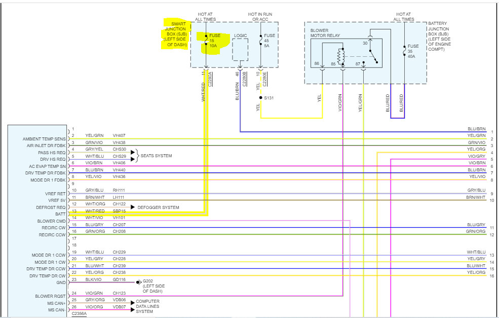
When you check for power, is it a white wire with a red tracer? Also, fuse 15 in the smart junction box is the power supply to the control panel. When checking the fuse, confirm there is power to it.

Here is a link you may find helpful:

https://www.2carpros.com/articles/how-to-check-a-car-fuse

Let me know. Also, I need to know the engine size, if it is a hybrid, and if it has automatic climate control or manual control.

Take care,

Joe

See pics below. Note: The wiring schematic is for a 4-cylinder, non-hybrid, with manual climate control.
Sep 4, 2023 at 9:50 PM
Advertisement
Avatar
DCUDD
  • MEMBER
  • 4 POSTS
It's not a Hybrid, it has automatic climate control, and it has a 3.0 engine.
Sep 6, 2023 at 6:27 PM
Avatar
JACOBANDNICKOLAS
  • CAR REPAIR CONTRIBUTOR
  • 110,190 POSTS
Hi,

That makes a difference. LOL Actually, the power is from the same fuse box. I attached the power supply schematic below. Please note that I'm basing this on the control panel not getting power.

If you find that the fuse is good and has power, check to see if there is power at the controller white wire with a red tracer.

Let me know.

Take care,

joe

See pics below.
Sep 7, 2023 at 1:17 PM
Avatar
DCUDD
  • MEMBER
  • 4 POSTS
I have fire from the fuse box all the way to the back of the control panel.
Sep 7, 2023 at 4:56 PM
Avatar
JACOBANDNICKOLAS
  • CAR REPAIR CONTRIBUTOR
  • 110,190 POSTS
Hi,

If you have power to the unit, confirm there is continuity to ground via the black wire at the connector. If there is, the unit likely has an internal fault and will need to be replaced.

Let me know.

Joe
Sep 7, 2023 at 7:12 PM