A/C and heating unit

Tiny
ROBERT SWAN
  • MEMBER
  • 2004 INFINITI QX56
  • 0.5L
  • V8
  • 4WD
  • MANUAL
  • 222,000 MILES
When I turn my unit on I only get heat or air blowing in the back and not from the front vents.
Tuesday, January 30th, 2018 AT 5:58 AM

3 Replies

Tiny
KEN L
  • MASTER CERTIFIED MECHANIC
  • 55,469 POSTS
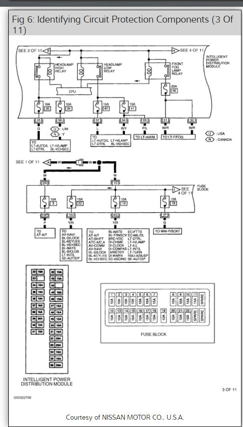
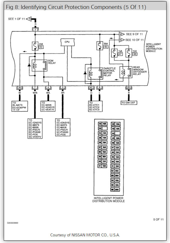
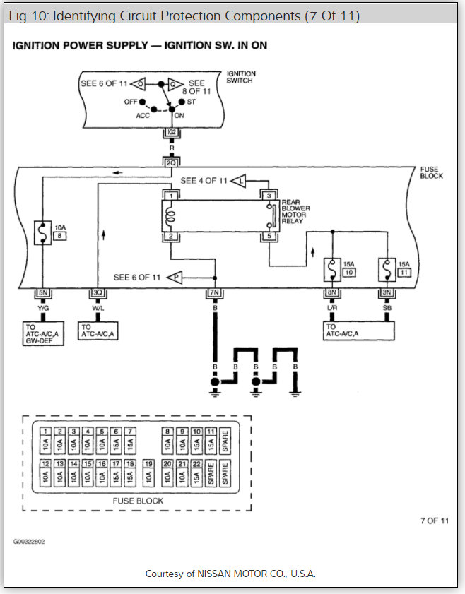
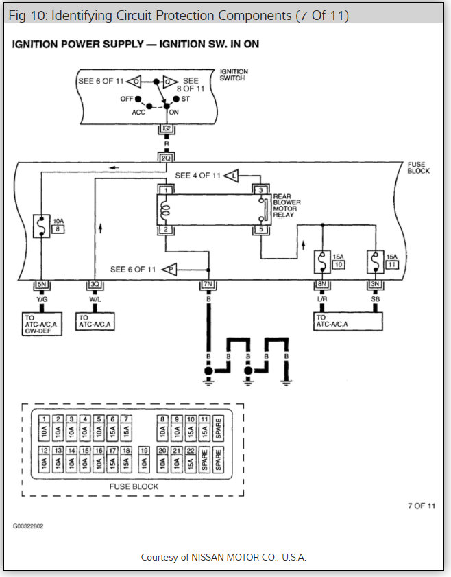
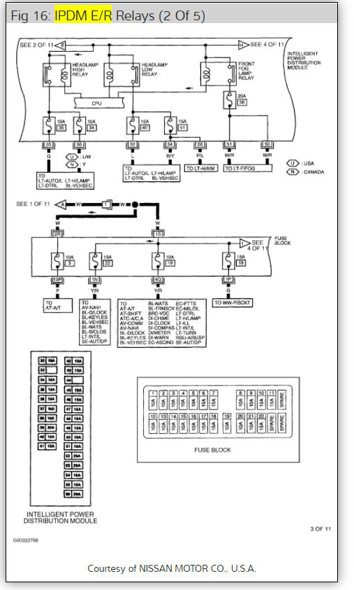
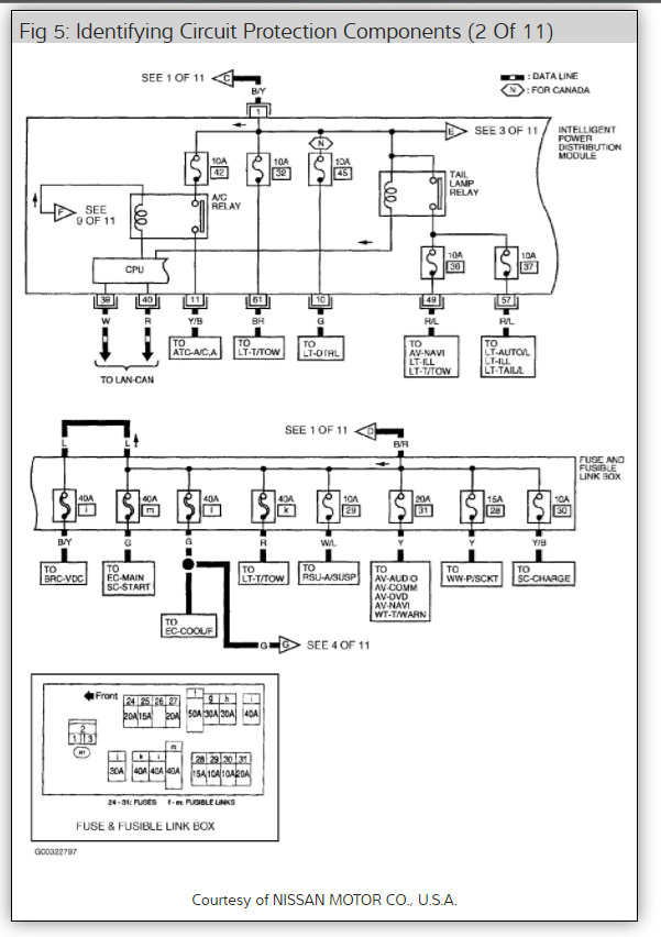
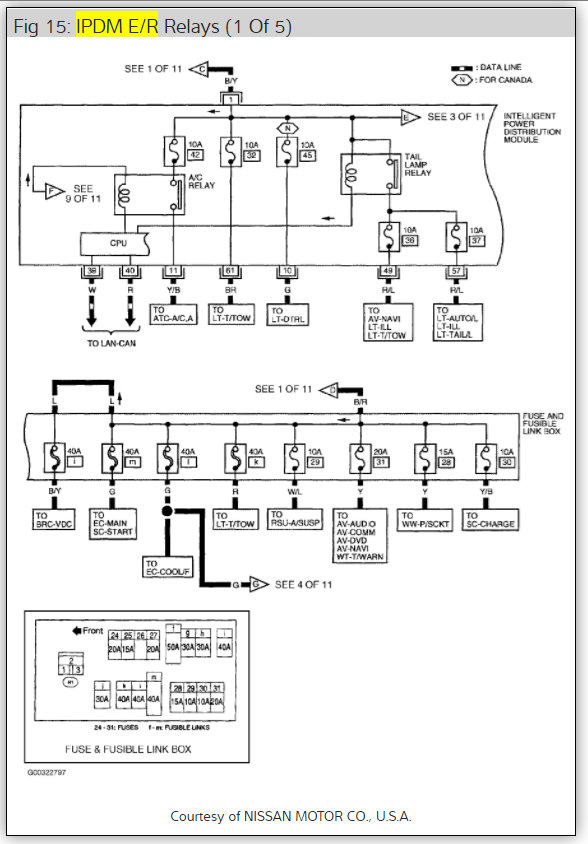
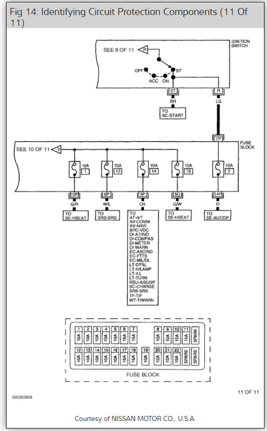
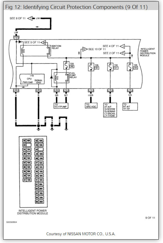
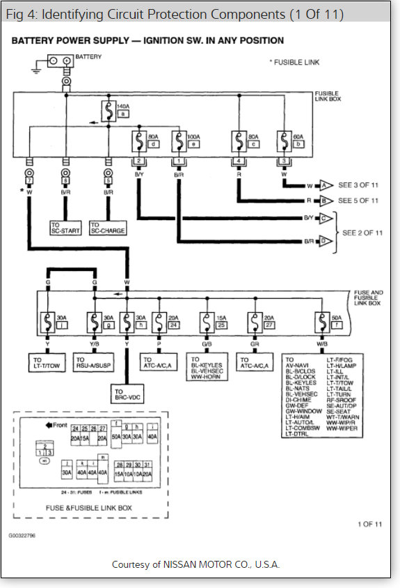
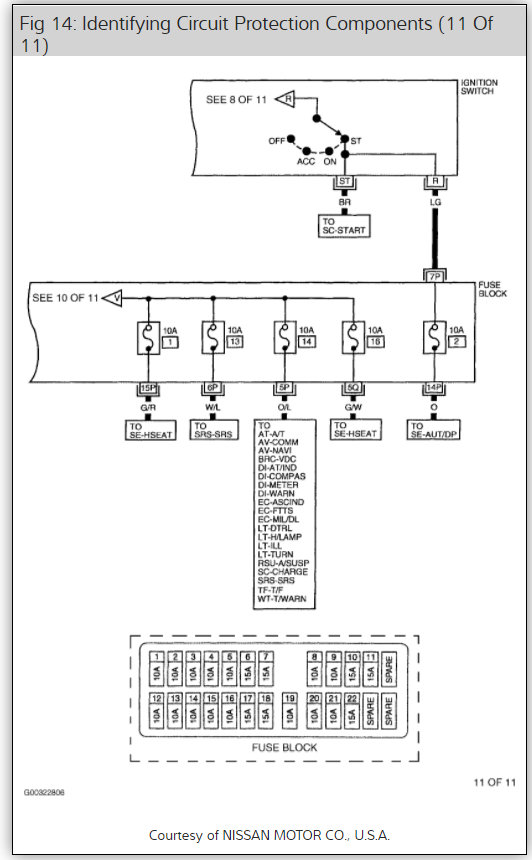
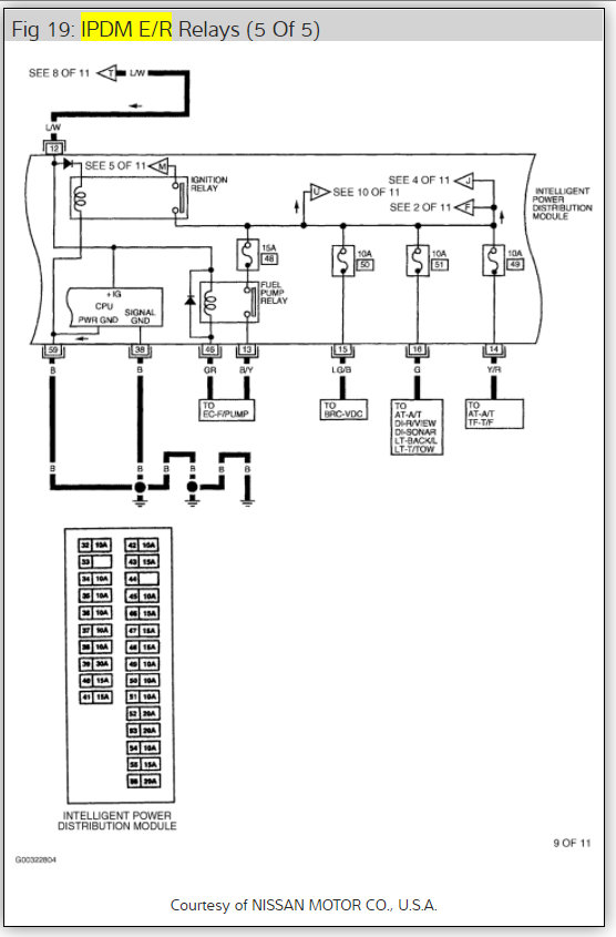
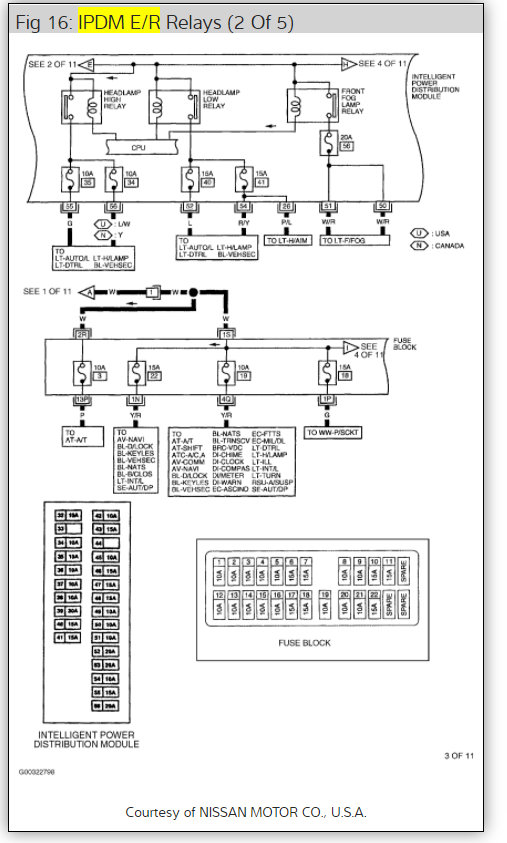
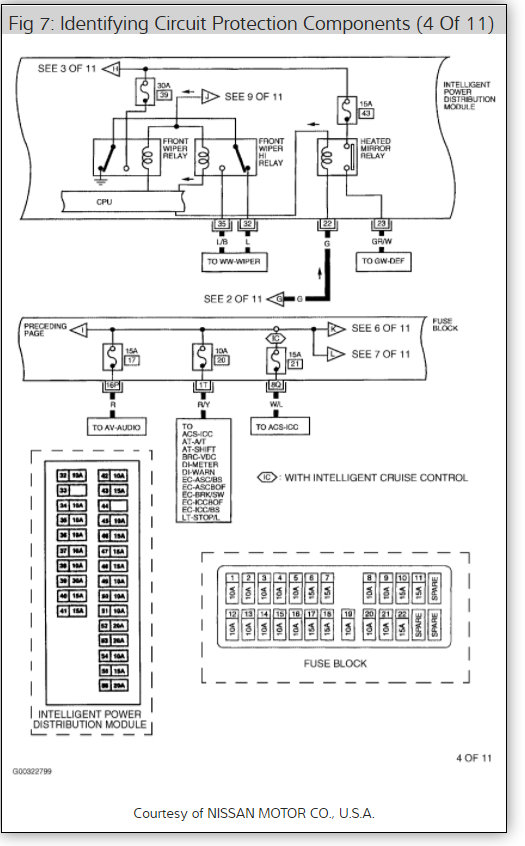
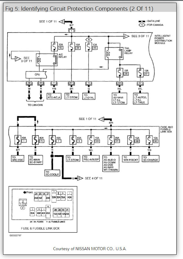
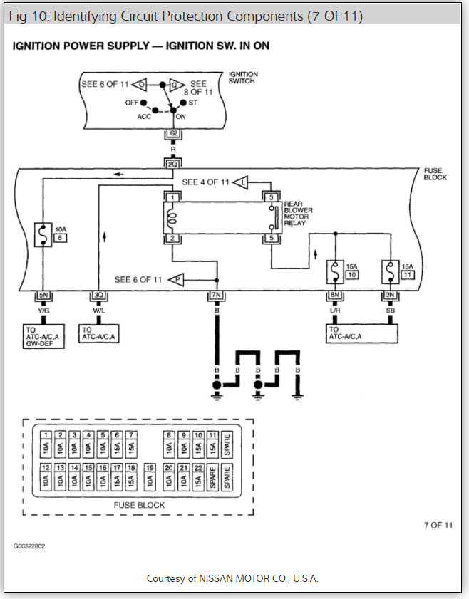
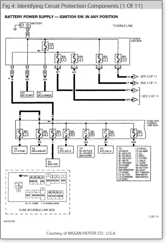
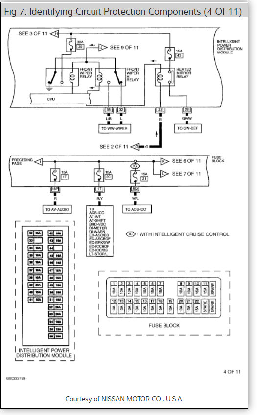
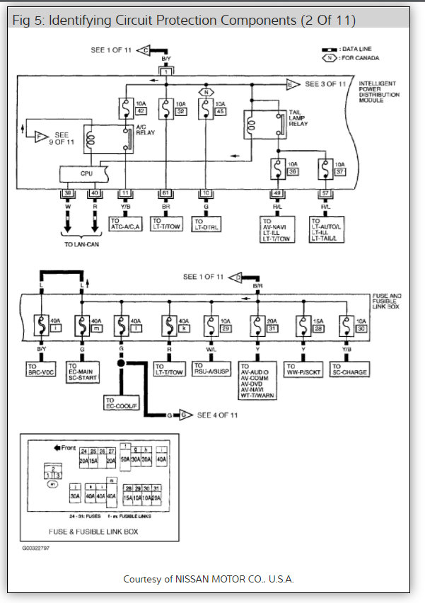
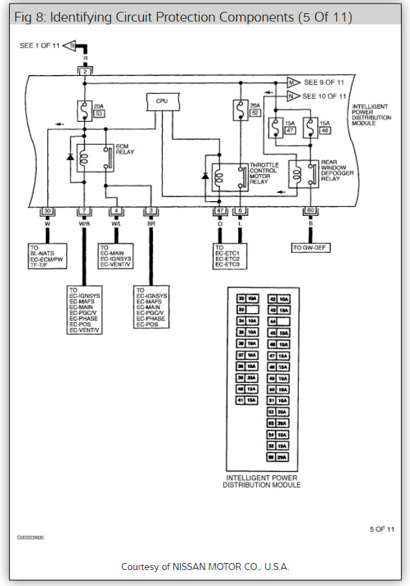
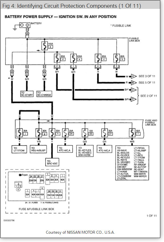
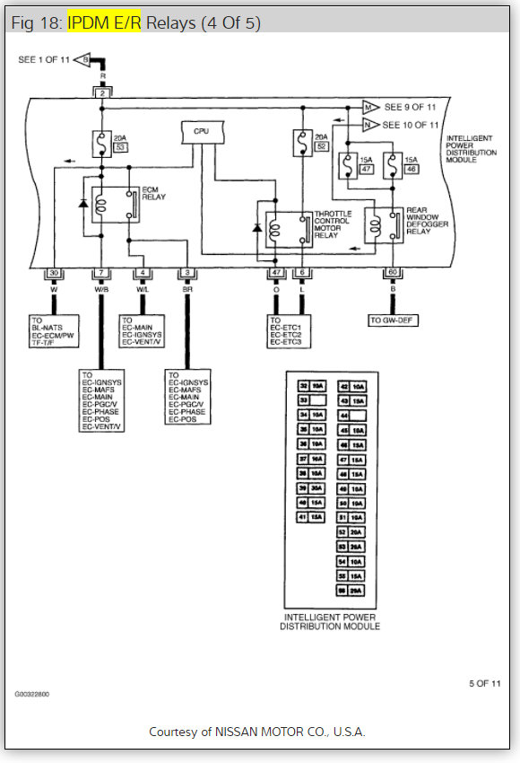
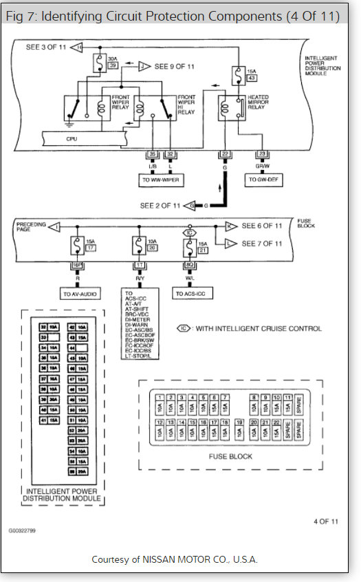
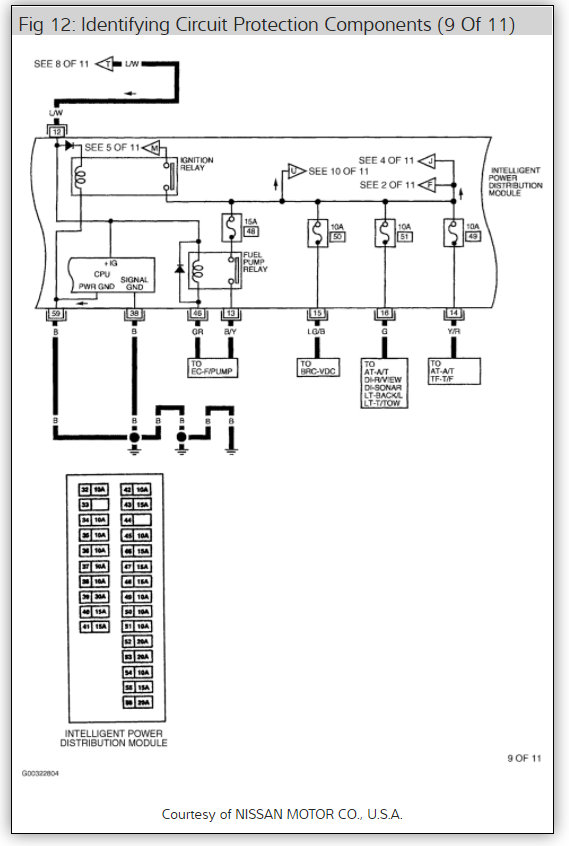
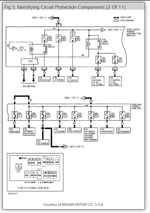
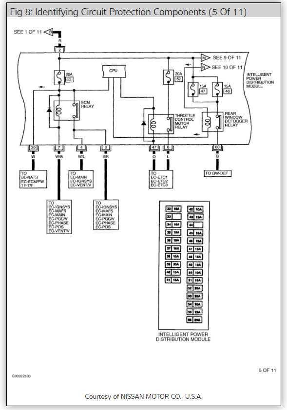
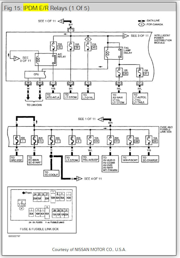
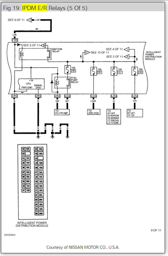
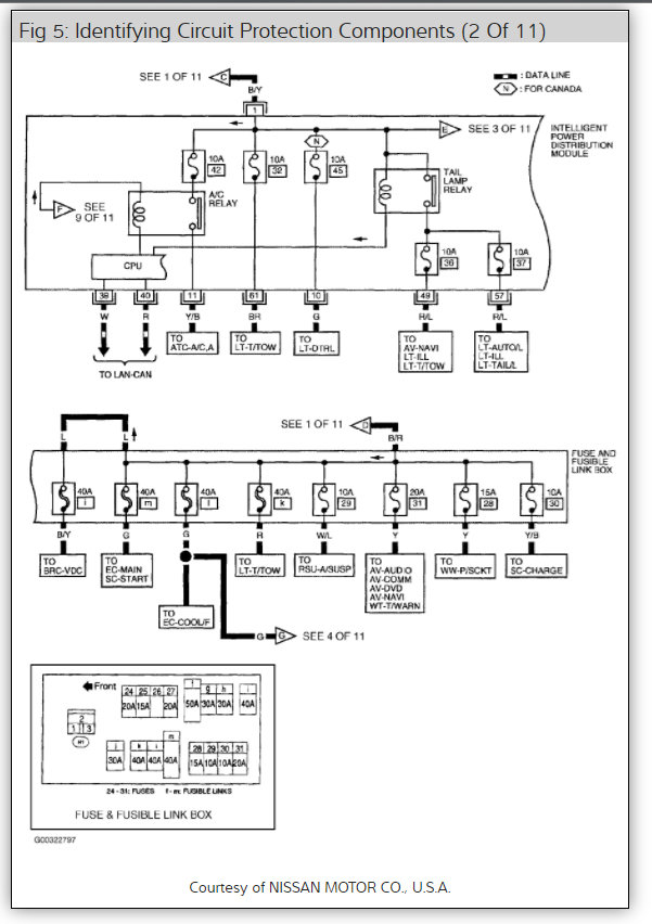
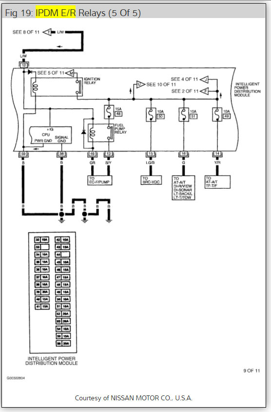
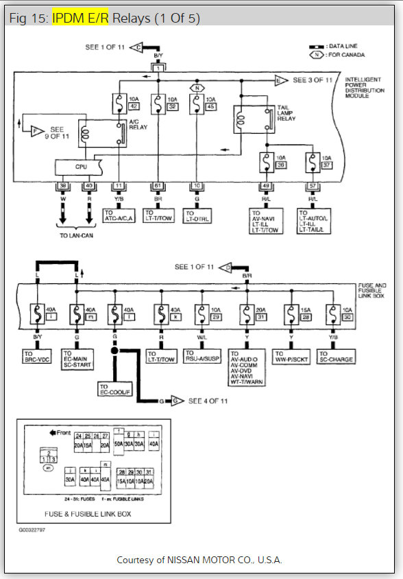
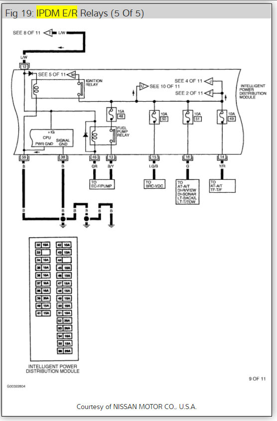
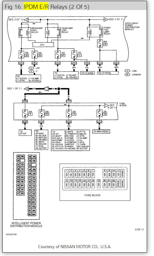
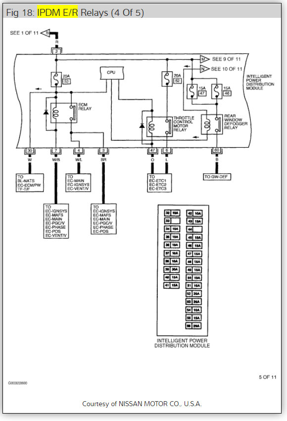
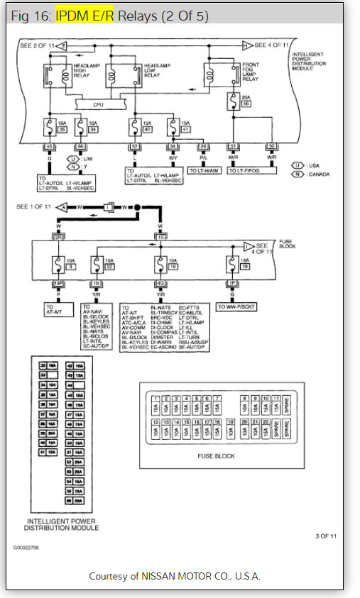
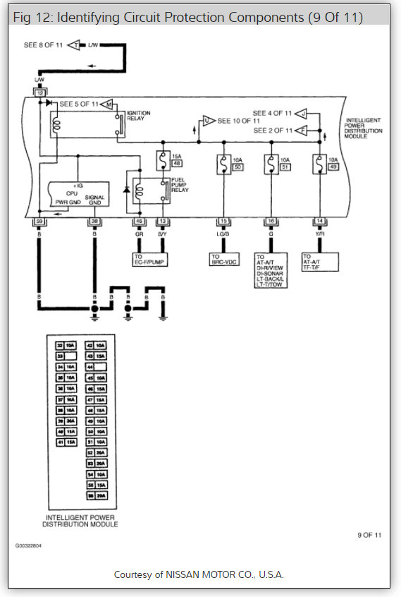
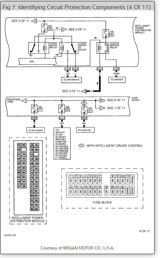
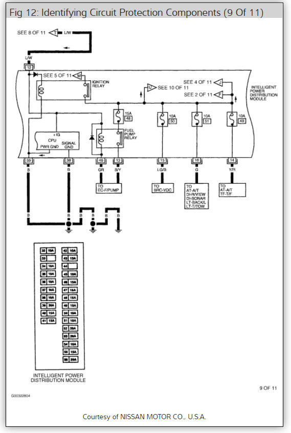
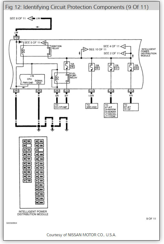
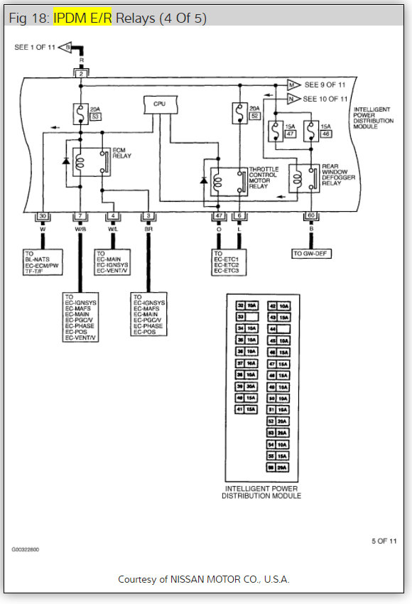
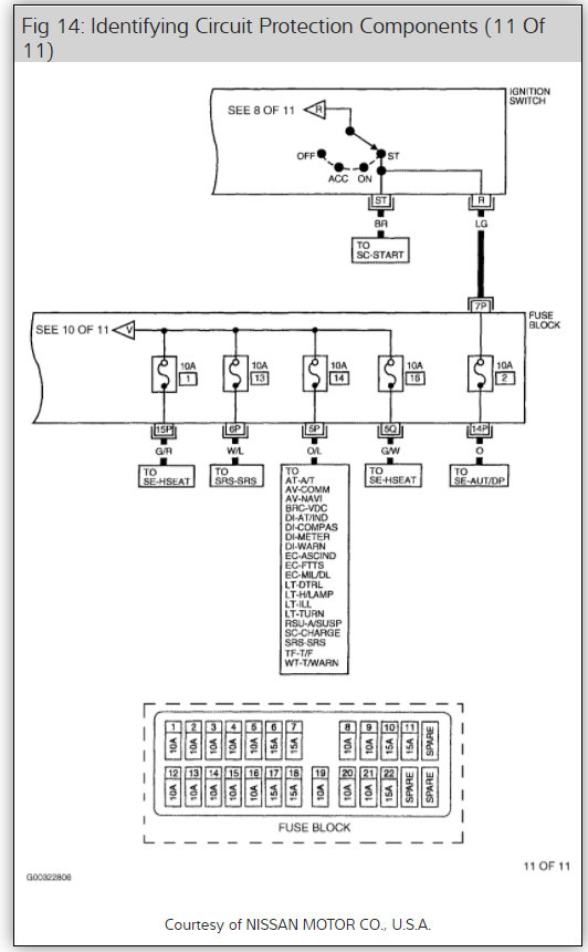
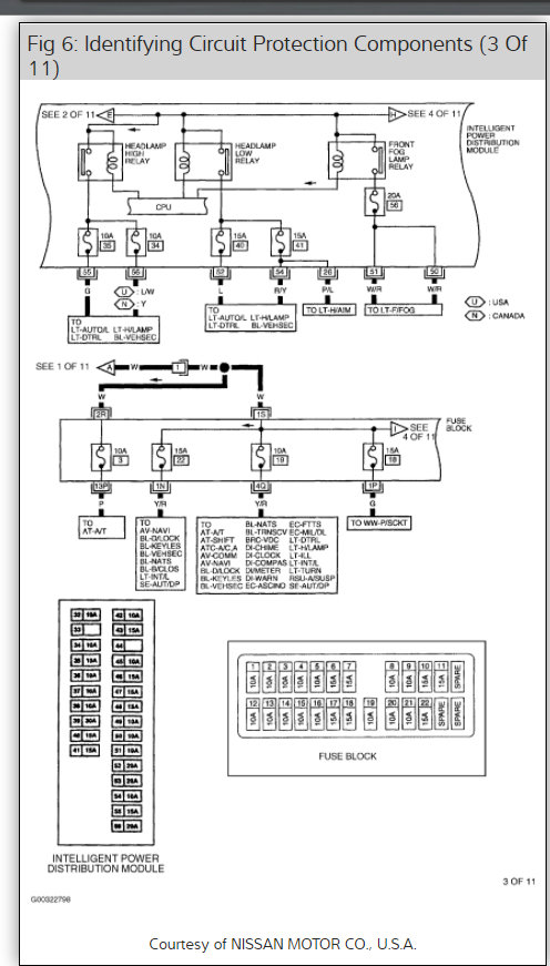
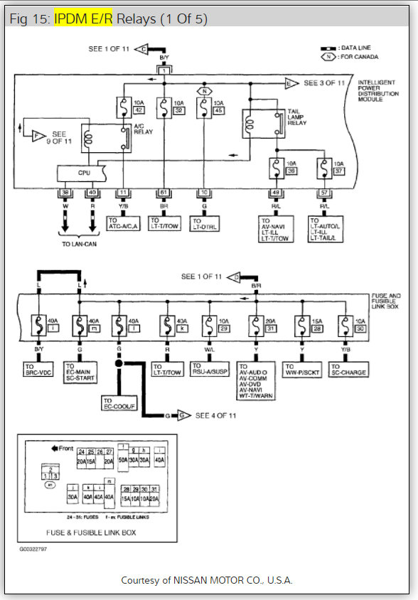
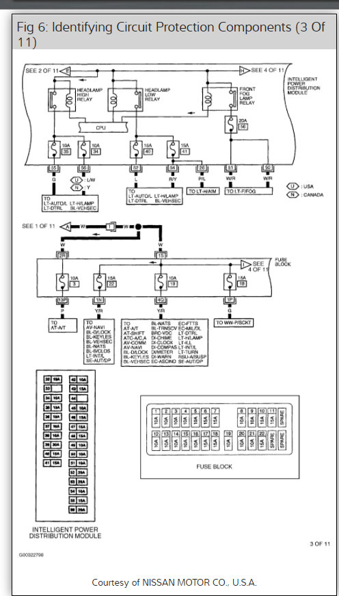
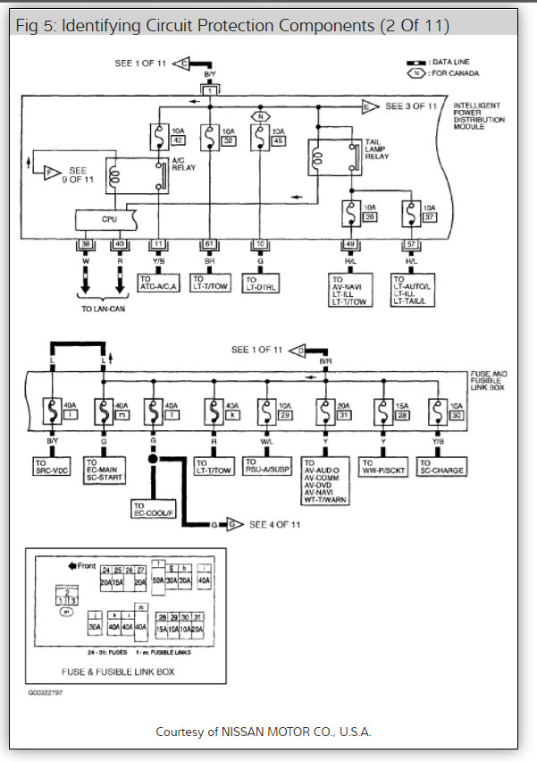
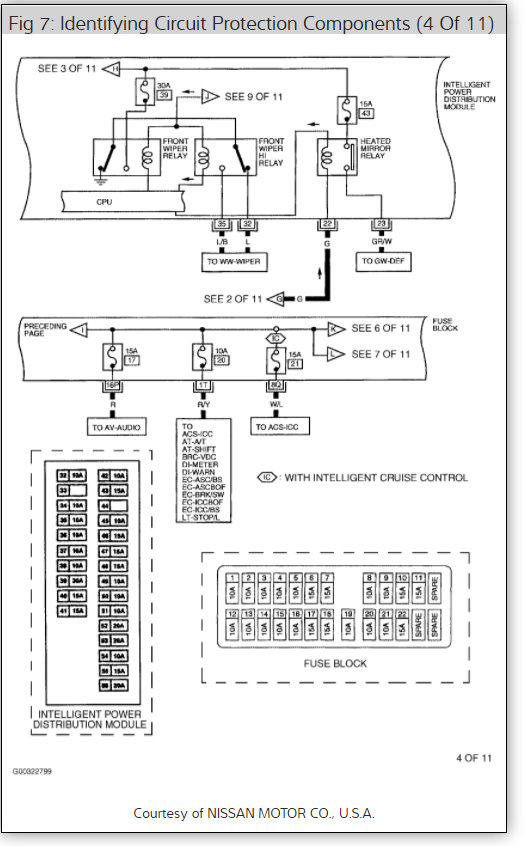
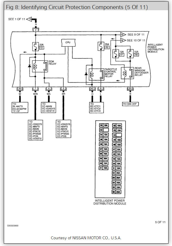
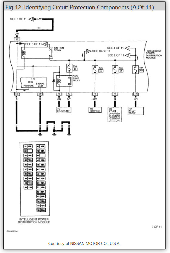
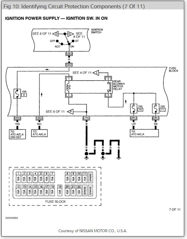
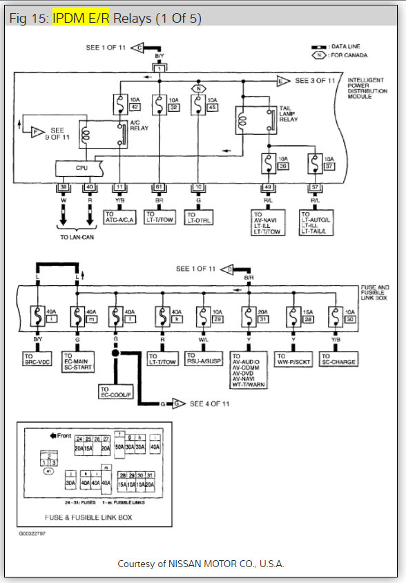
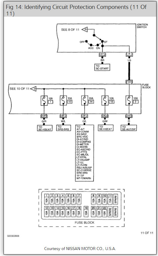
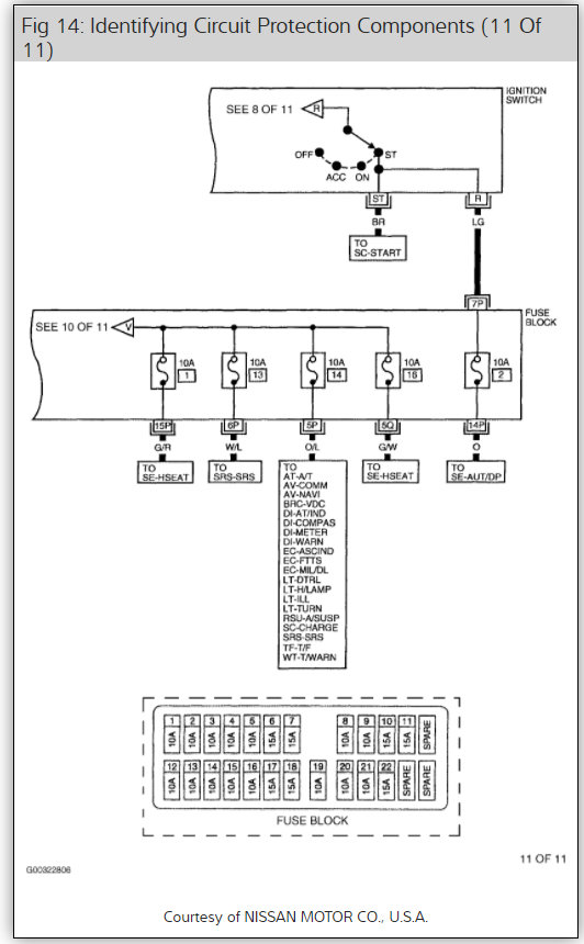
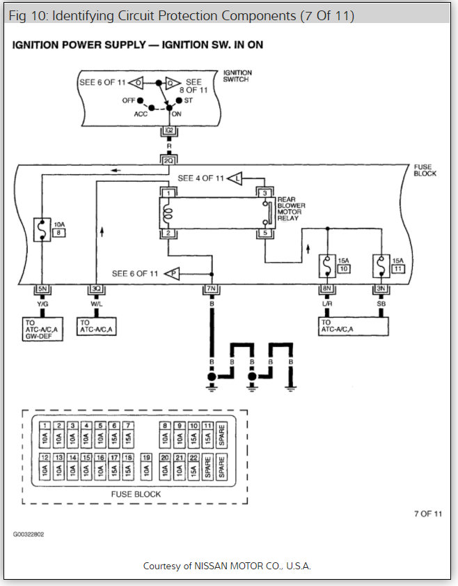
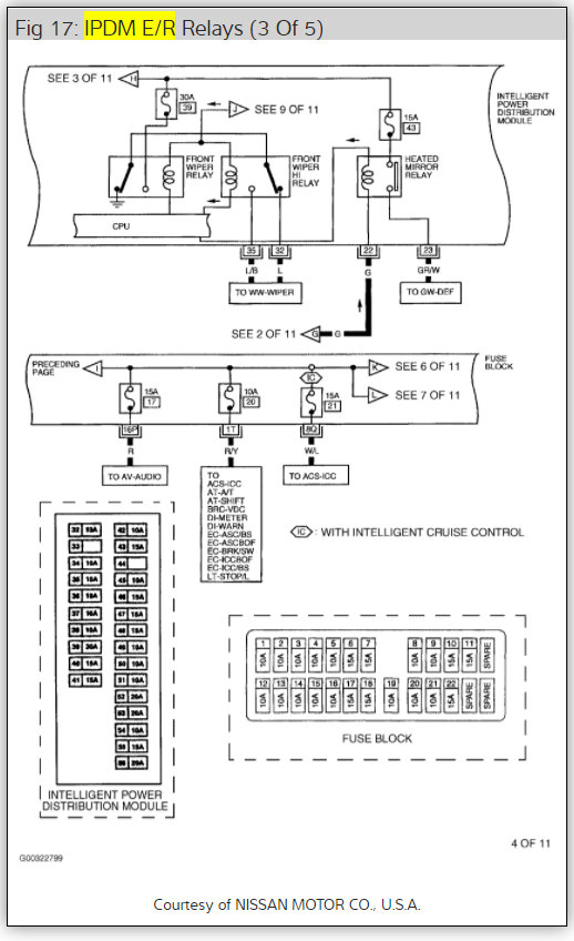
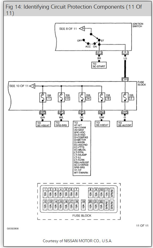
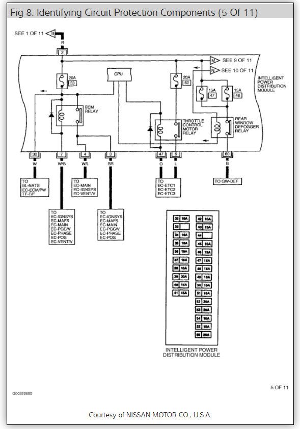
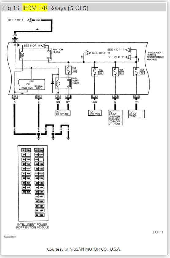
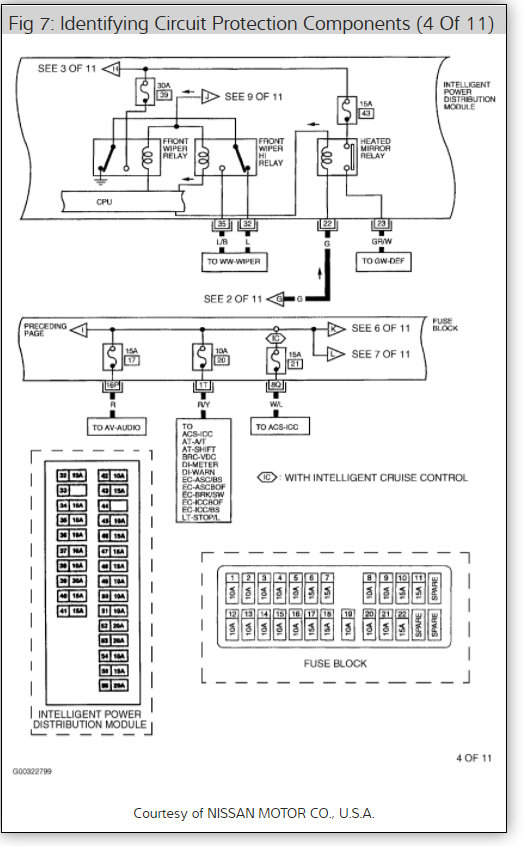
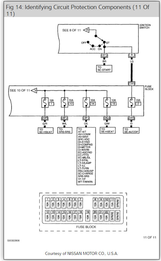
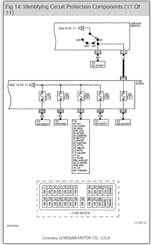
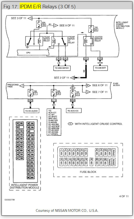
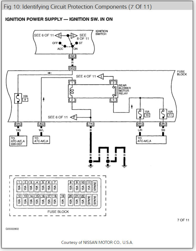
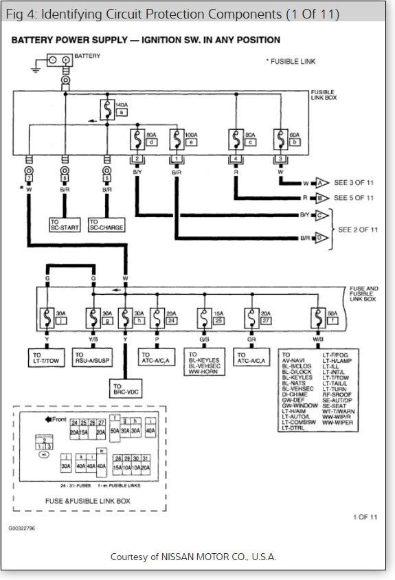
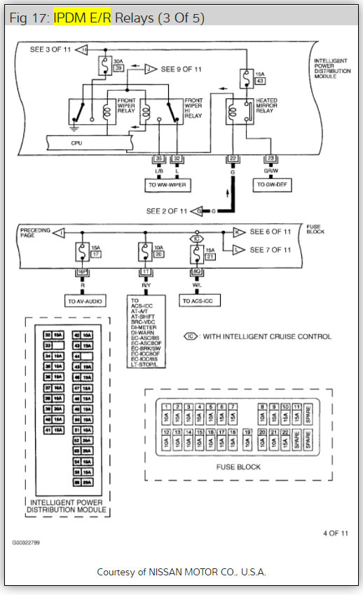
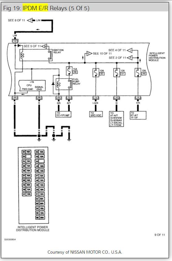
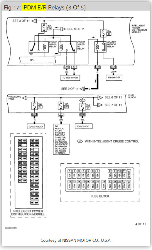
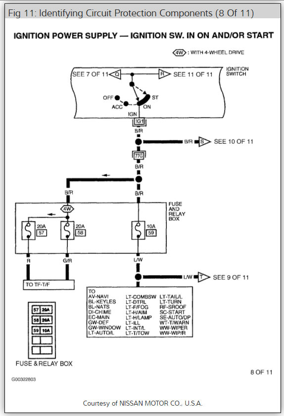
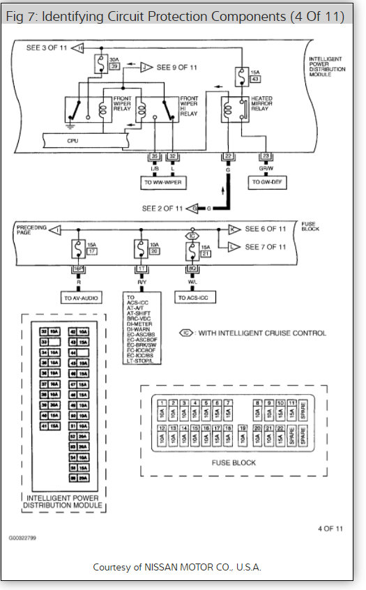
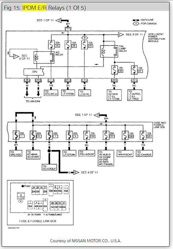
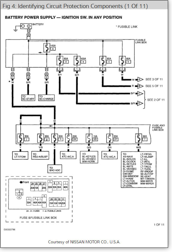
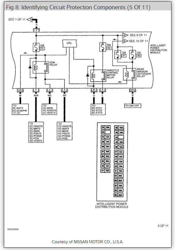
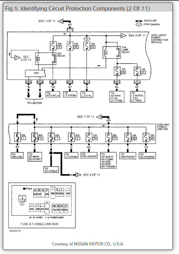
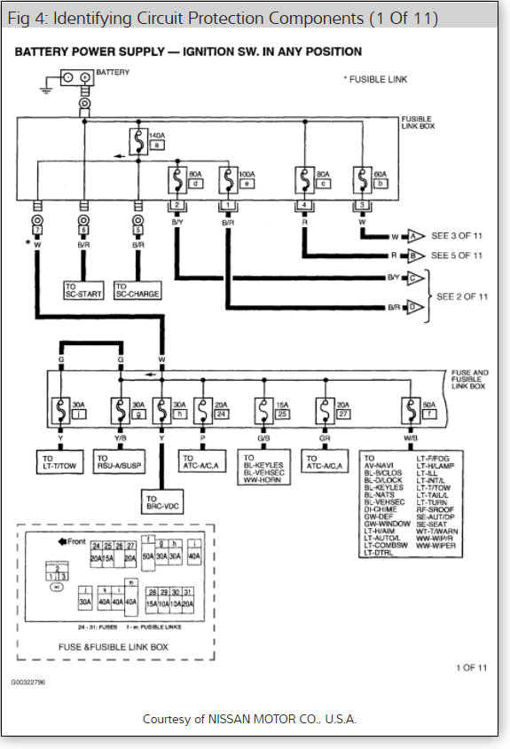
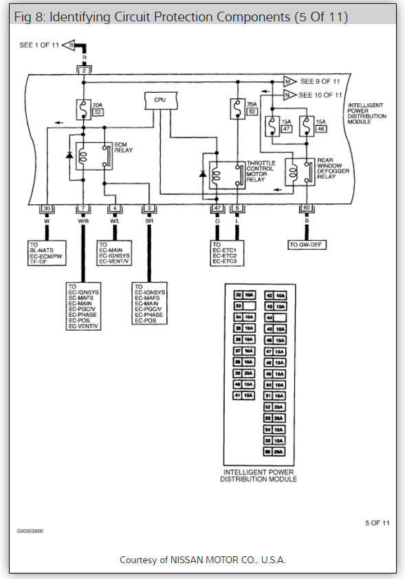
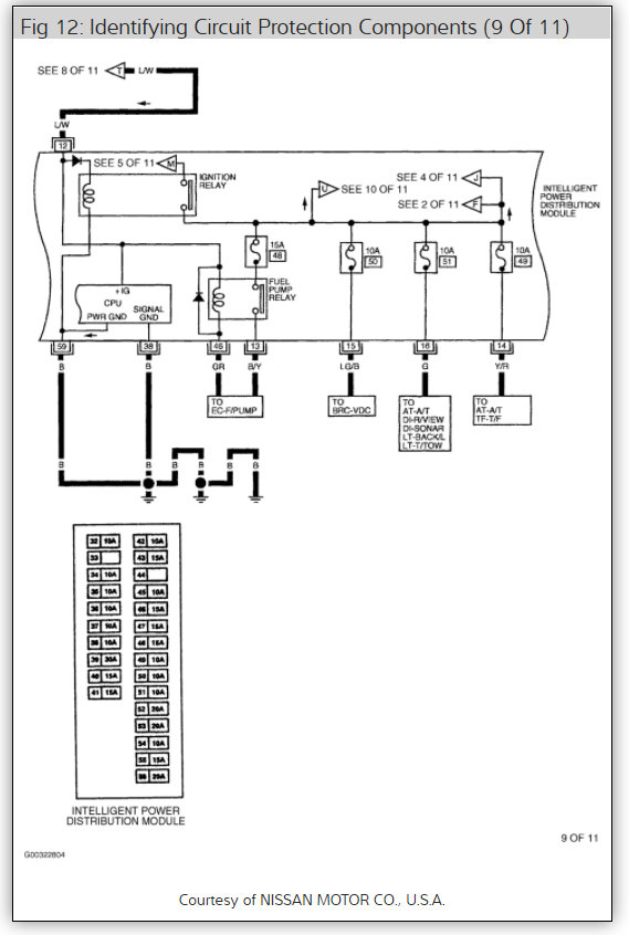
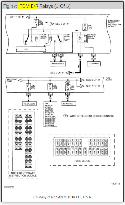
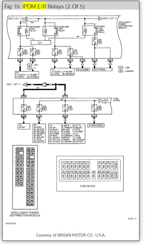
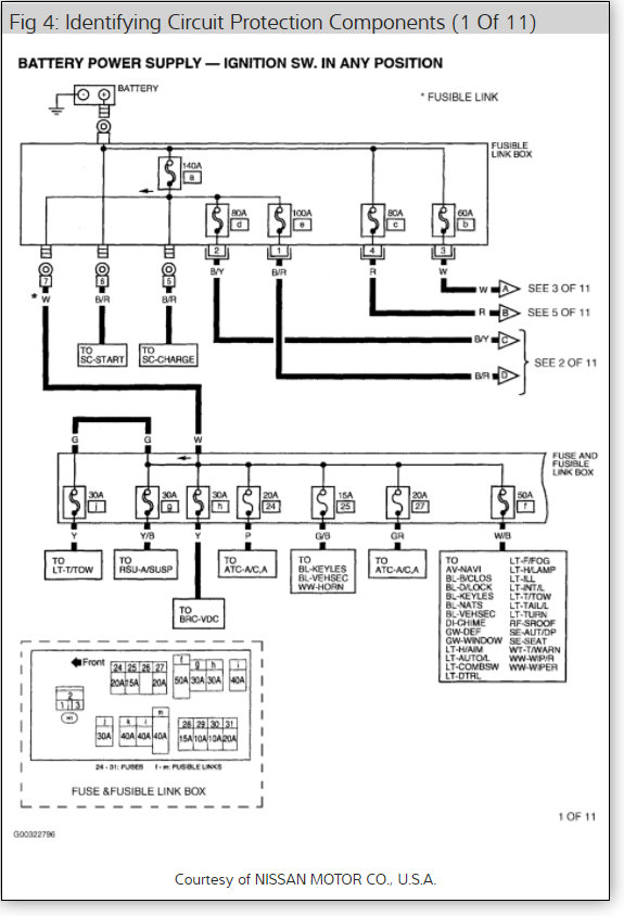
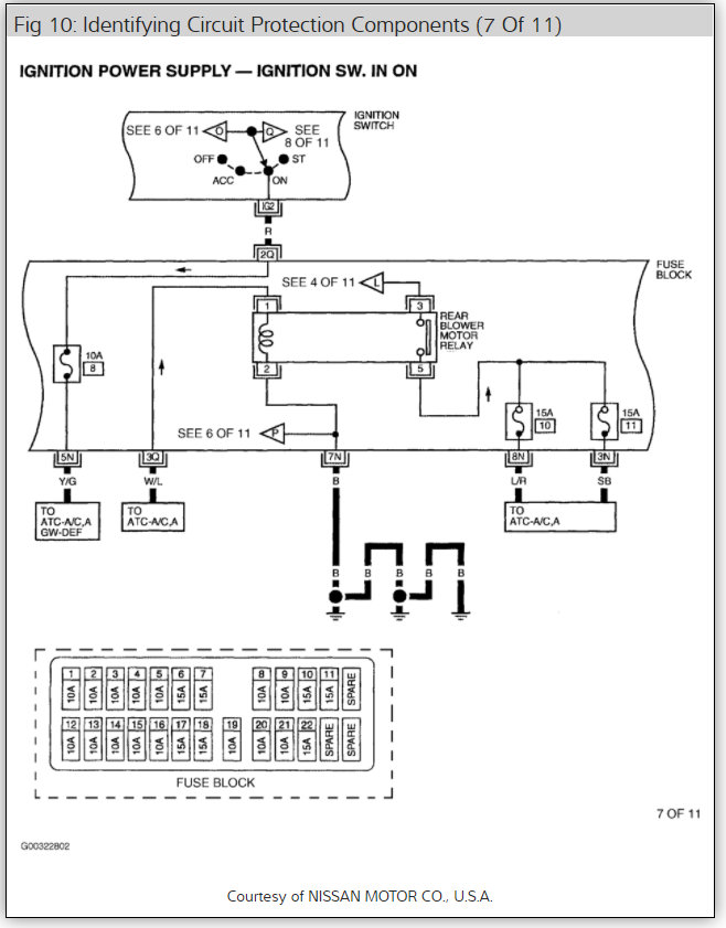
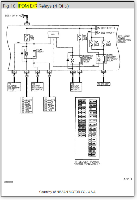
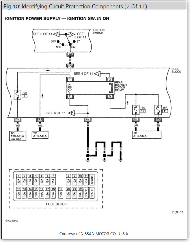
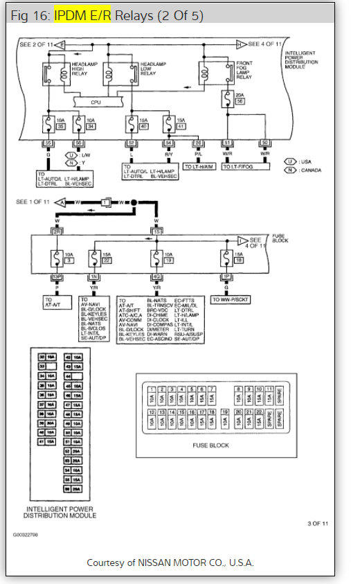
It sounds like you have a front blower motor that is not working. If you turn the rear air off do you not hear any fan running up front? If so I would start by checking the fuses. Here is a guide and the fuse panel diagrams to help us figure out whats wrong. Here are the complete fuse panel and relay location diagrams for you (below).

https://www.2carpros.com/articles/how-to-check-a-car-fuse

Check fuses number 8 and 19.

Please let us know what you find. We are interested to see what it is.

Cheers, Ken
Was this
answer
helpful?
Yes
No
+1
Wednesday, January 31st, 2018 AT 1:52 PM
Tiny
ROBERT SWAN
  • MEMBER
  • 8 POSTS
The fan was just stuck, so I sprayed a little wd40 and it’s back to working. Thanks for your time and patience with my problem. I also have another situation with my vehicle if you can help me with it. I’m hear a scrubbing noise coming from the rear driver side whenever I go into a curve and the pressure and weight of the vehicle is on that side. What causes that and is it expensive to fix. And this is the same vehicle.
Was this
answer
helpful?
Yes
No
Thursday, February 8th, 2018 AT 6:45 AM
Tiny
KEN L
  • MASTER CERTIFIED MECHANIC
  • 55,469 POSTS
Please post your new question here

https://www.2carpros.com/questions/new

Cheers, Ken
Was this
answer
helpful?
Yes
No
Thursday, February 8th, 2018 AT 9:39 AM

Please login or register to post a reply.